Curiosii for ever!: Car repair manuals for everyone.

Electrical Diagrams



ENGINE CONTROLS SCHEMATICS

PCM Power and Ground







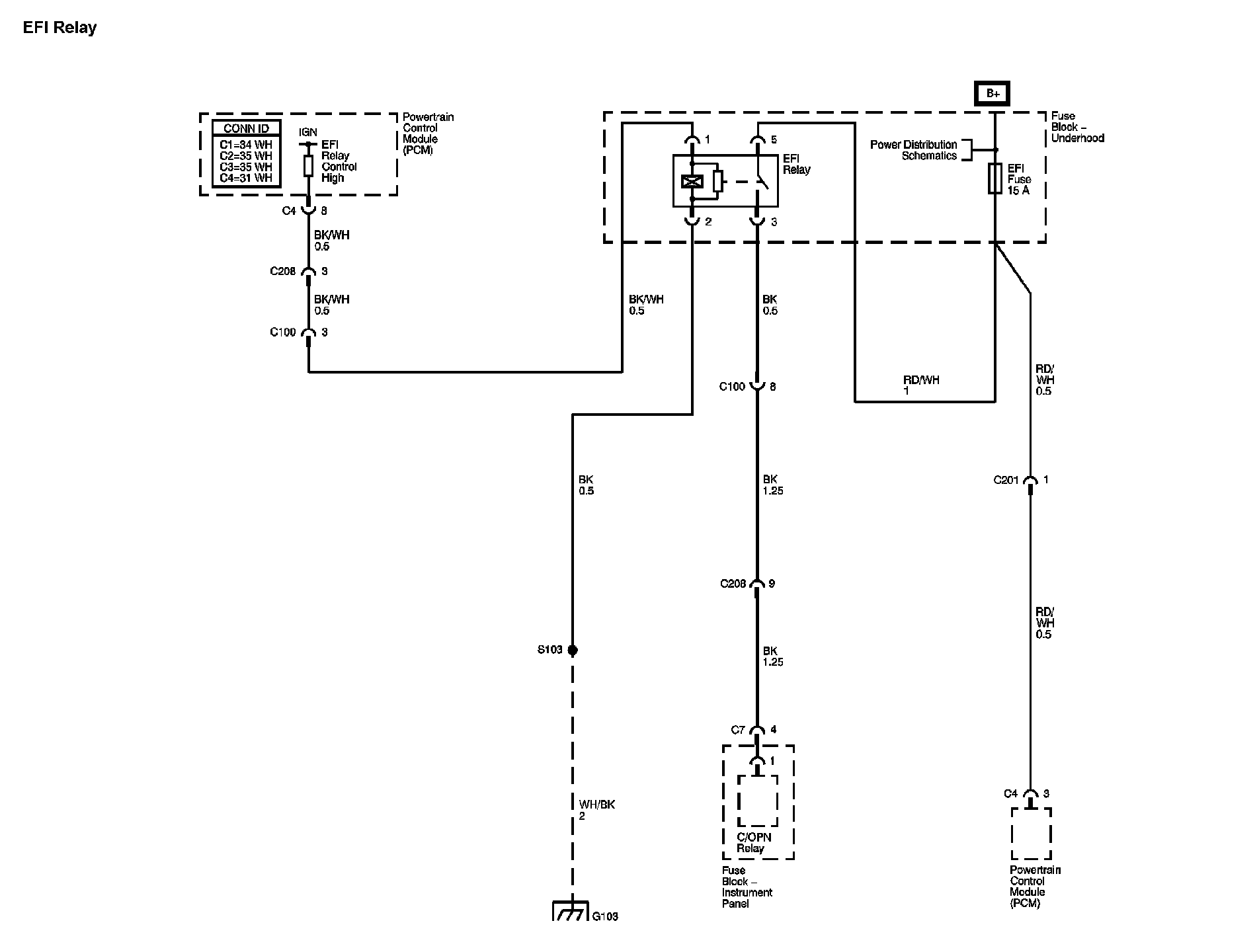
EFI Relay S100







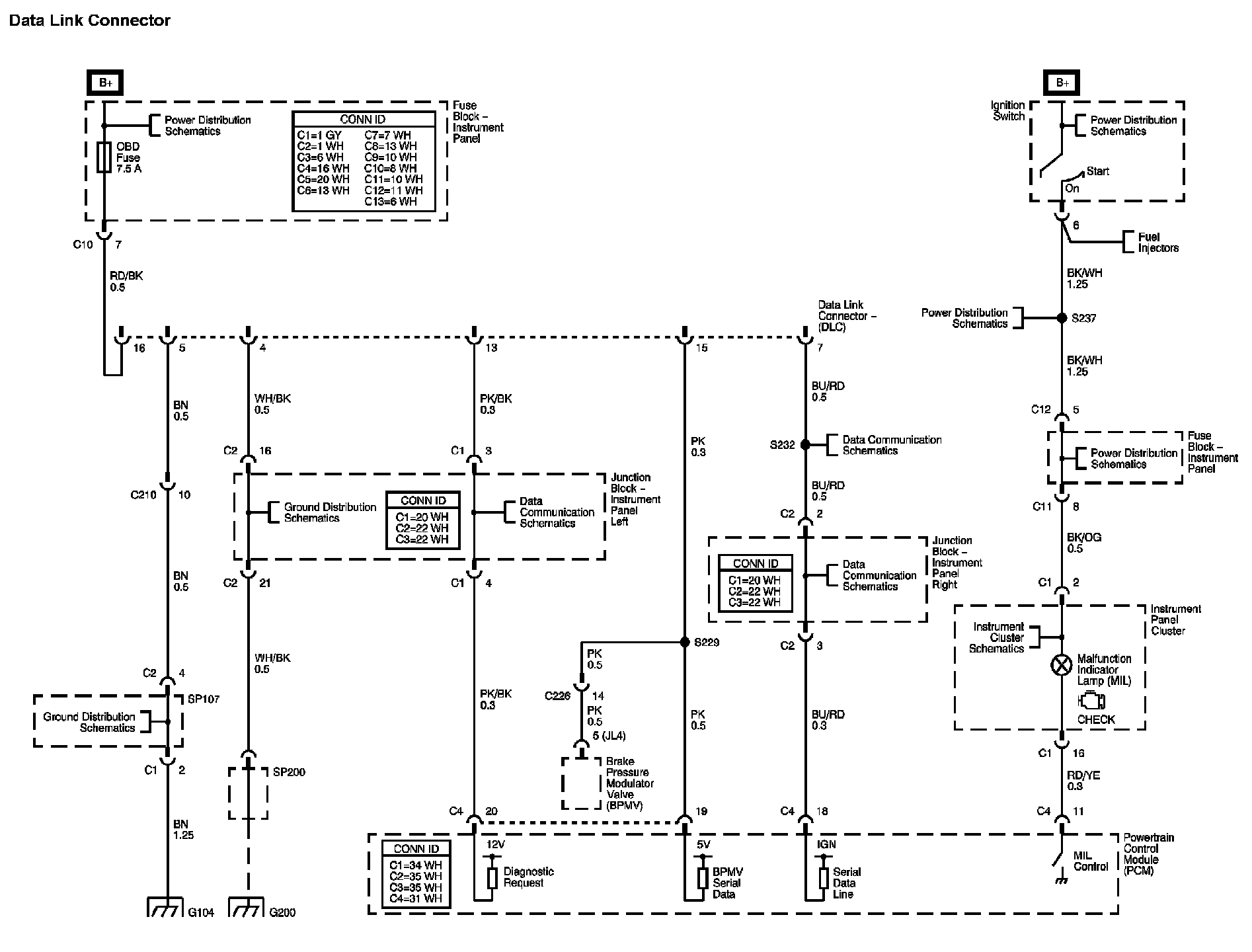
DLC







Fuel Sender Assembly







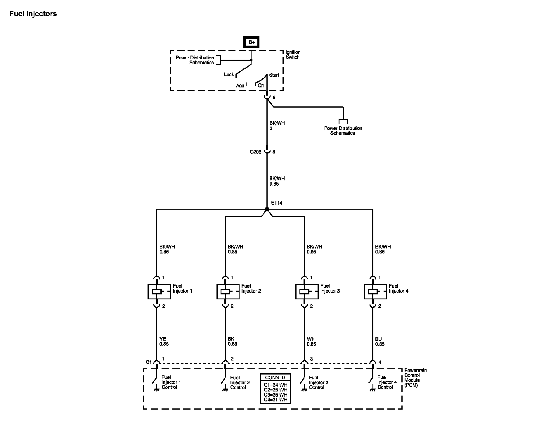
Fuel Injectors







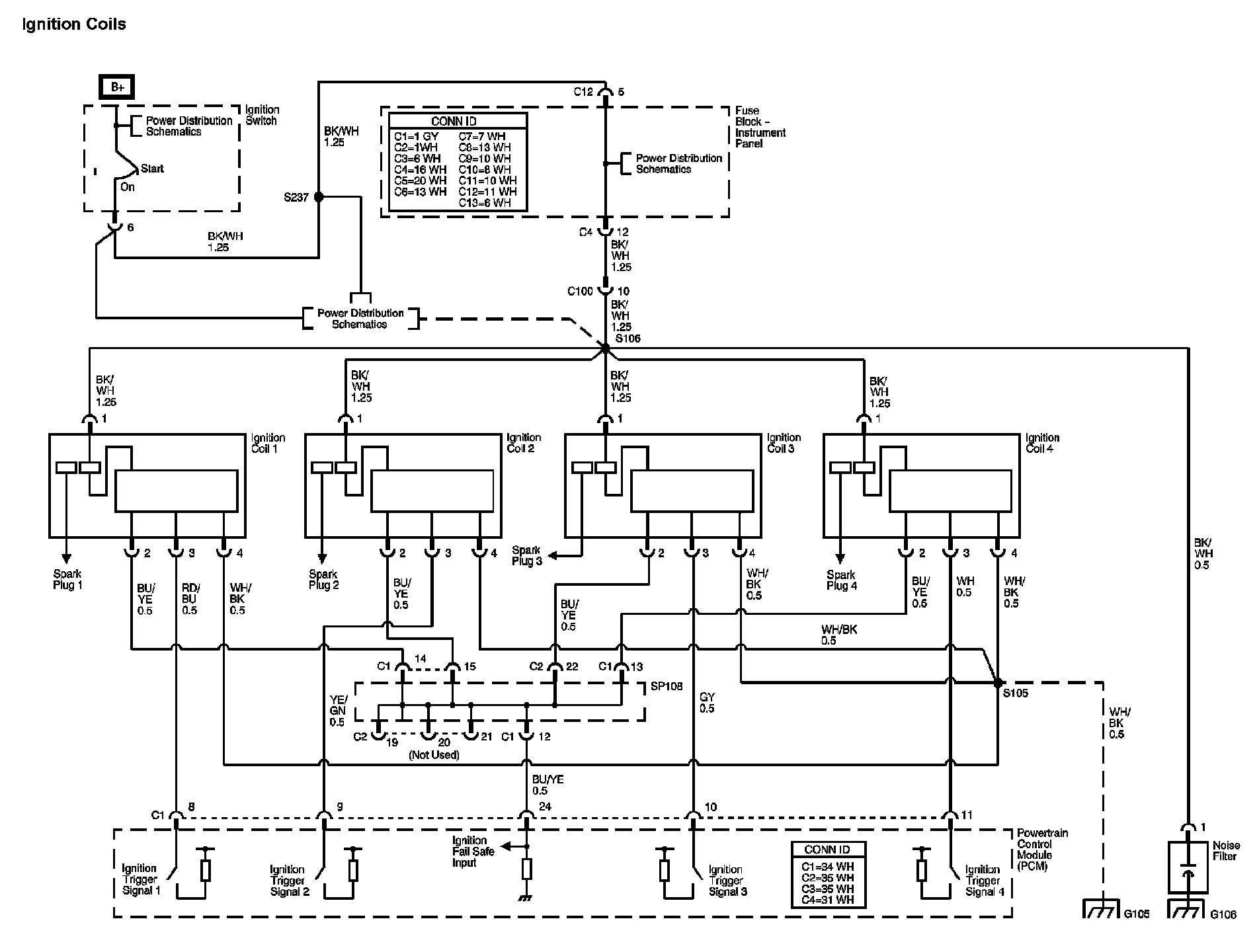
Ignition Coils







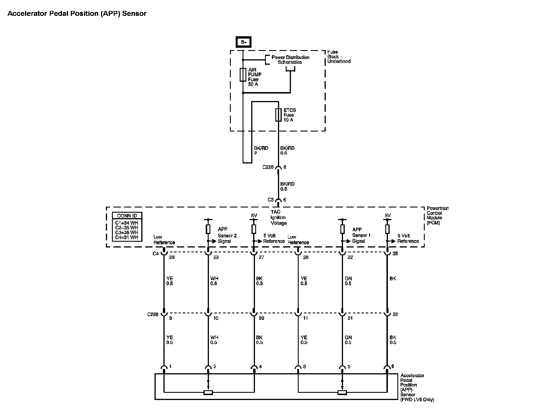
Accelerator Pedal Position (APP) Sensors







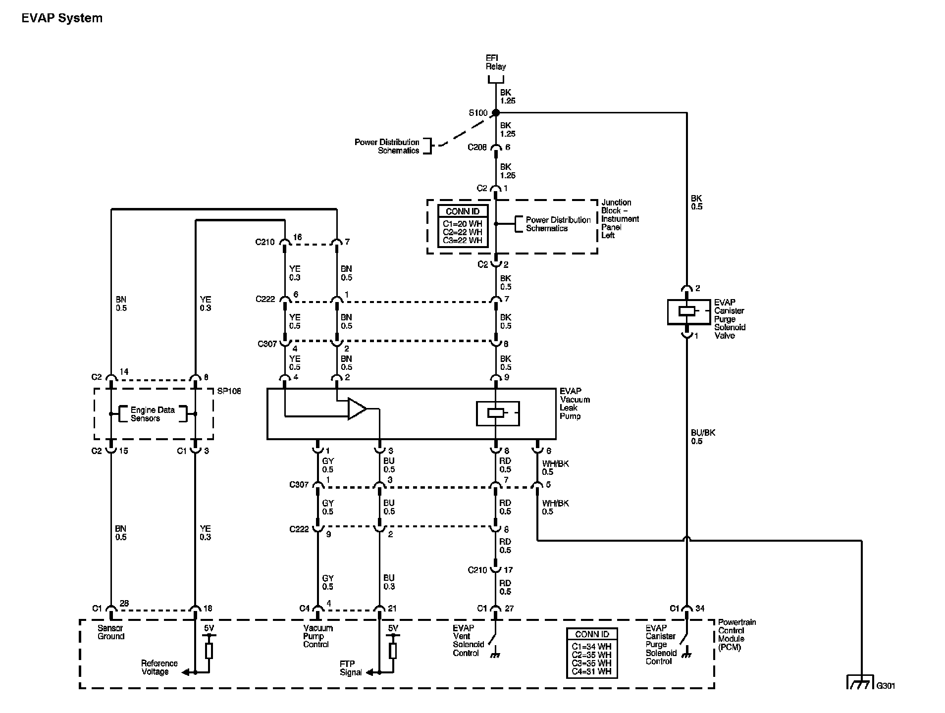
EVAP System (FWD)







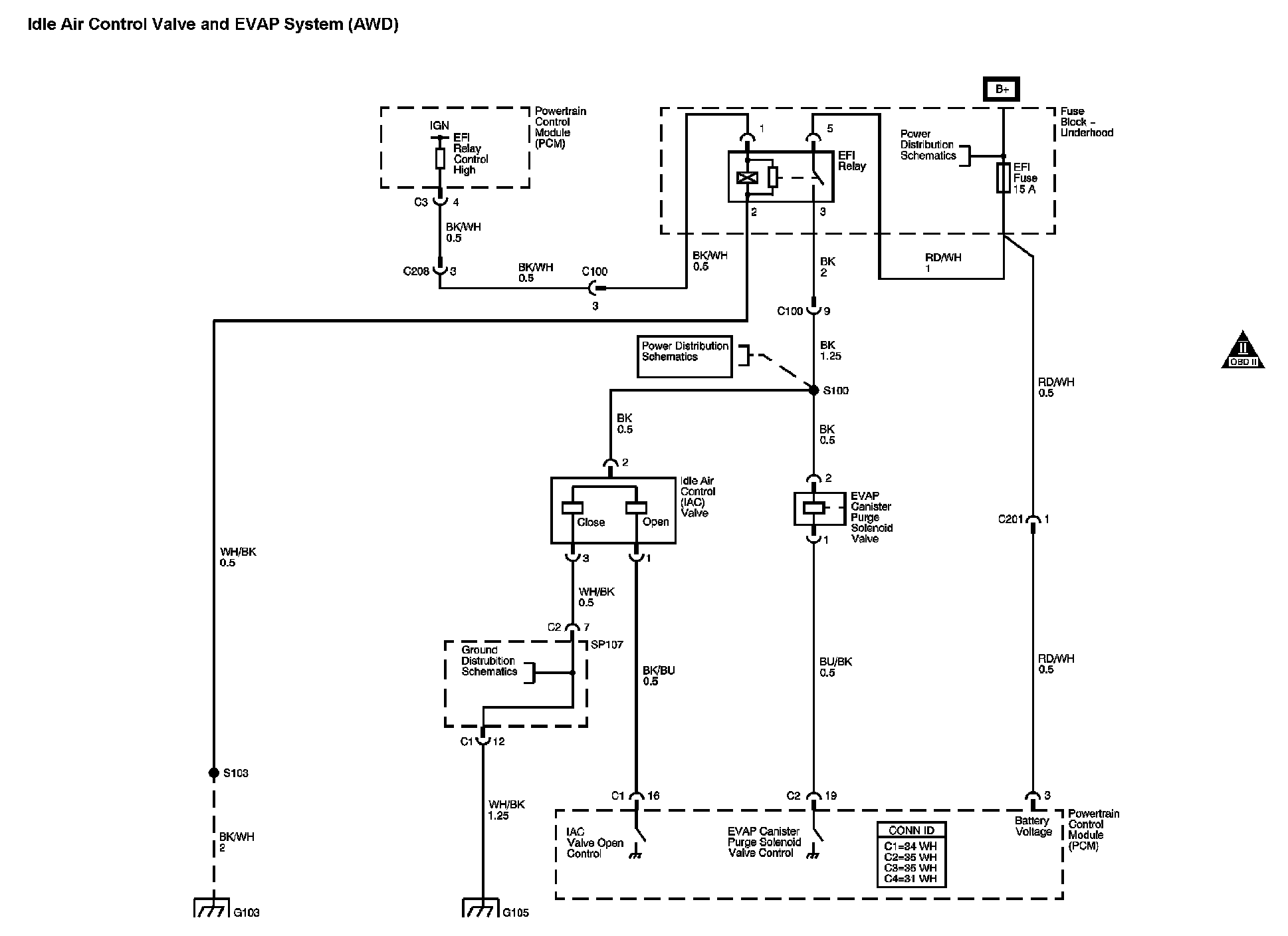
IAC Valve and EVAP System (AWD)







ECT Sensor, Fuel Tank Pressure (FTP) Sensor, TAC Module, A/C Resistor







ECT Sensor, FTP Sensor, TP Sensor, A/C Resistor (AWD)







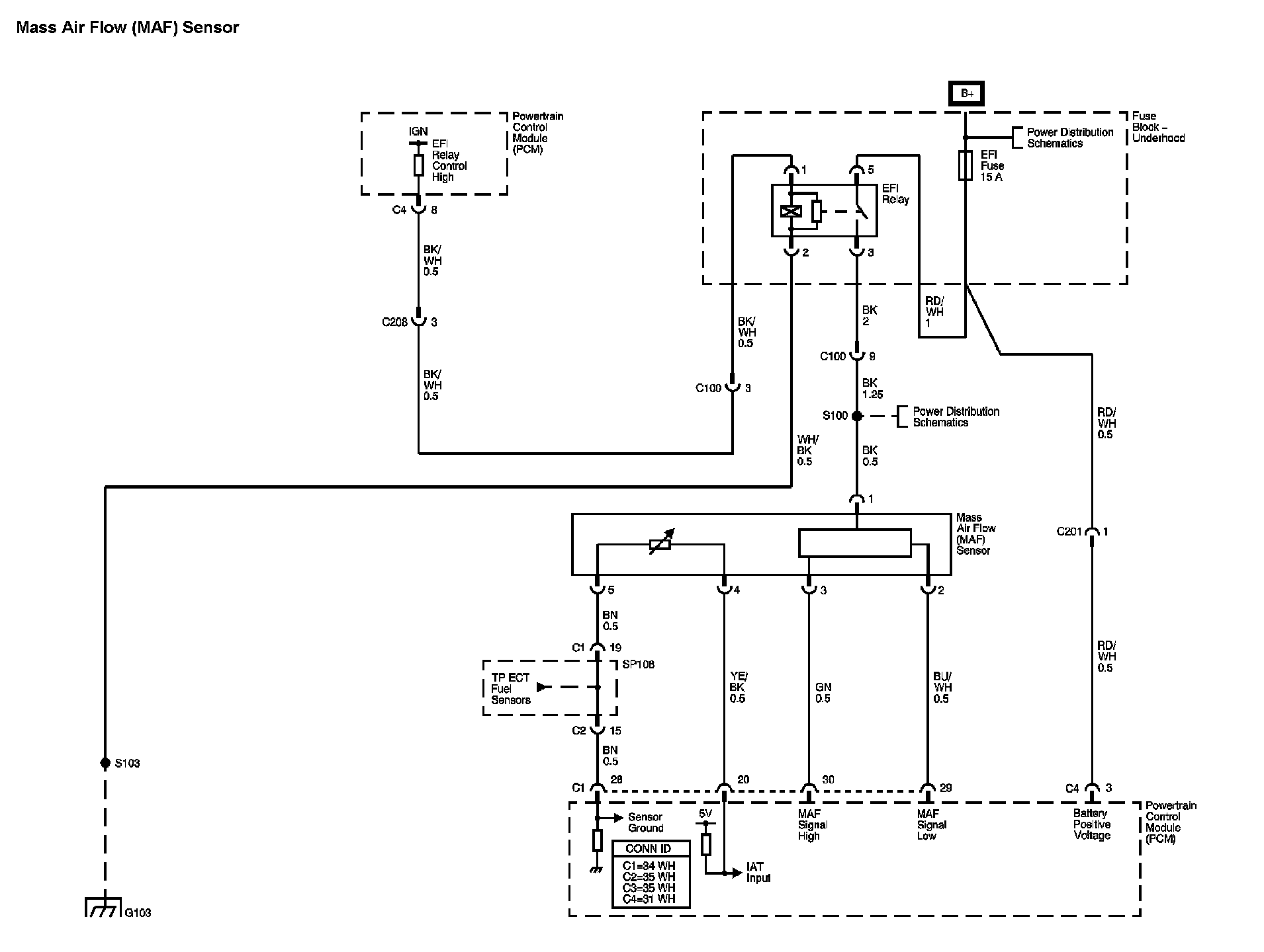
Mass Air Flow (MAF) Sensor







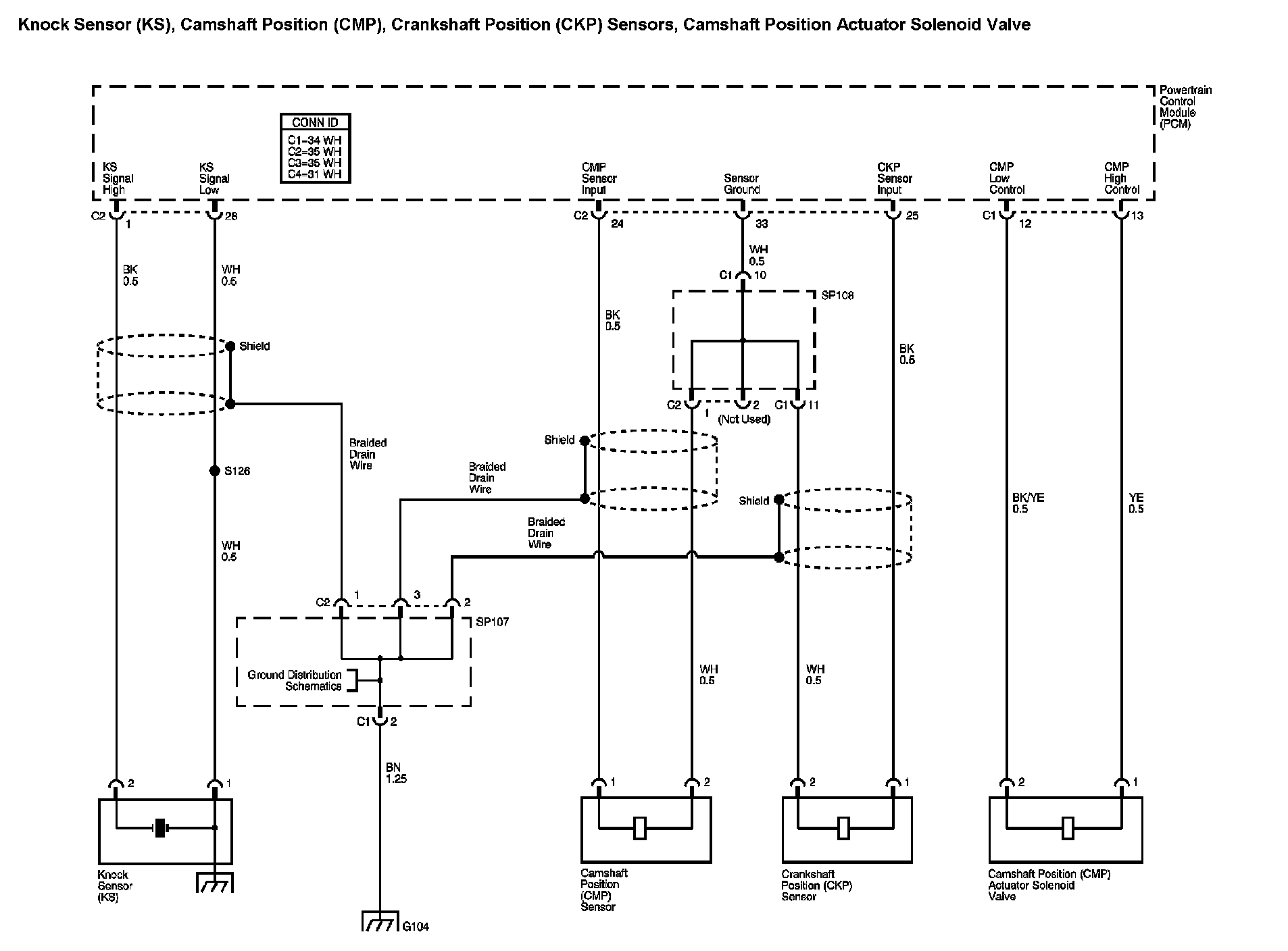
KS, CMP Sensor, CKP Sensor, CMP Actuator Solenoid Valve







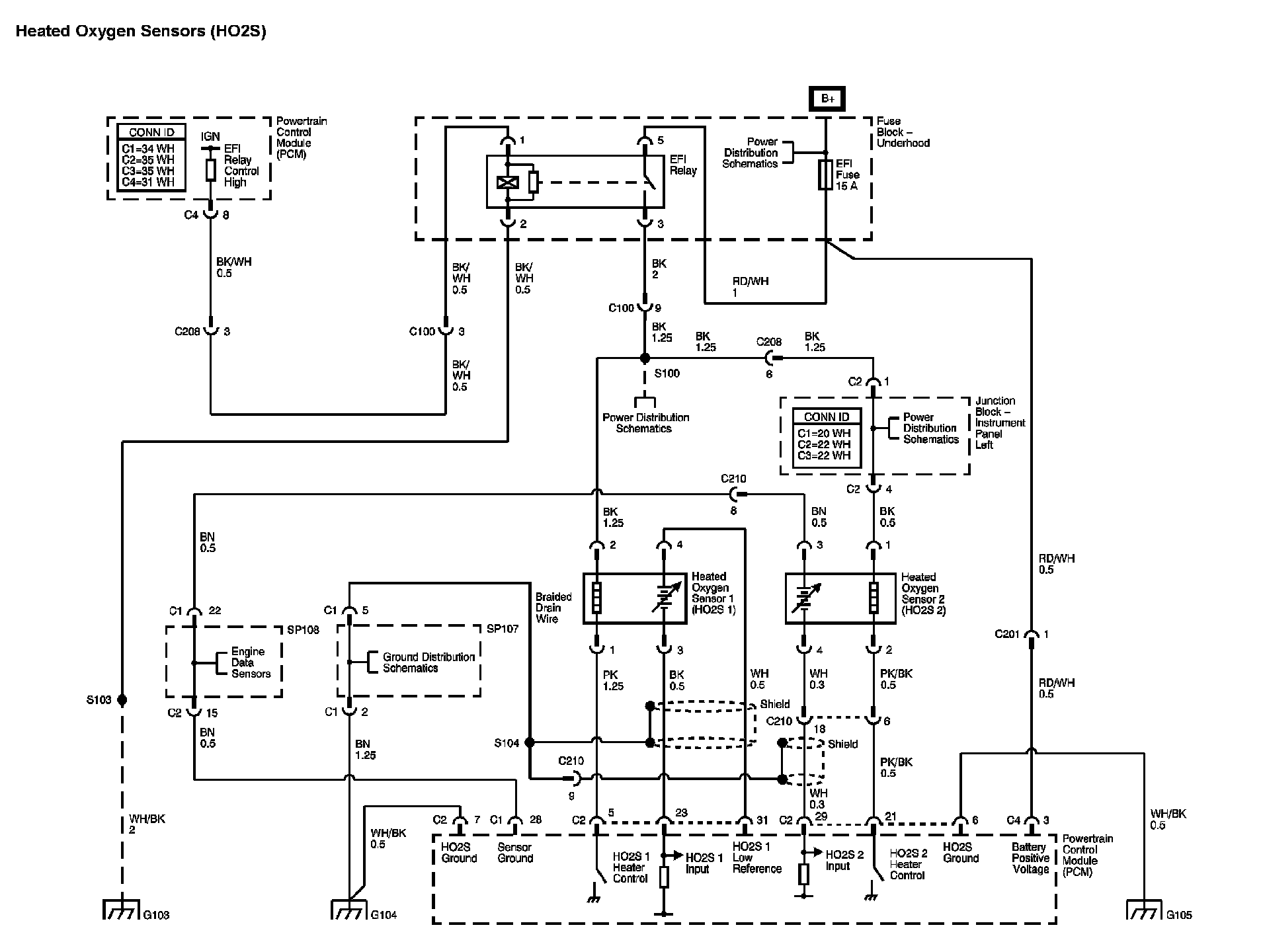
HO2S (FWD)







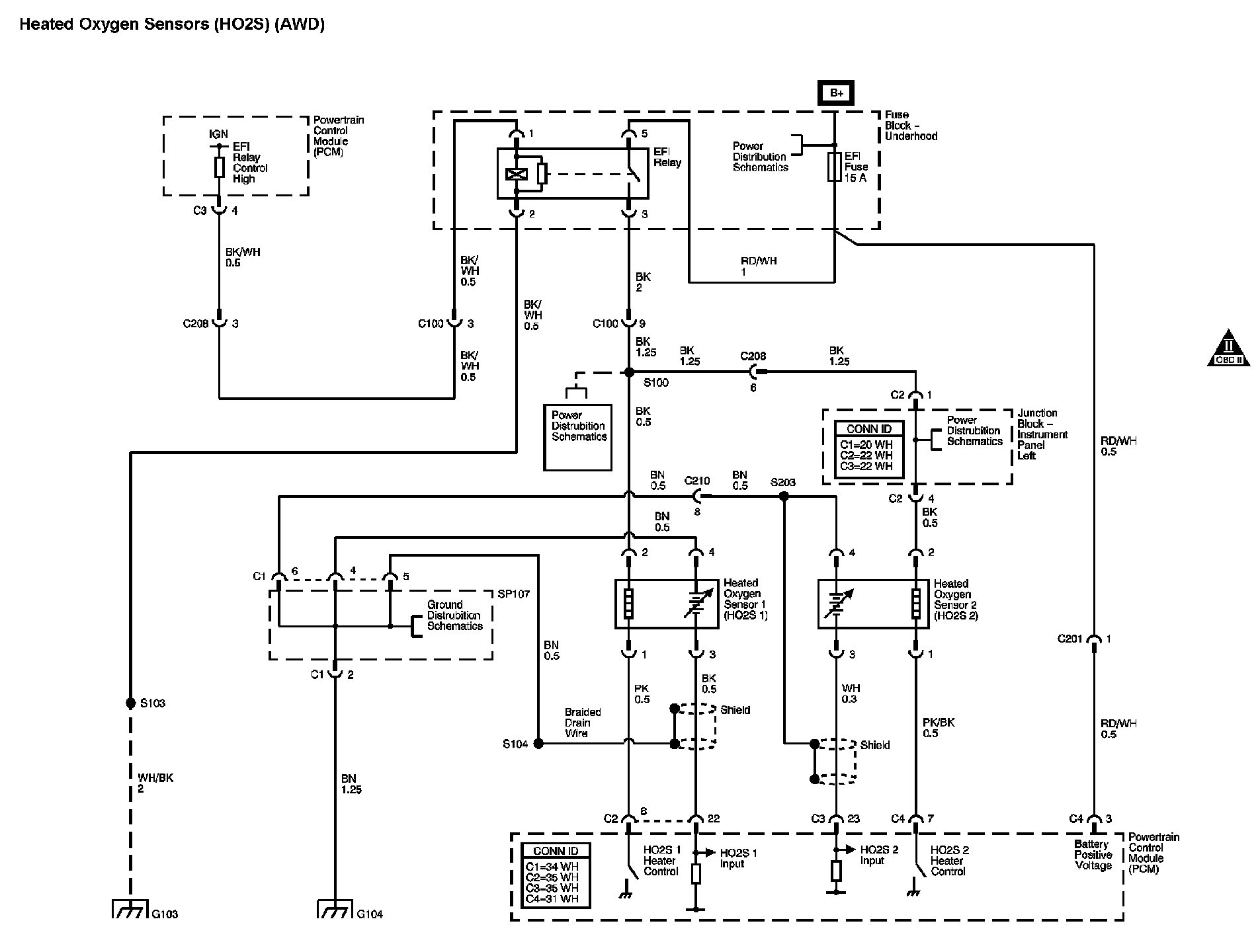
HO2S (AWD)







PNP Switch, BPMV, Multifunction Alarm Module







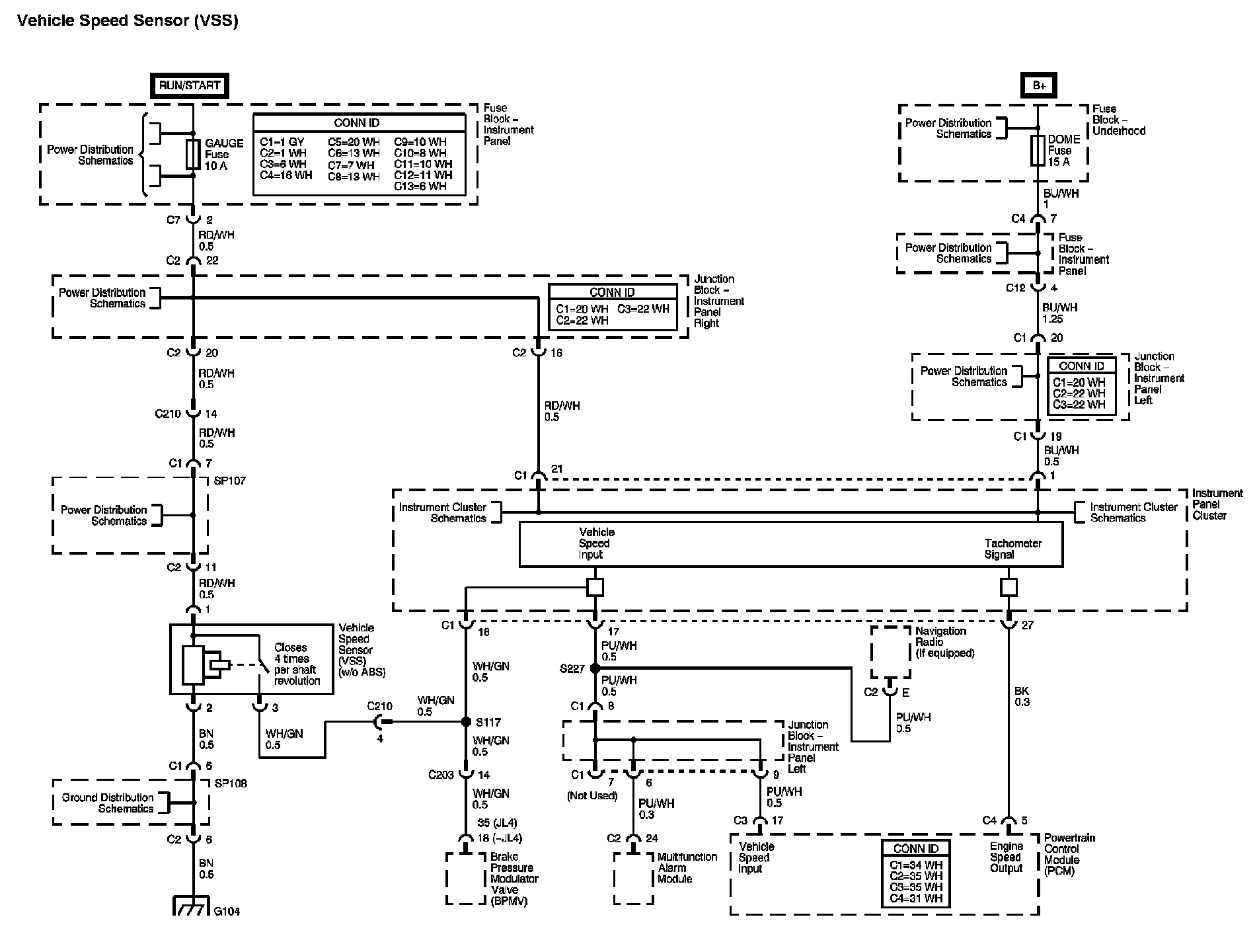
VSS (FWD) w/o ABS







Automatic Transaxle Controls (FWD)







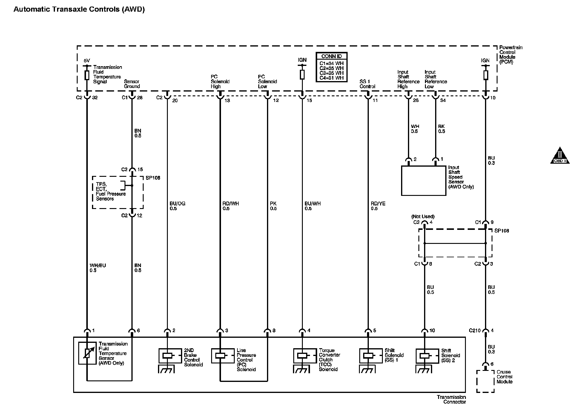
FAutomatic Transaxle Controls (AWD)







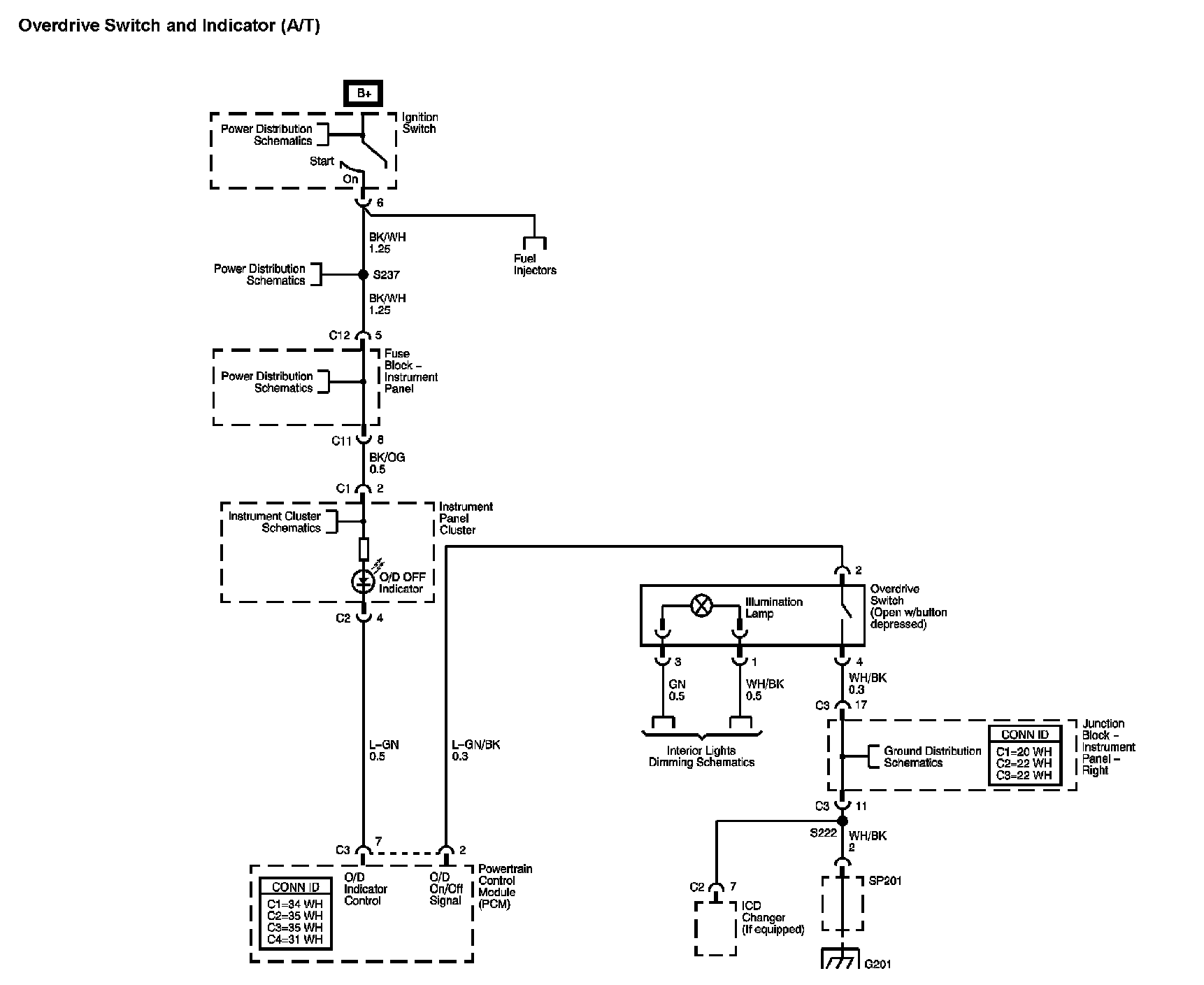
Overdrive (OD) Switch and Indicator Lamp







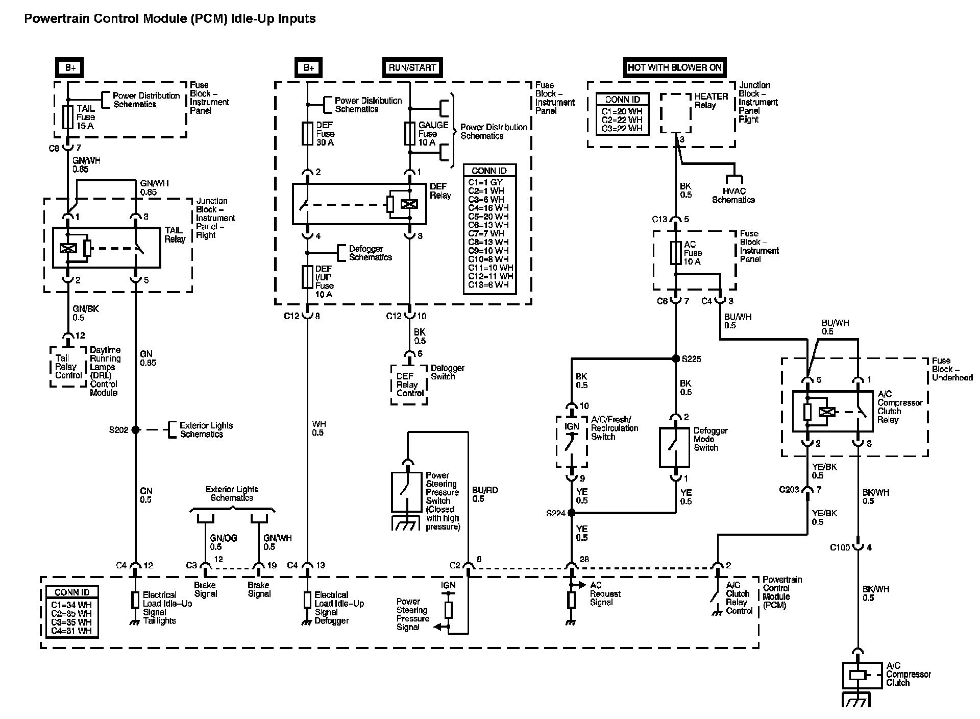
PCM Idle-Up Inputs







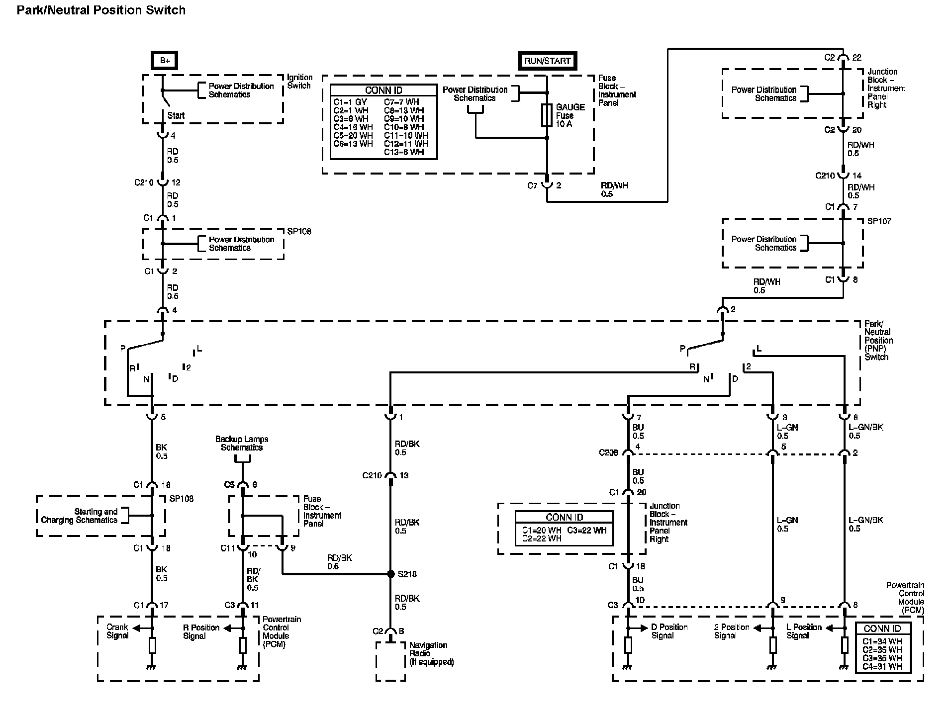
Park/Neutral Position PNP Switch







Locations: The locations for the Connectors, Grounds, Splices, and Grommets shown within these diagrams can be found via their numbers at Vehicle Locations. Locations