Curiosii for ever!: Car repair manuals for everyone.

Electrical Diagrams



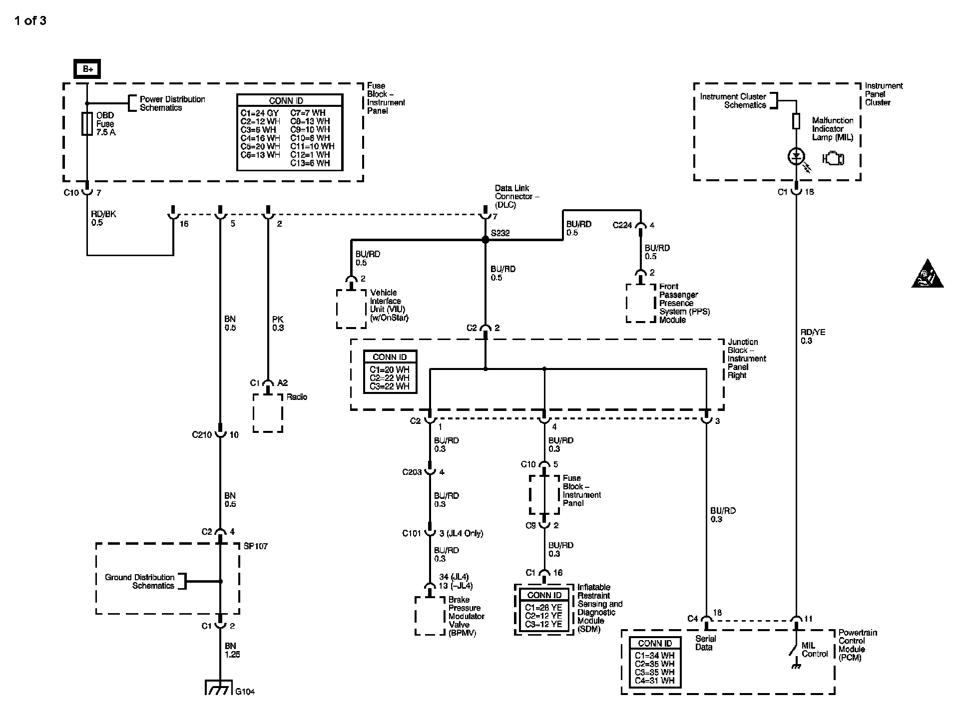
Data Communication Diagram 1 (1 Of 3):




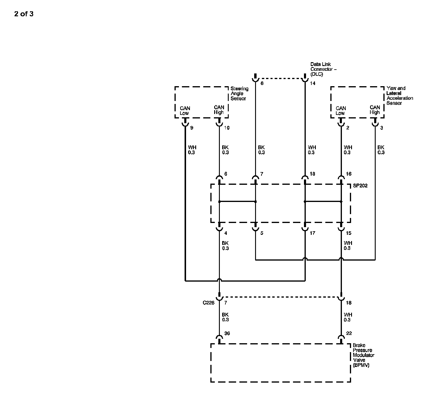
Data Communication Diagram 1 (2 Of 3):




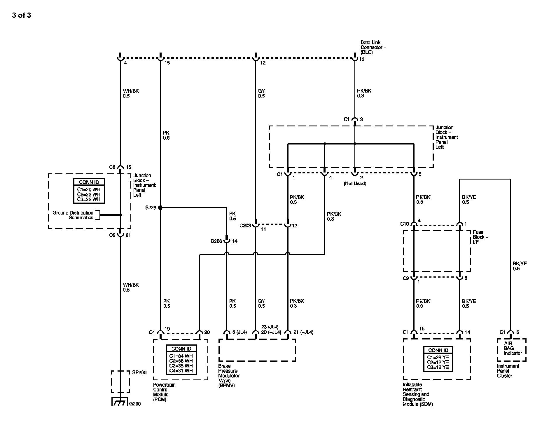
Data Communication Diagram 1 (3 Of 3):






Locations: The locations for the Connectors, Grounds, Splices, and Grommets shown within these diagrams can be found via their numbers at Vehicle Locations. Locations