Curiosii for ever!: Car repair manuals for everyone.

Electrical Diagrams



Cruise Control Schematics

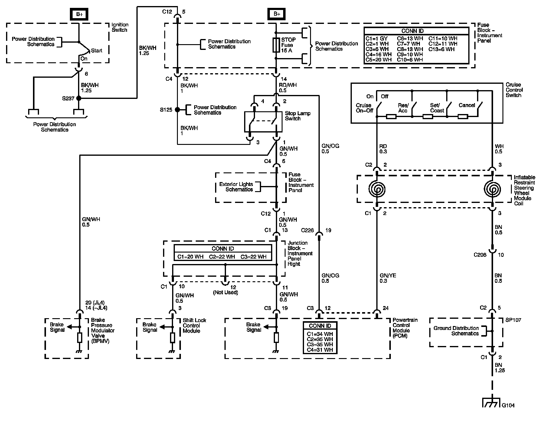
Powertrain Control Module, Stop Lamp Switch and Cruise Control Switch






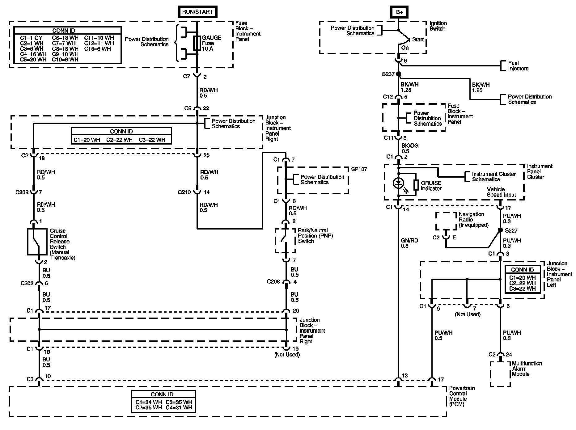
Powertrain Control Module, Cruise Control Release Switch, Cruise Indicator






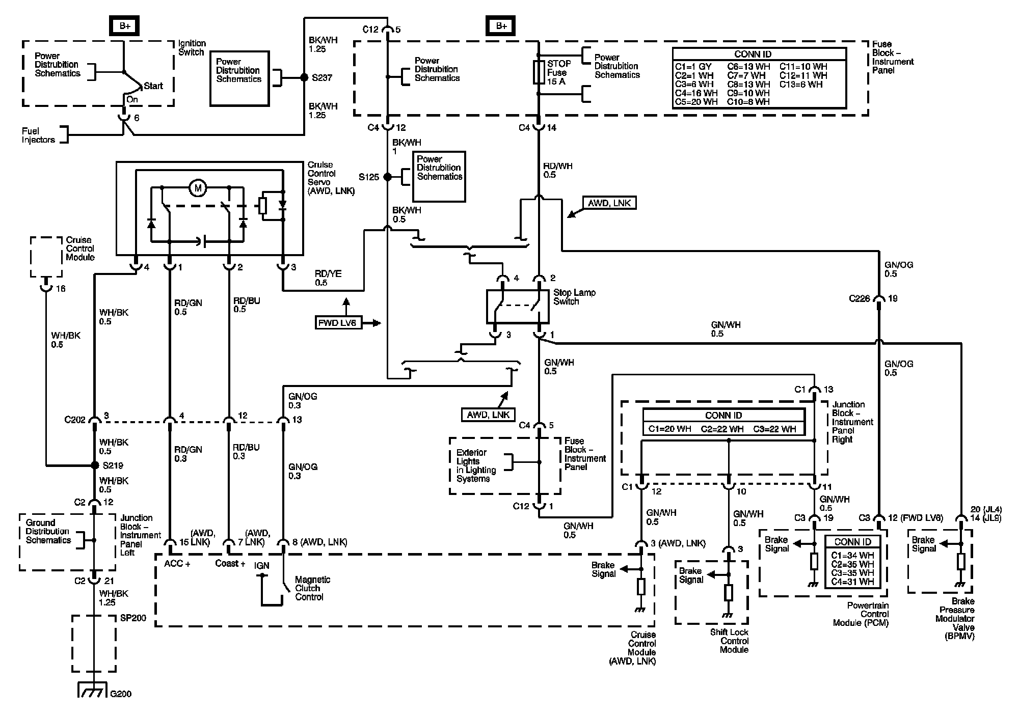
Cruise Control Module and Servo






Locations: The locations for the Connectors, Grounds, Splices, and Grommets shown within these diagrams can be found via their numbers at Vehicle Locations. Locations