Curiosii for ever!
: Car repair manuals for everyone.
Home
>>
Pontiac
>>
2007
>>
Solstice L4-2.4L
>>
Repair and Diagnosis
>>
Starting and Charging
>>
Power and Ground Distribution
>>
Diagrams
>>
Electrical Diagrams
>>
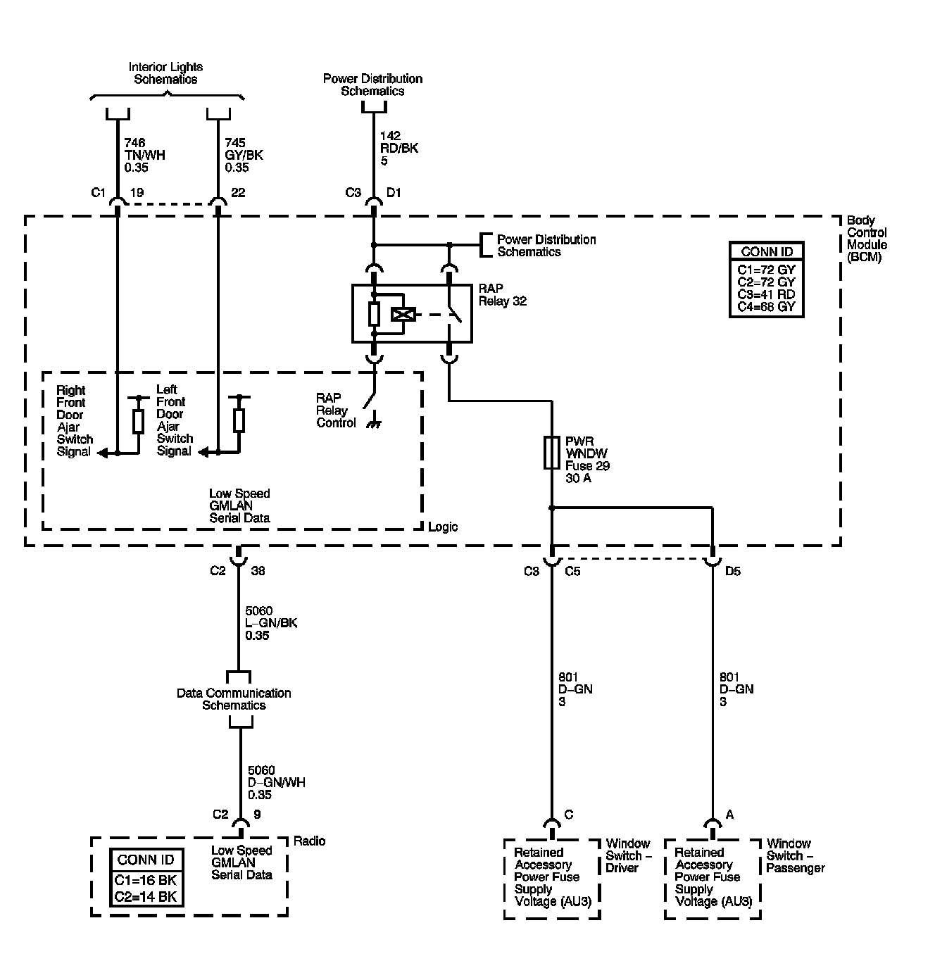
Power Moding Diagrams
Power Moding Diagrams
Power Moding Diagrams
Locations:
The locations for the Connectors, Grounds, Splices, and Grommets shown within these diagrams can be found via their numbers at Vehicle Locations.
Locations