Curiosii for ever!: Car repair manuals for everyone.

Electrical Diagrams



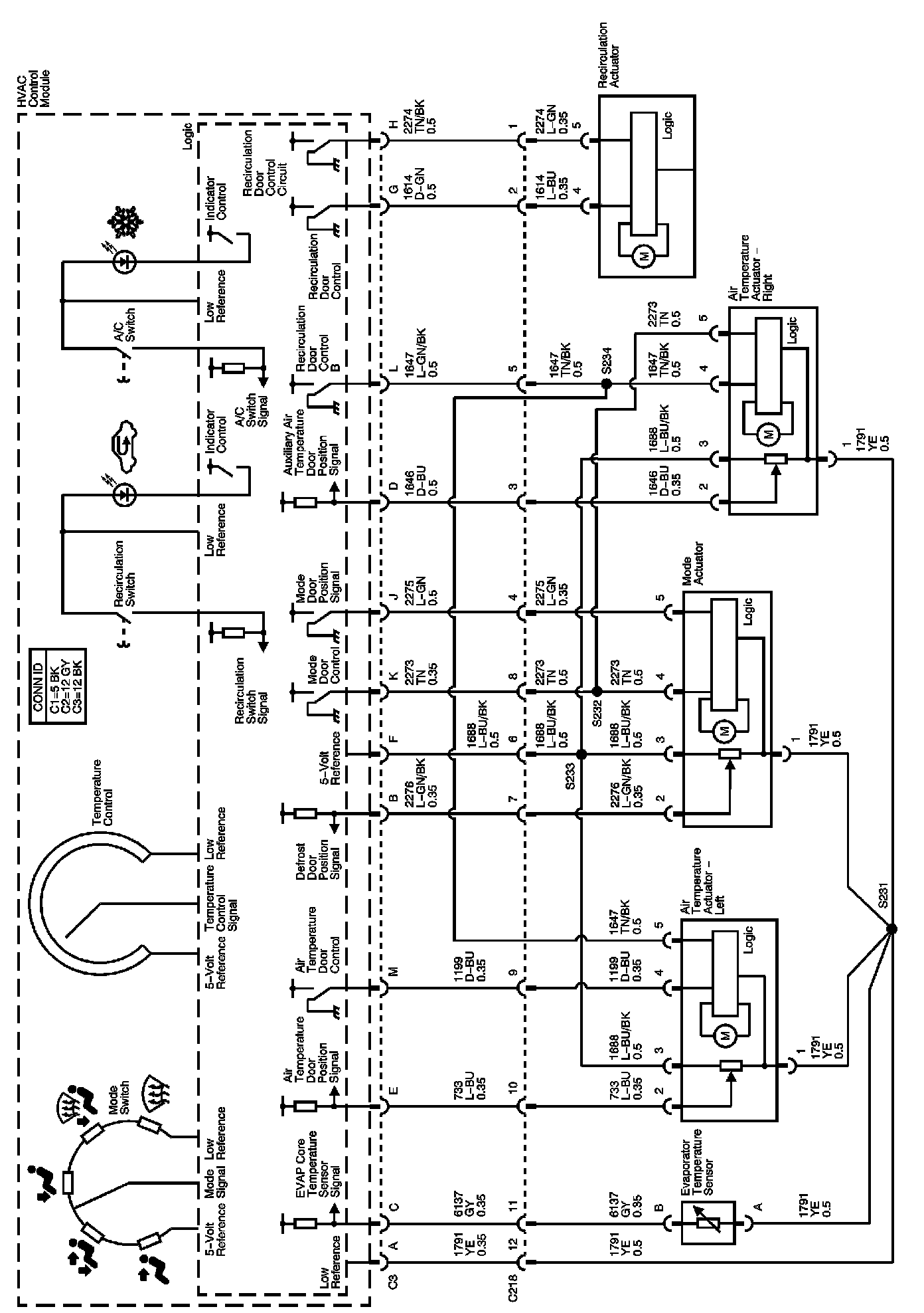
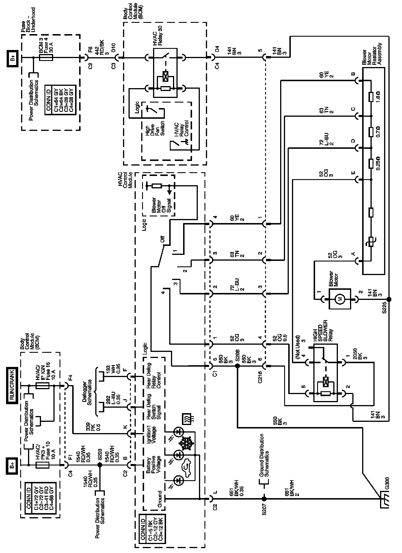
HVAC Schematics

Ground, Power, and Blower Controls






Air Delivery and Temperature Controls






Compressor Controls






Locations: The locations for the Connectors, Grounds, Splices, and Grommets shown within these diagrams can be found via their numbers at Vehicle Locations. Locations