Curiosii for ever!
: Car repair manuals for everyone.
Home
>>
Pontiac
>>
2007
>>
Solstice L4-2.4L
>>
Repair and Diagnosis
>>
Brakes and Traction Control
>>
Disc Brake System
>>
Brake Pad
>>
Service and Repair
>>
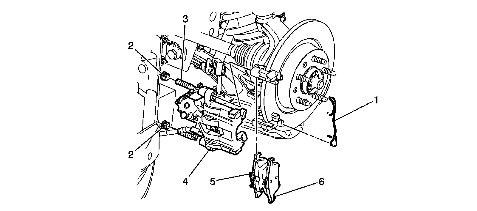
Rear Disc Brake Pads Replacement
Rear Disc Brake Pads Replacement
Rear Disc Brake Pads Replacement