Curiosii for ever!: Car repair manuals for everyone.

Negative: Service and Repair



Battery Positive and Negative Cable Replacement (LNF)

Removal Procedure




1. Disconnect the negative battery cable.
2. Open the positive battery cable connection cover.
3. Loosen the positive battery cable nut.
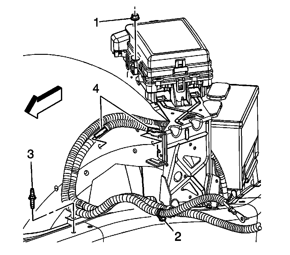
4. Remove the positive battery cable (1) from the battery.
5. Remove the negative battery cable ground nut (4) at the side rail stud.
6. Remove the negative battery cable terminal (3) from the side rail stud.




7. Remove the positive battery cable nut (1) from the bussed electrical center (BEC) stud.
8. Remove the positive battery cable from the BEC stud.
9. Remove the battery cable clip stud (3) at the side rail.
10. Remove the battery cable clip (4) from the wheelhouse liner.




11. Cut the tie straps (1) securing the battery cables to the engine wring harness.
12. Remove the negative battery cable ground bolt (6) at the engine lift bracket.
13. Remove the negative battery cable ground (5) from the engine lift bracket.
14. Remove the negative battery cable clip (4) from the oil level indicator tube bracket.
15. Raise and support the vehicle. Refer to Vehicle Lifting.
16. Remove the positive battery cable to starter nut (2).
17. Remove the positive battery cable from the starter.
18. Lower the vehicle.
19. Remove the positive/negative battery cable assembly from the vehicle.

Installation Procedure




1. Install the positive/negative battery cable assembly to the vehicle.
2. Position the negative battery cable ground (5) to the engine lift bracket.

Notice: Refer to Fastener Notice.

3. Install the negative battery cable ground bolt (6) at the engine lift bracket.

Tighten the bolt to 25 N.m (18 lb ft).

4. Install the negative battery cable clip (4) to the oil level indicator tube bracket.
5. Raise and support the vehicle.
6. Install the positive battery cable to the starter.
7. Install the positive battery cable to starter nut (2).

Tighten the nut to 10 N.m (89 lb in).

8. Lower the vehicle.
9. Install NEW tie straps (1) securing the battery cables to the engine wiring harness.




10. Install the positive battery cable to the BEC stud.
11. Install the positive battery cable nut (1) to the BEC stud.

Tighten the nut to 10 N.m (89 lb in).

12. Position the battery cable clip and install the stud (3) to the side rail.

Tighten the stud to 10 N.m (89 lb in).

13. Install the battery cable clip (4) to the wheelhouse liner.




14. Install the negative battery cable terminal (3) to the stud.
15. Install the negative battery cable ground nut (4) to the side rail stud.

Tighten the nut to 10 N.m (89 lb in).

16. Install the positive battery cable (1) to the battery.
17. Tighten the positive battery cable nut.

Tighten the nut to 17 N.m (13 lb ft).

18. Close the positive battery cable connection cover.
19. Connect the negative battery cable.