Curiosii for ever!: Car repair manuals for everyone.

Electrical Diagrams



ENGINE CONTROLS SCHEMATICS

Data Link, Ground, MIL, and Power







5-Volt and Low Reference







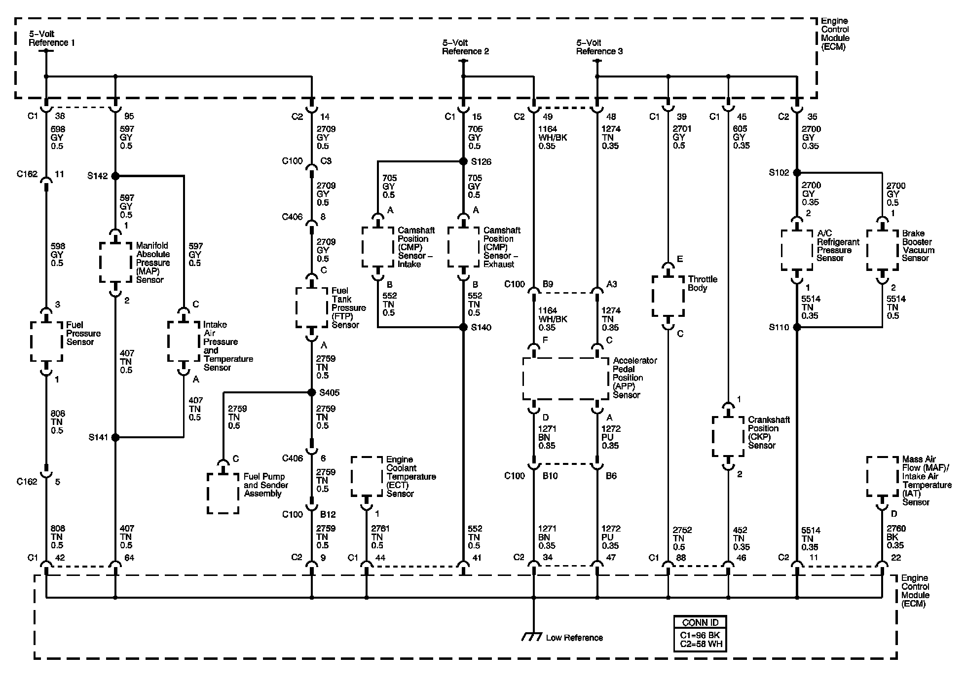
Engine Data Sensors - Pressure and Temperature







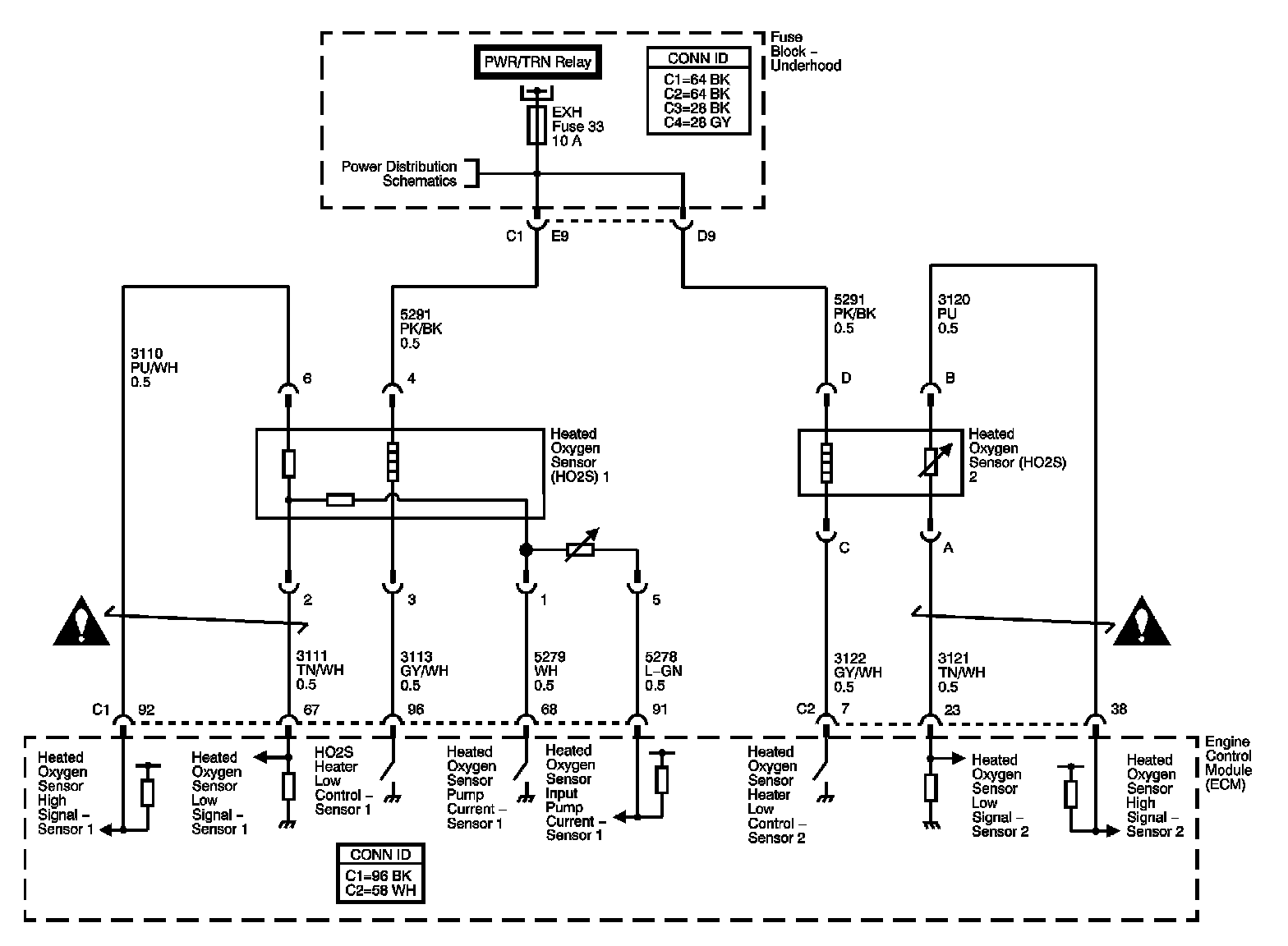
Engine Data Sensors - Oxygen Sensors







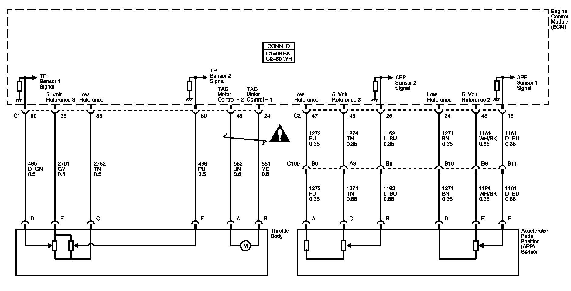
Engine Data Sensors - Electronic Throttle Control







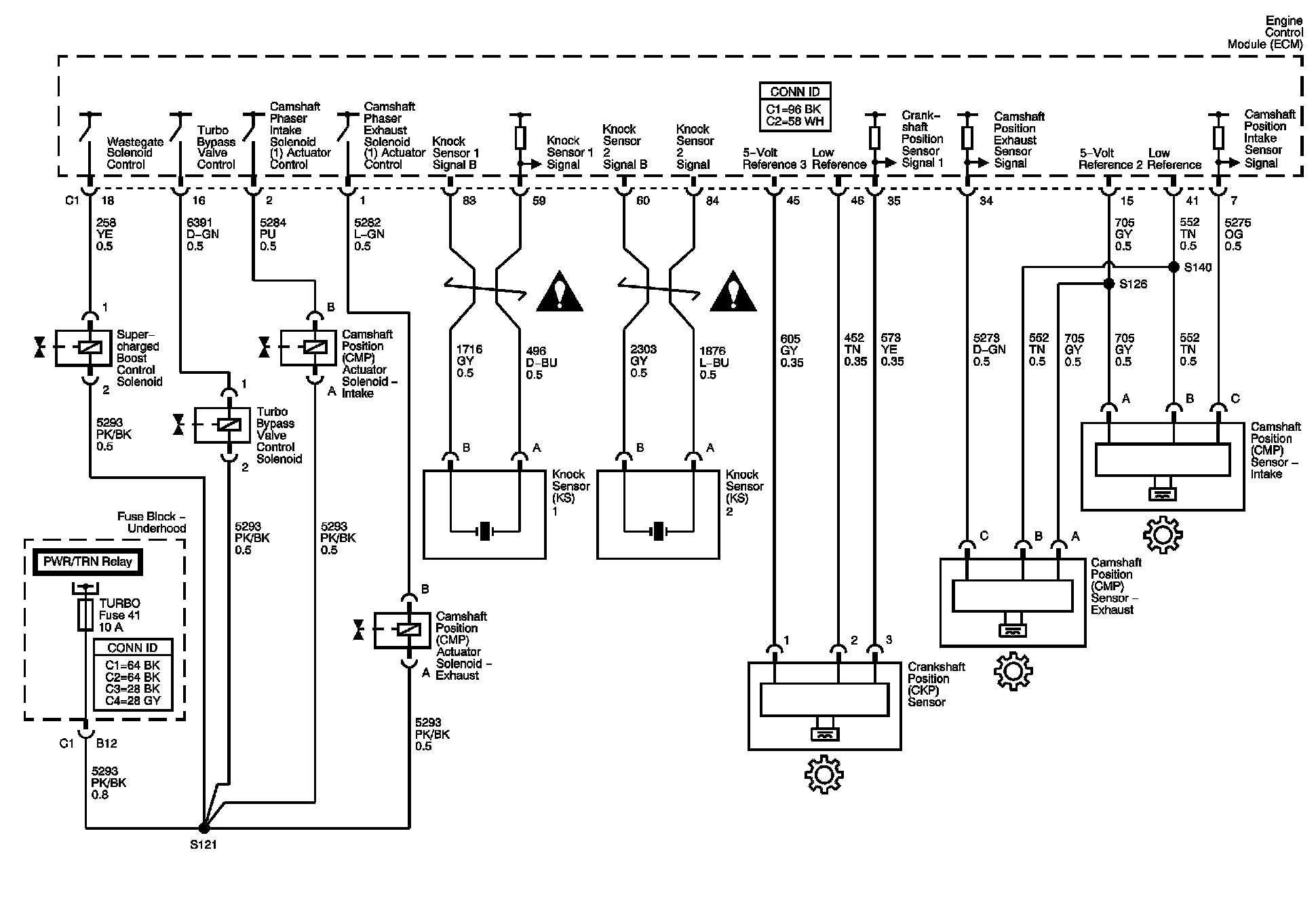
Ignition Controls - Sensors







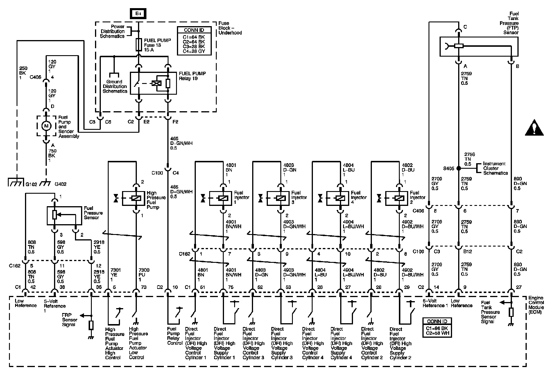
Fuel Controls - Fuel Pump Controls and Fuel Injectors







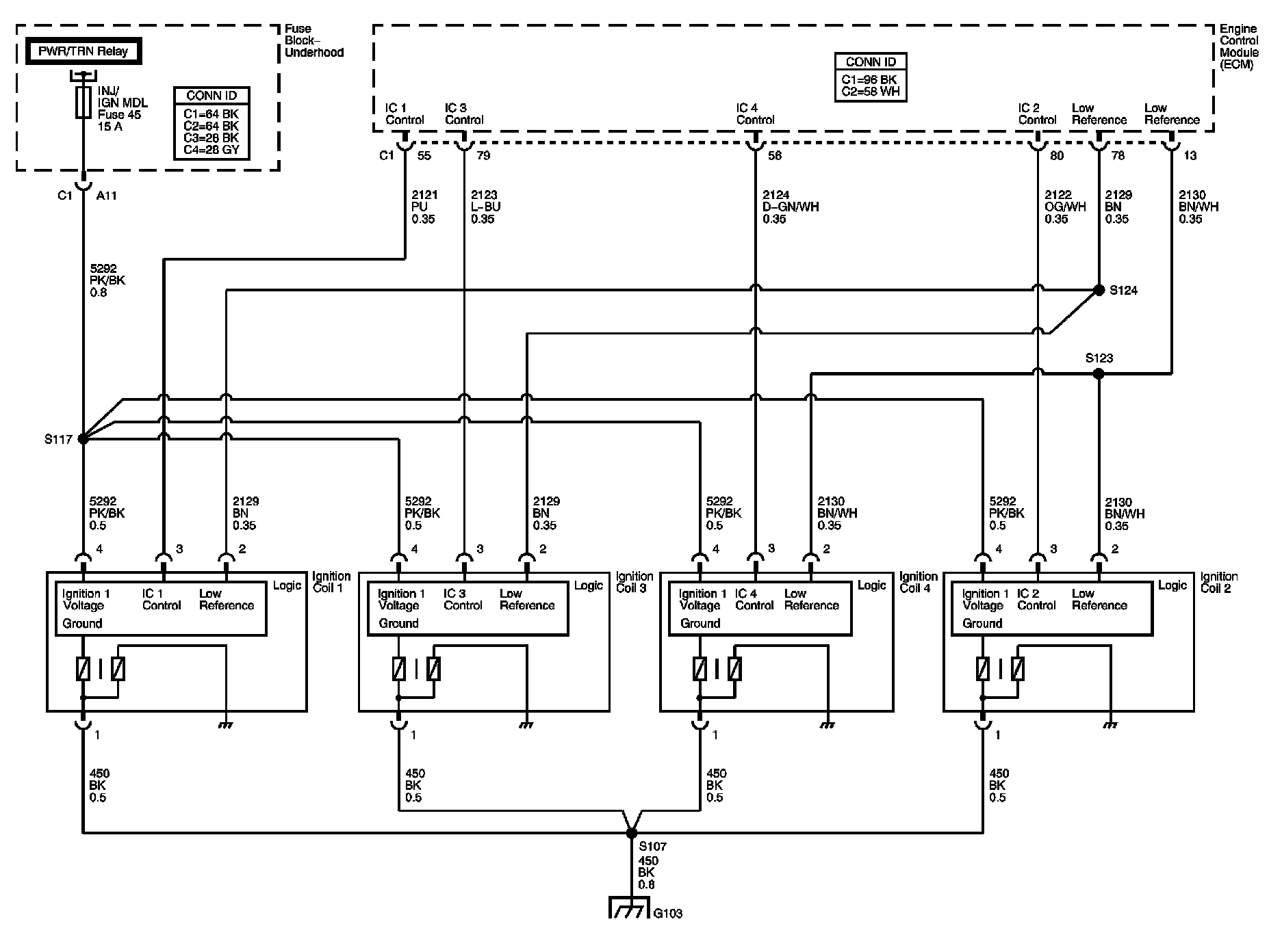
Ignition Controls - Ignition System







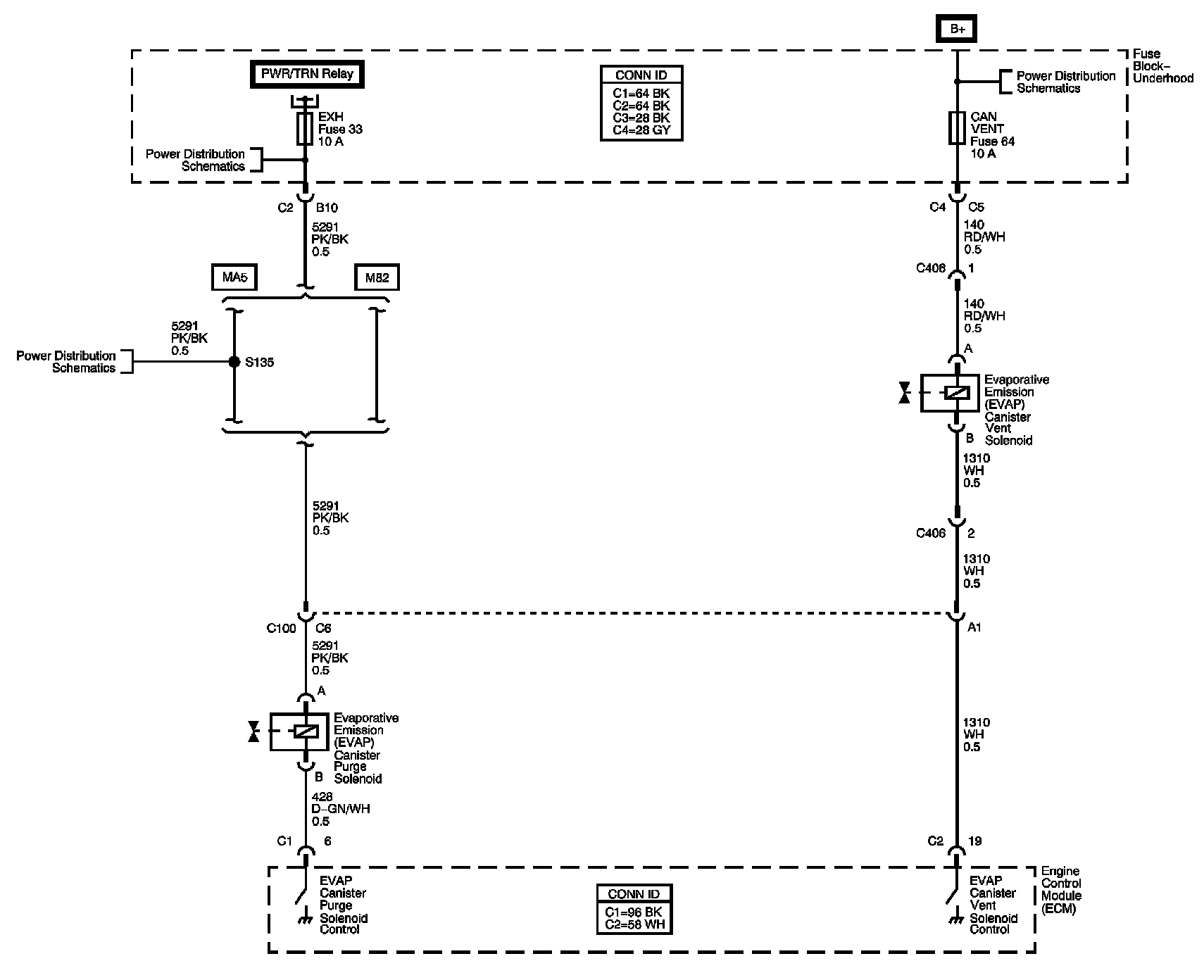
Fuel Controls - EVAP Controls







Controlled/Monitored Subsystem References







Locations: The locations for the Connectors, Grounds, Splices, and Grommets shown within these diagrams can be found via their numbers at Vehicle Locations. Locations