Curiosii for ever!: Car repair manuals for everyone.

Transmission Control Systems



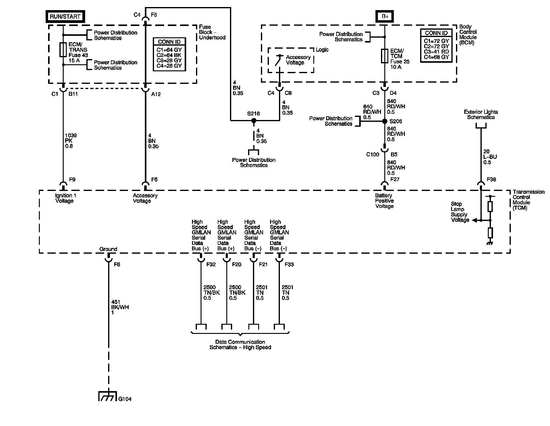
Automatic Transmission Controls Schematics

Automatic Transmission Controls Schematics 1:




Automatic Transmission Controls Schematics 2:





Locations: The locations for the Connectors, Grounds, Splices, and Grommets shown within these diagrams can be found via their numbers at Vehicle Locations. Locations