Curiosii for ever!: Car repair manuals for everyone.

Electrical Diagrams



ENGINE CONTROLS SCHEMATICS

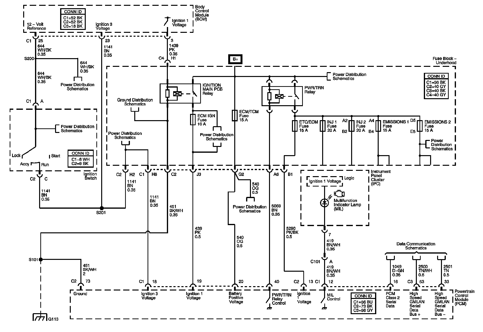
PCM Power, Ground, MIL, and Serial Data







5-Volt and Low Reference Bussing







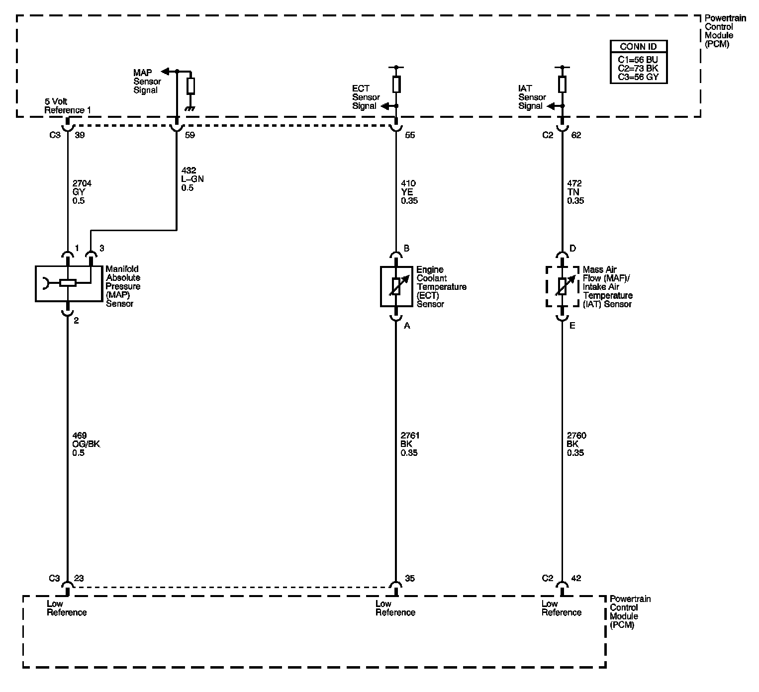
MAP, ECT, and MAF/IAT Sensors







MAF/IAT Sensor, Stop Lamp Switch Signal and VSS







Heated Oxygen Sensors







Electronic Throttle Controls







Ignition Controls Bank 1 (Odd) Ignition Coils







Ignition Controls Bank 2 (Even) Ignition Coils







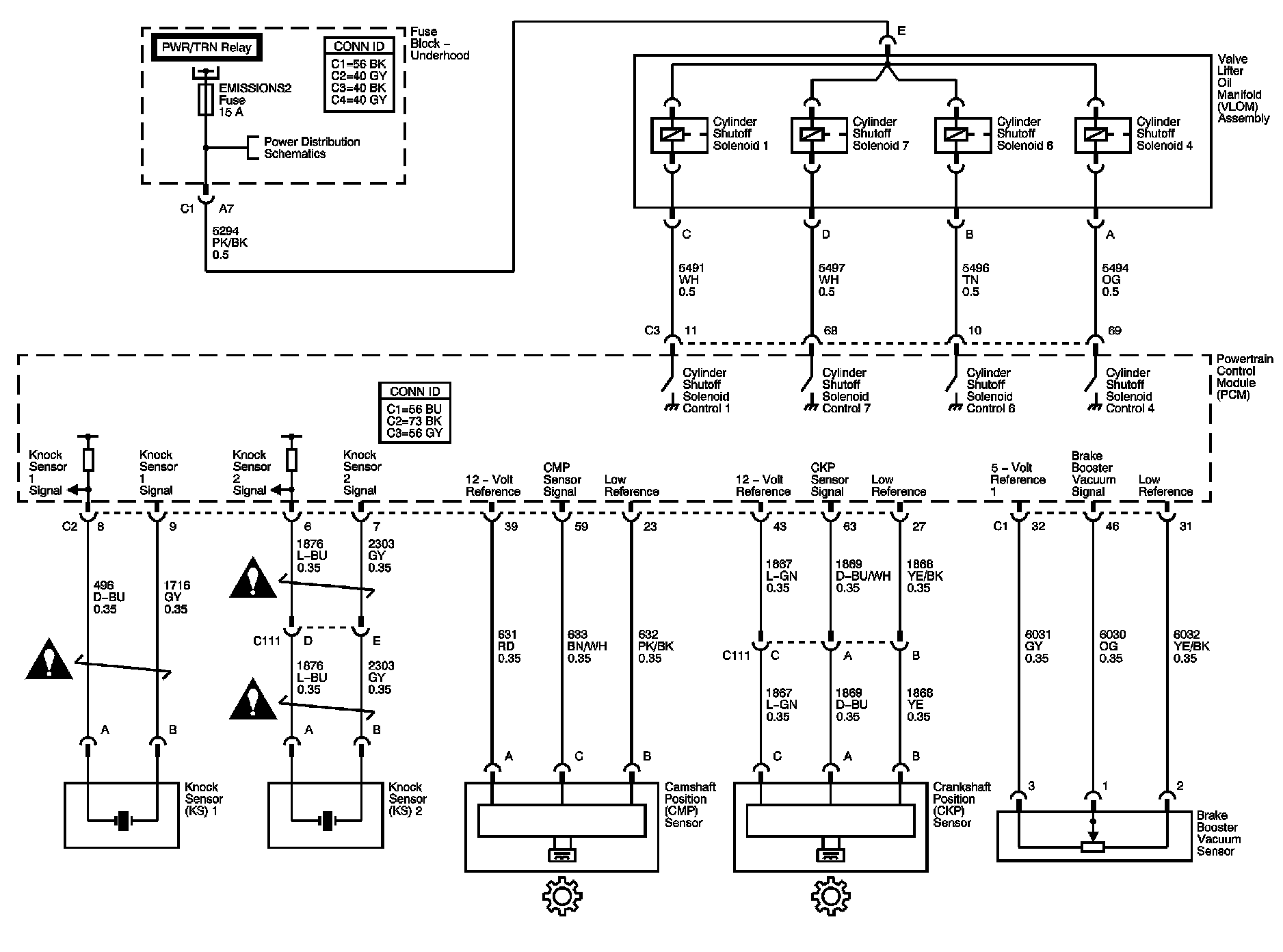
Ignition Controls Knock, CMP, CKP, Brake Booster Vacuum Sensors and Valve Lifter Oil Manifold Assembly







Fuel Pump Controls







Fuel Injectors







EVAP Solenoids and FTP Sensor







Controlled/Monitored Subsystem References







Locations: The locations for the Connectors, Grounds, Splices, and Grommets shown within these diagrams can be found via their numbers at Vehicle Locations. Locations