Curiosii for ever!: Car repair manuals for everyone.

Electrical Diagrams



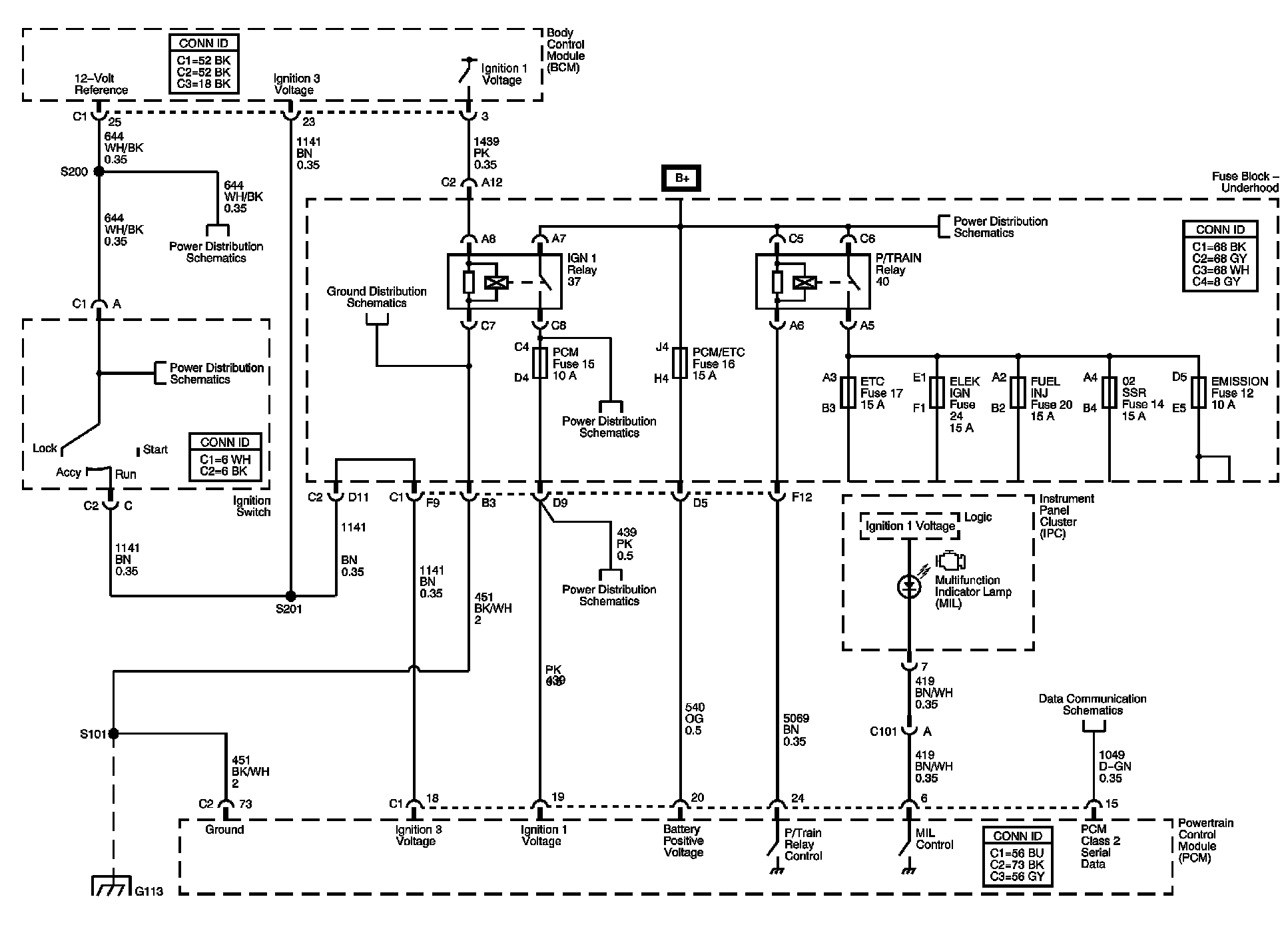
ENGINE CONTROLS SCHEMATICS

PCM Power, Ground, MIL, and Serial Data







5-Volt and Low Reference Bussing







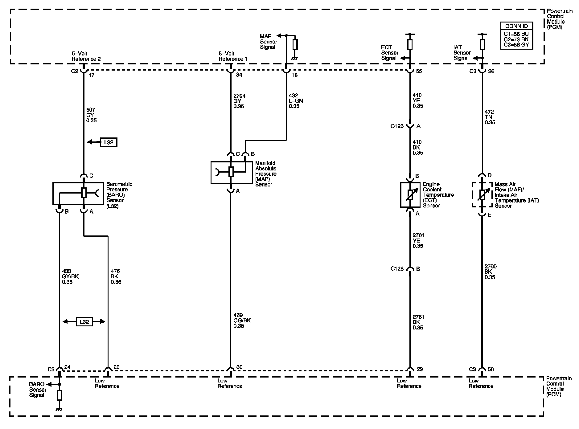
BARO, MAP, ECT, and IAT/MAF Sensors







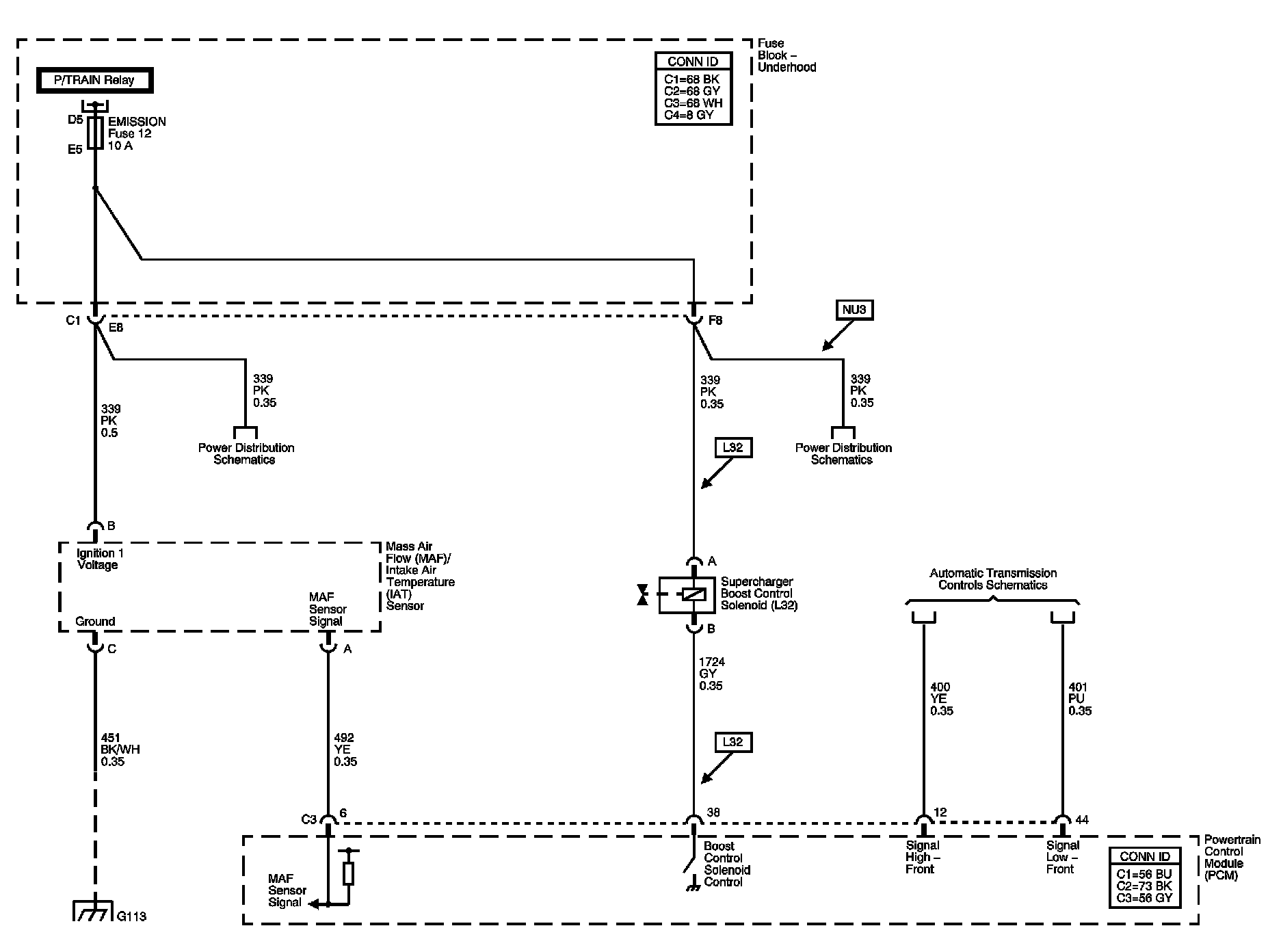
IAT/MAF Sensor, Super Charger Boost Control Solenoid, and A/T Controls VSS References







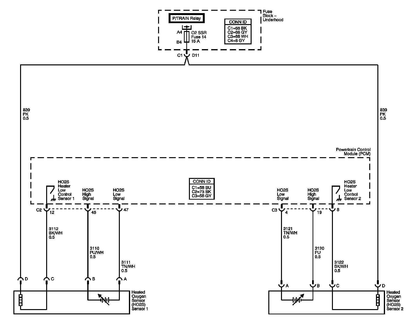
Heated Oxygen Sensors







Electronic Throttle Controls







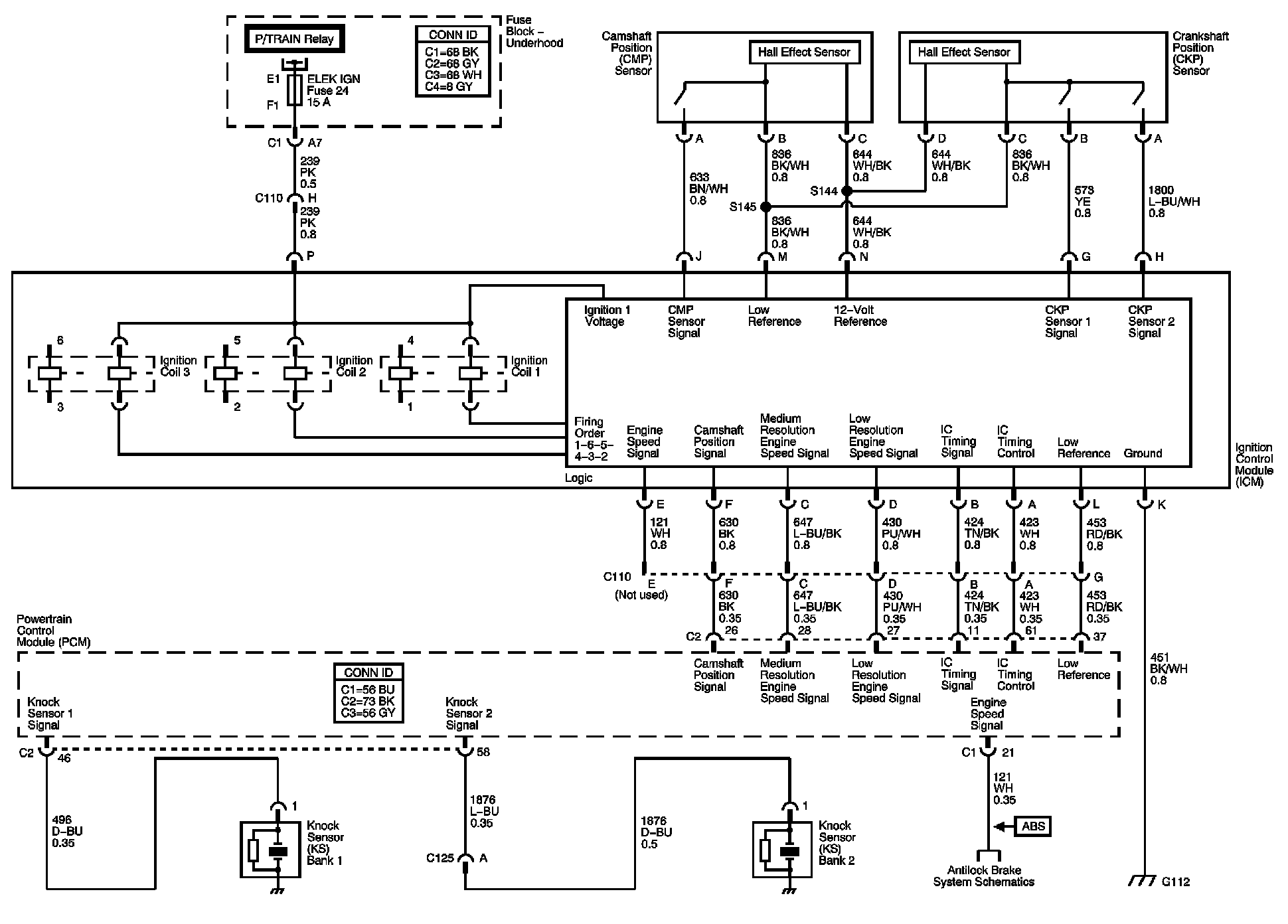
Ignition Control Module







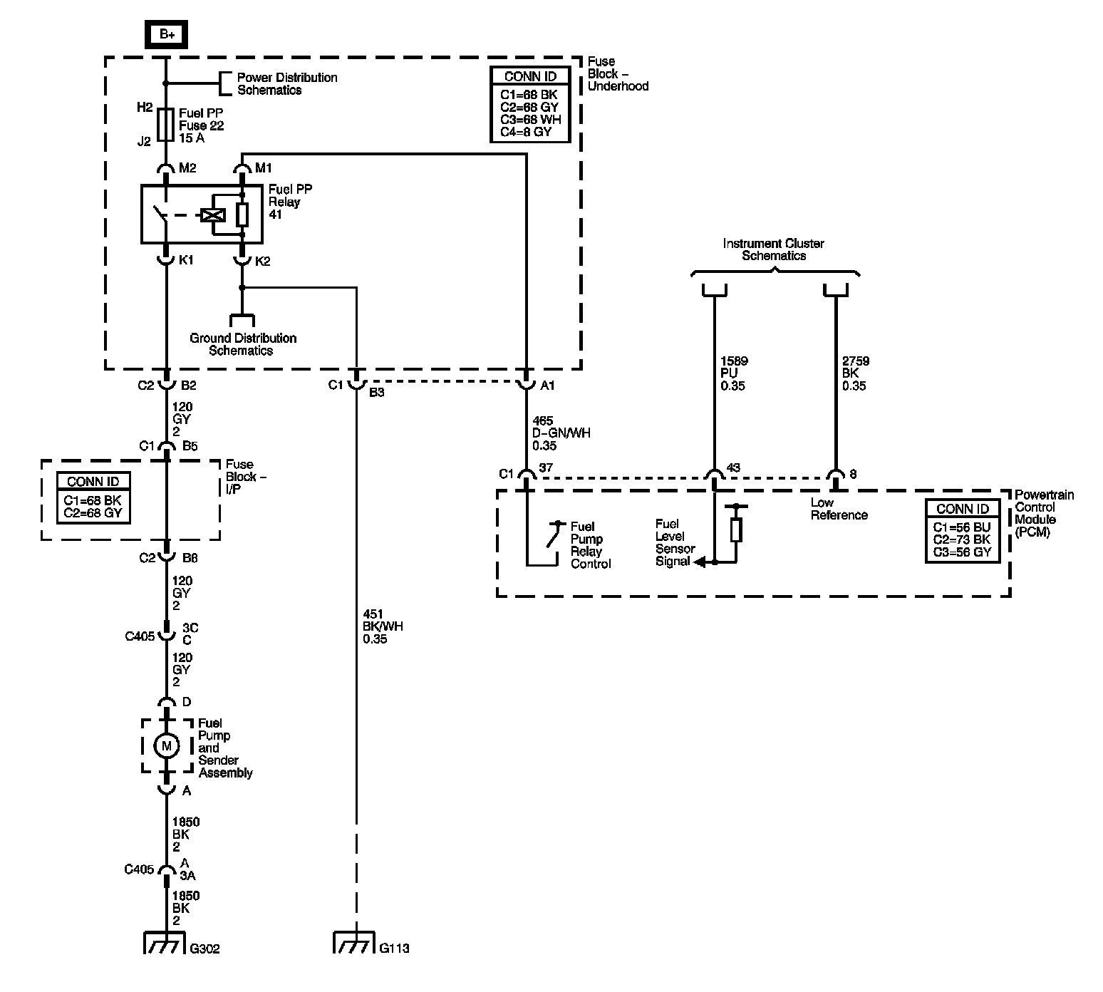
Fuel Pump Controls







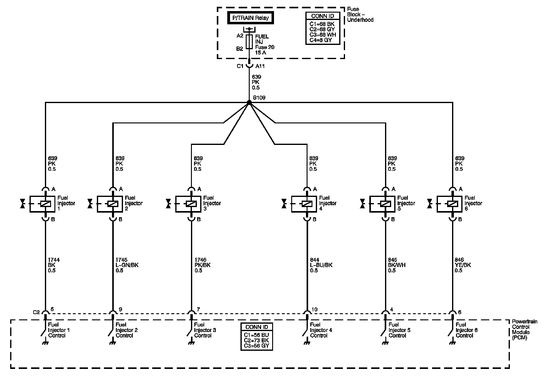
Fuel Injectors







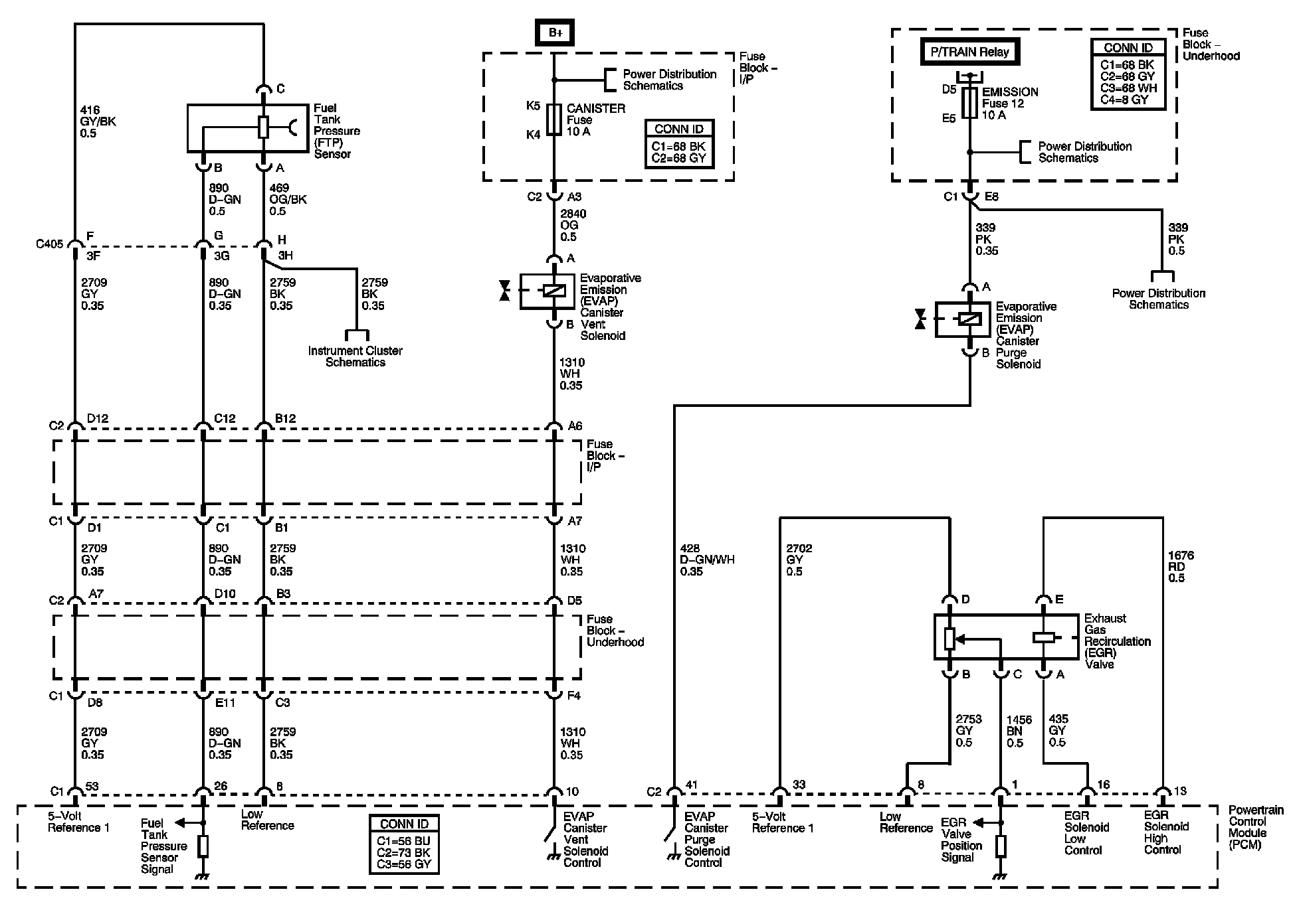
EVAP Solenoids, FTP Sensor, and EGR Valve







Controlled/Monitored Subsystem References







Automatic Transmission Controls References







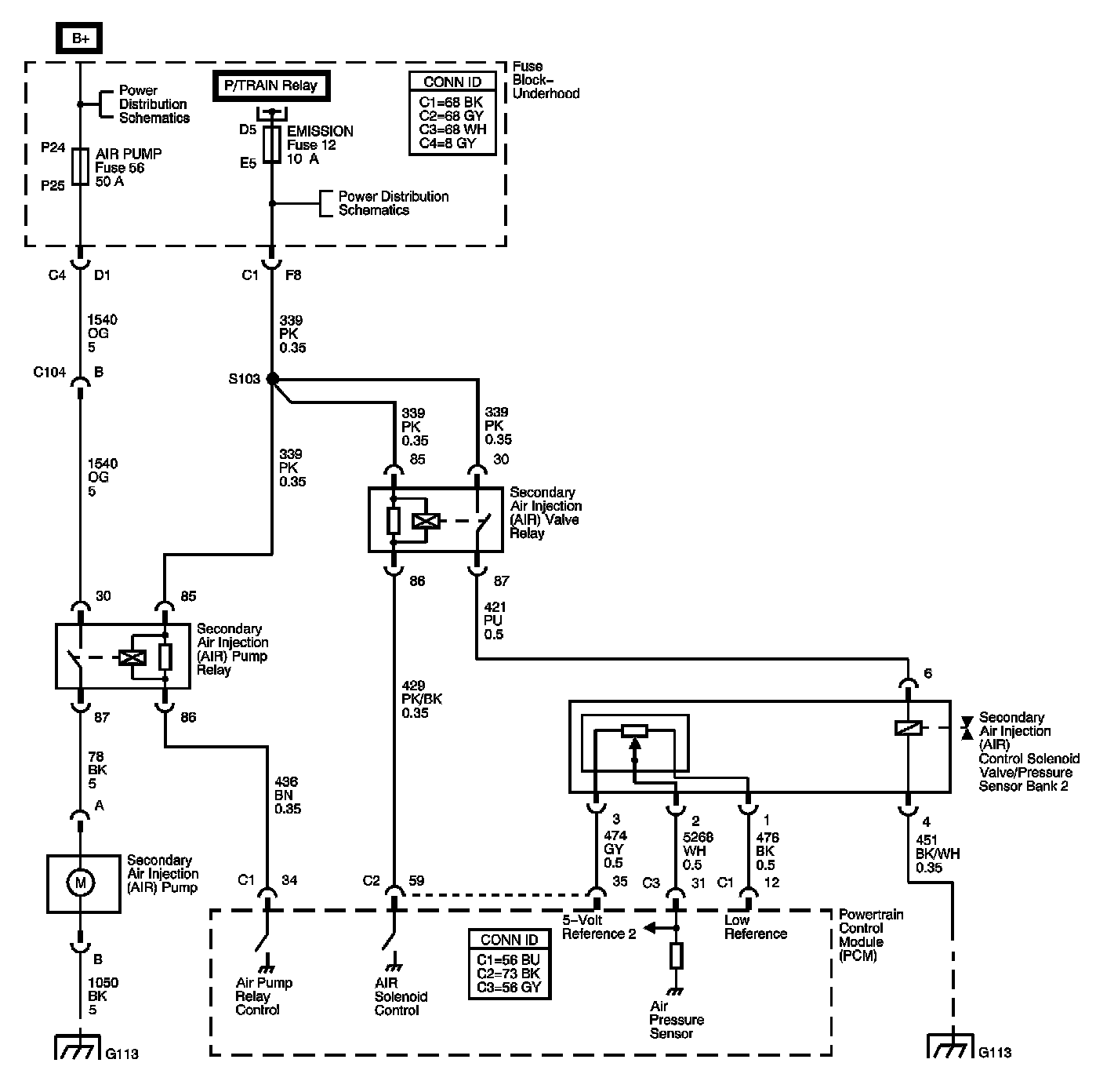
Secondary Air Injection (AIR) - NU6







Locations: The locations for the Connectors, Grounds, Splices, and Grommets shown within these diagrams can be found via their numbers at Vehicle Locations. Locations