Curiosii for ever!: Car repair manuals for everyone.

Engine Support Fixture



Engine Support Fixture

Tools Required

* J 28467-B Universal Engine Support Fixture
* J 36462-A Engine Support Adapter Leg Set
* J-28467-501 Engine Support Fixture Adapters

1. Disconnect the negative battery cable.



2. Remove the left engine mount strut and the bracket from the upper radiator support.
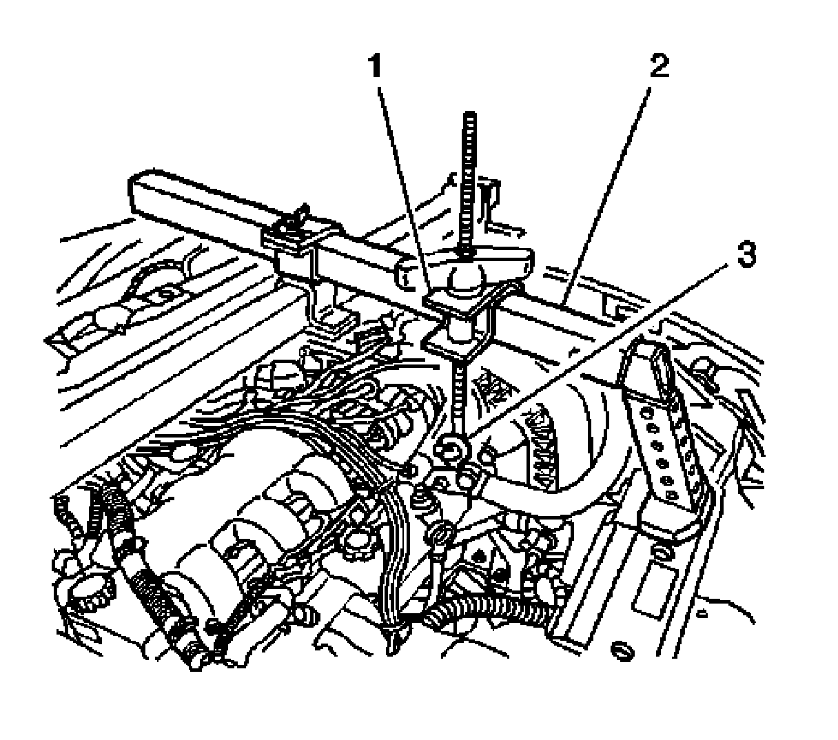
3. Assemble the J-28467-501 (2) to the J 28467-B cross bar (1).
4. Install the J 28467-B (1) and the J-28467-501 (2) to the fender rails.




5. Install the J 36462-A (1) to the cross bar (2).




6. Install the support lift hook (2) to the cross bar (1).
7. Install the support hook (1) to the right engine lift hook (3).




8. Install the support hook (1) to the J 36462-A (2).
9. Install the support hook (1) to the left engine lift hook (3).




10. Raise the engine to release the pressure off of the engine mounts.