Curiosii for ever!
: Car repair manuals for everyone.
Home
>>
Pontiac
>>
2007
>>
Grand Prix V6-3.8L SC
>>
Repair and Diagnosis
>>
Diagrams
>>
Electrical Diagrams
>>
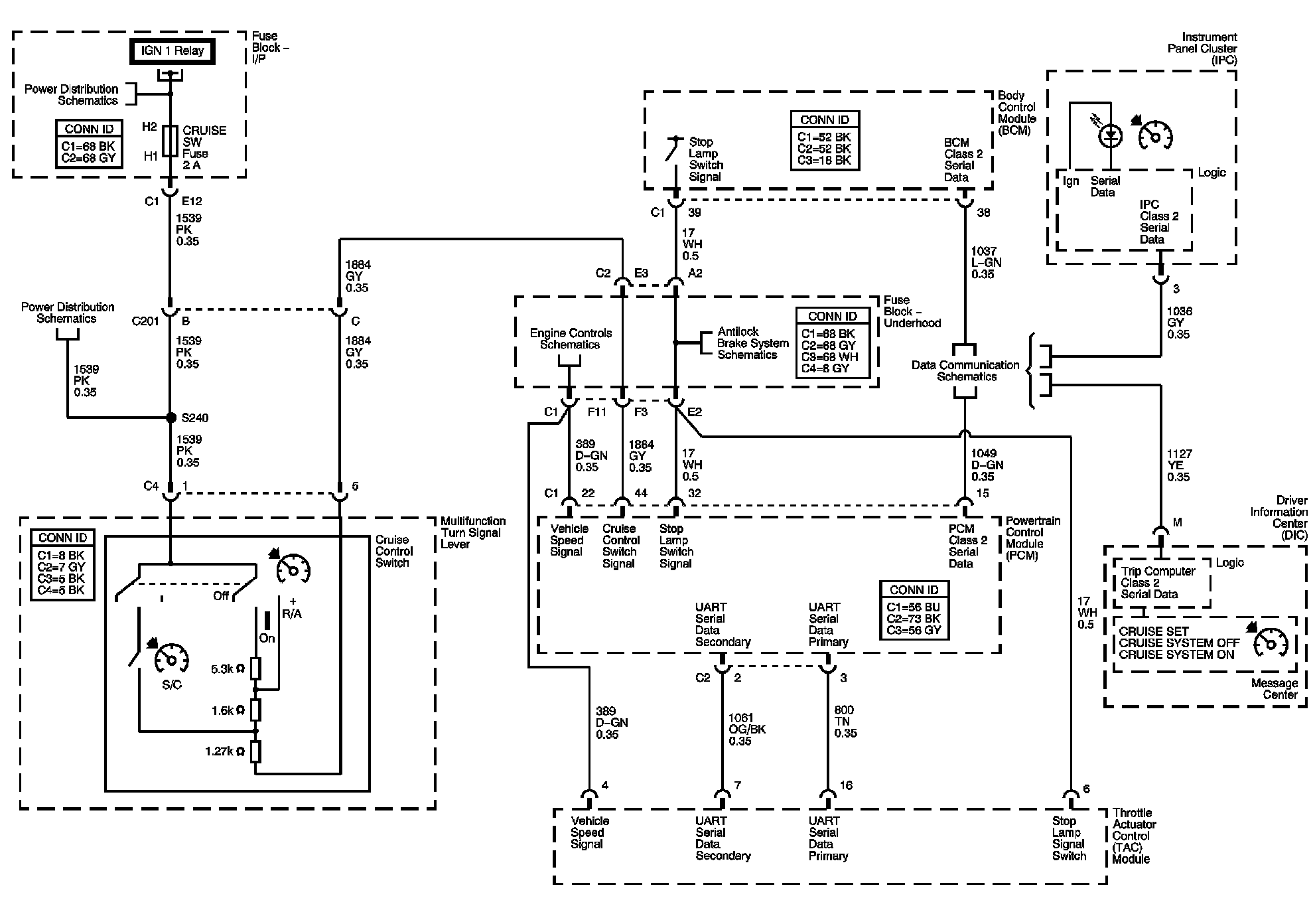
Cruise Control
Cruise Control
Cruise Control
Schematics
L26, L32
Locations:
The locations for the Connectors, Grounds, Splices, and Grommets shown within these diagrams can be found via their numbers at Vehicle Locations.
Locations