Curiosii for ever!
: Car repair manuals for everyone.
Home
>>
Pontiac
>>
2007
>>
G6 V6-3.9L
>>
Repair and Diagnosis
>>
Locations
>>
Harness Locations
>>
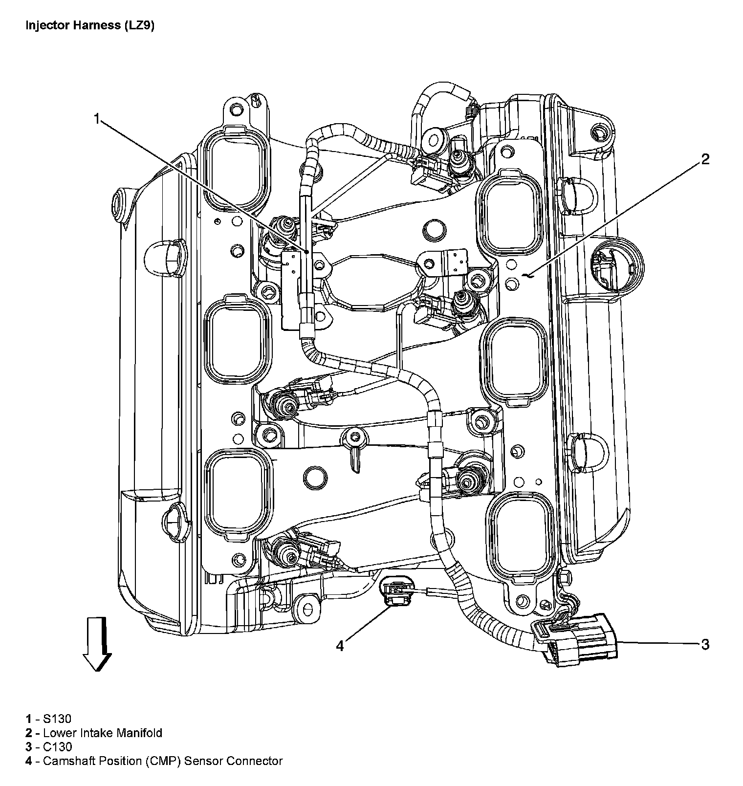
Injector Views
Injector Views
Injector Harness: