Curiosii for ever!: Car repair manuals for everyone.

Electrical Diagrams



ENGINE CONTROLS SCHEMATICS

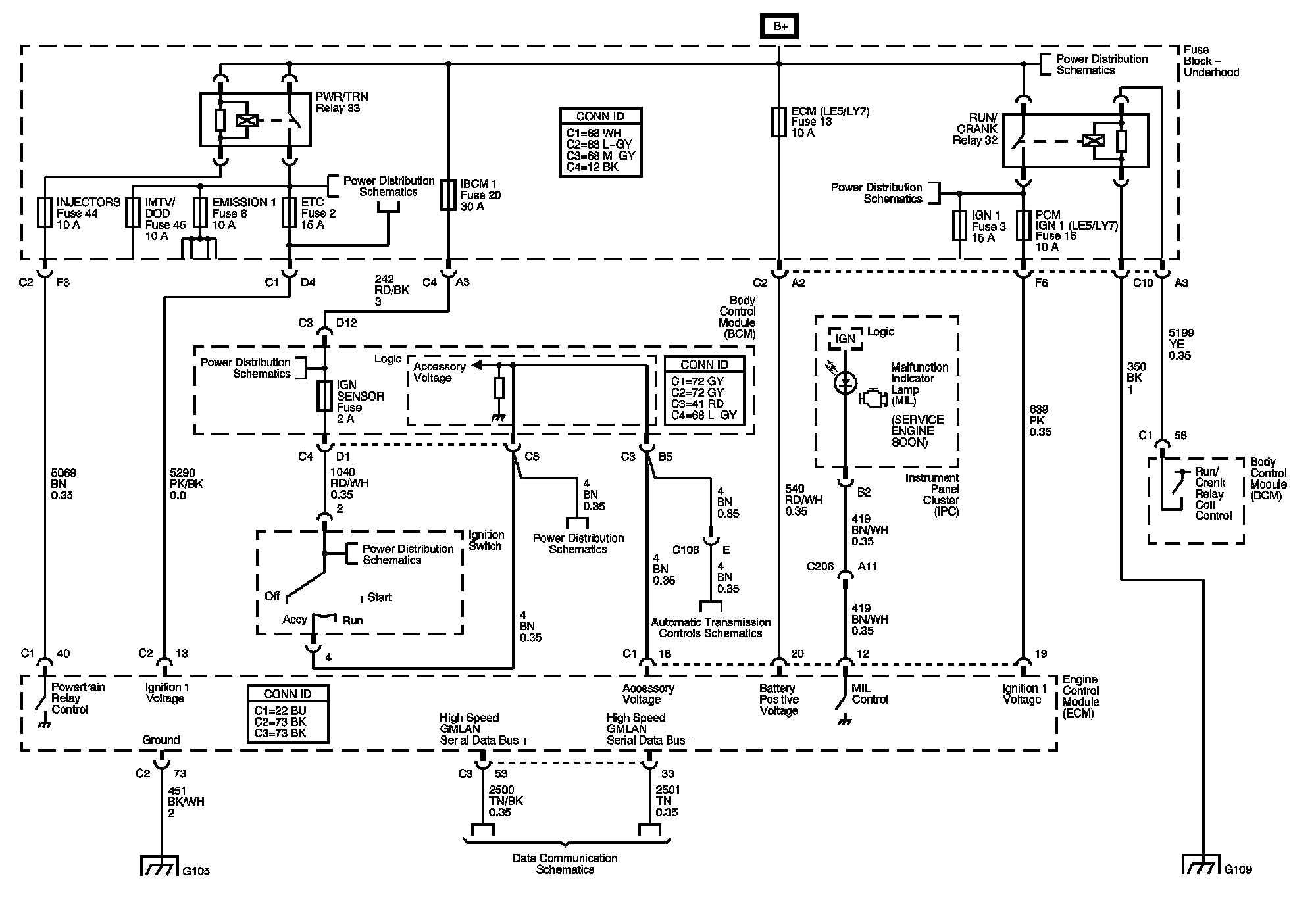
DLC, Ground, MIL and Power







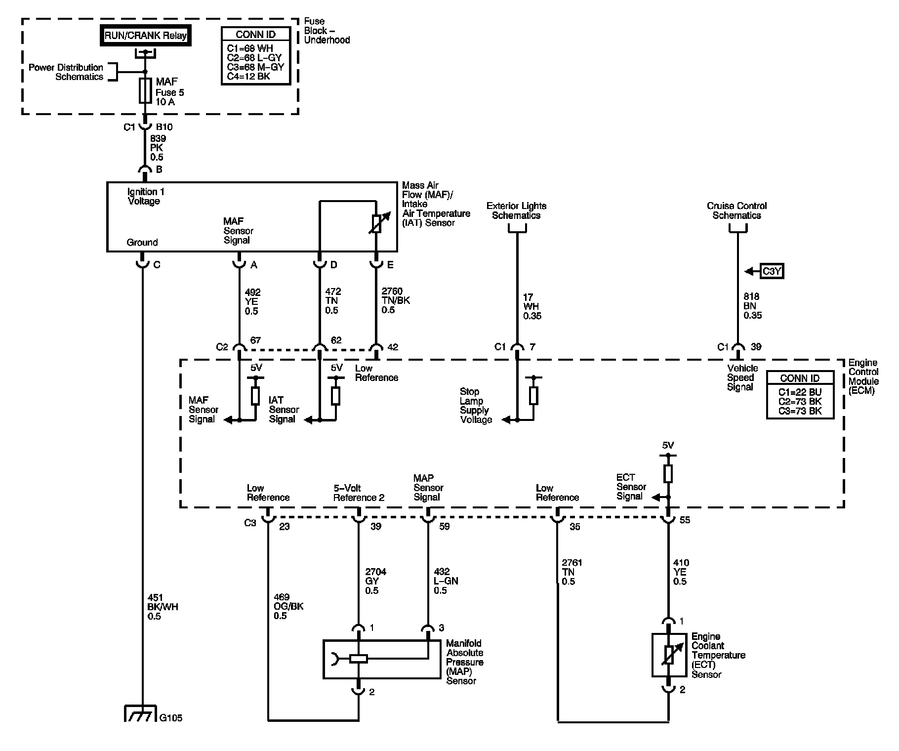
5-Volt and Low References







MAF, VSS and Extended Brake Travel Switch







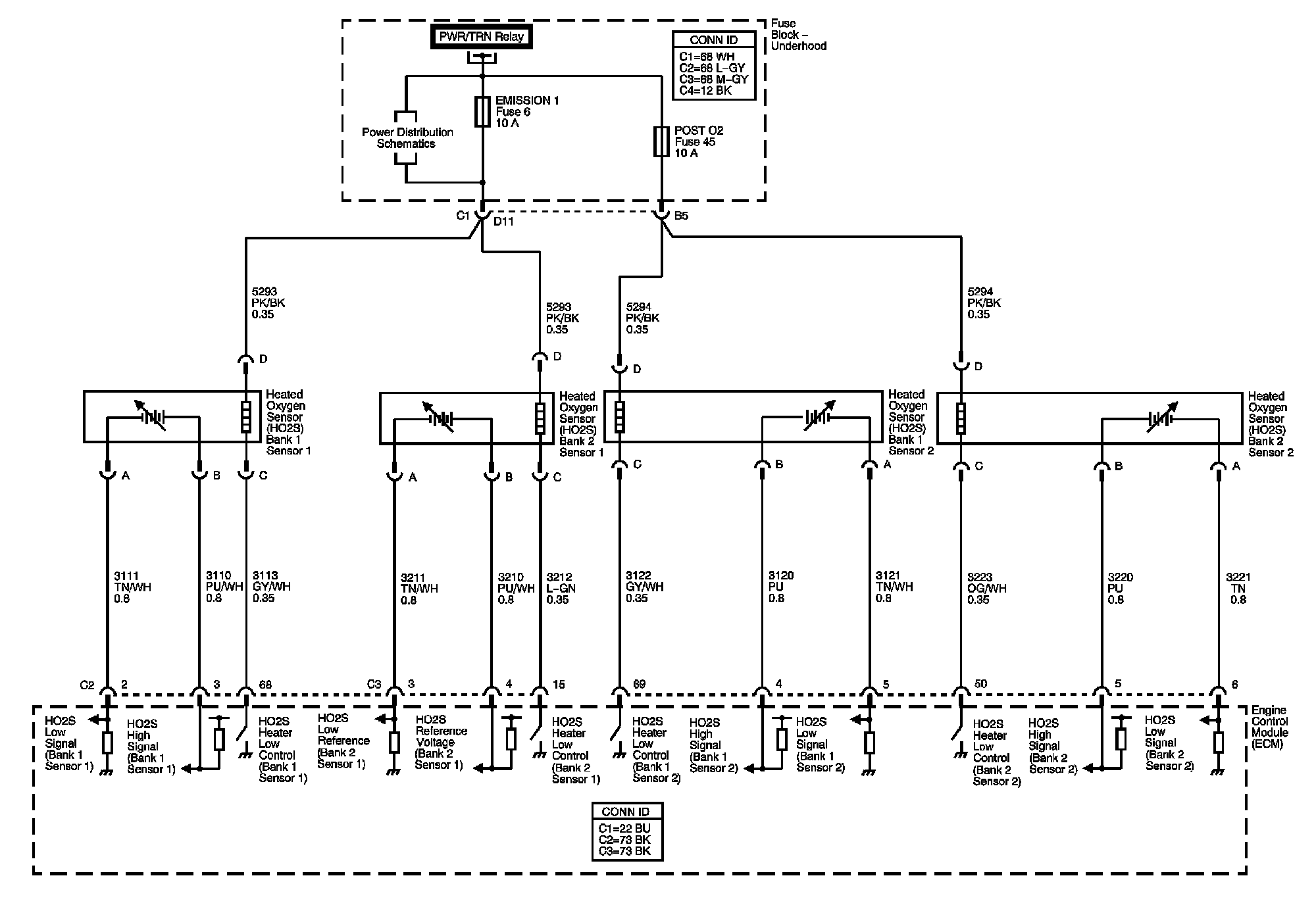
Heated Oxygen Sensors







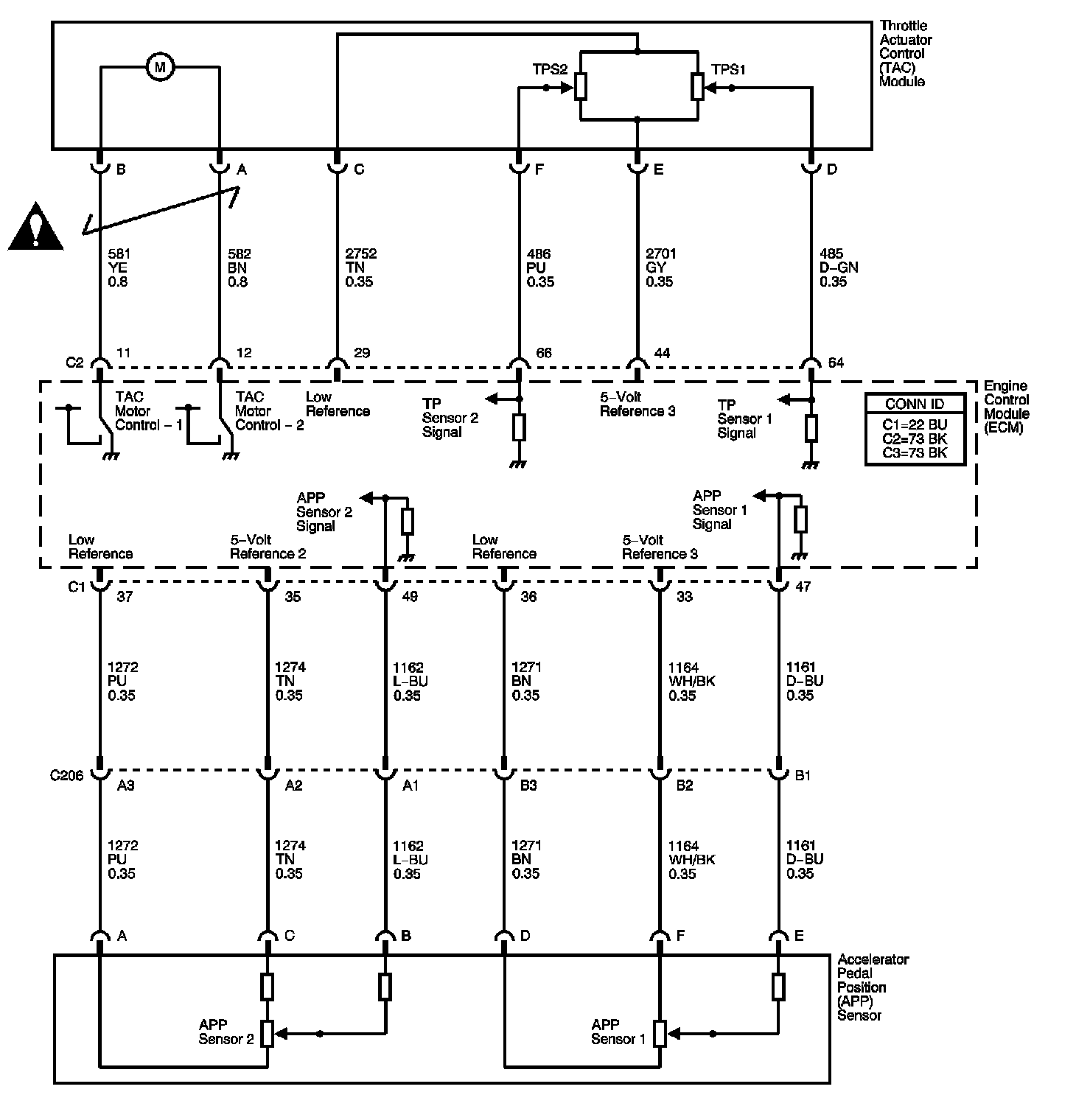
Electronic Throttle Controls







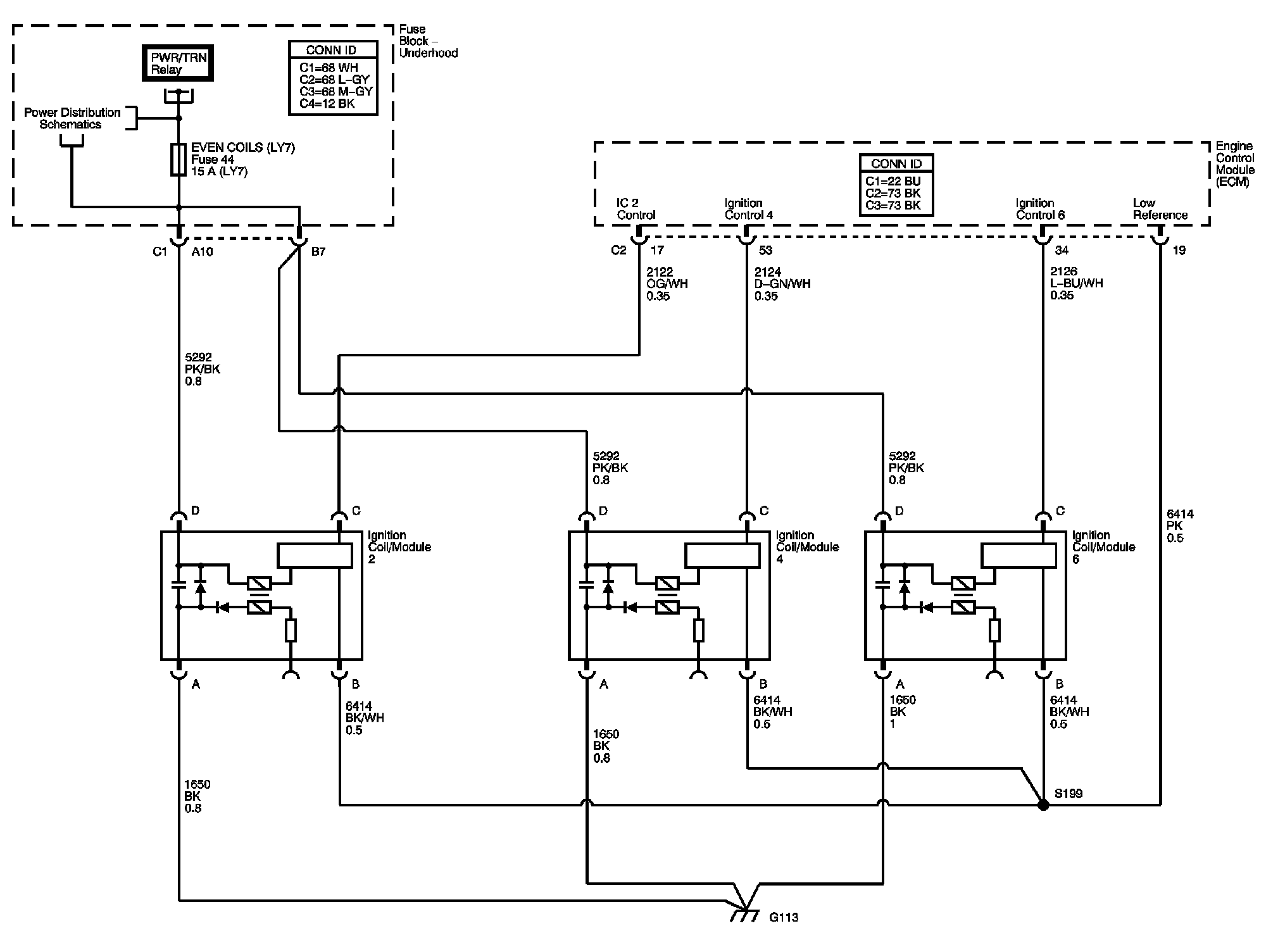
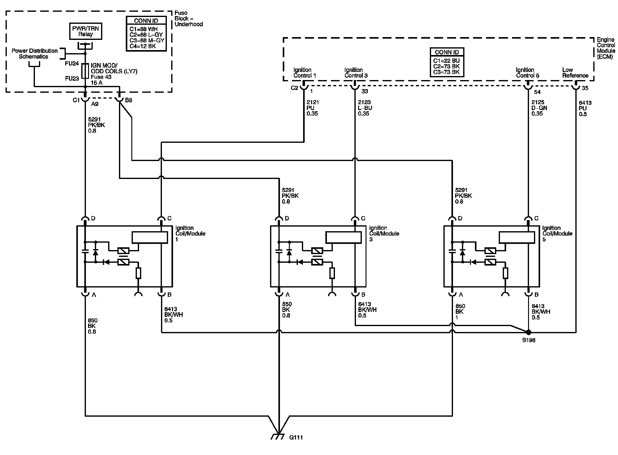
Ignition System







Bank 1 Ignition Coils







Bank 2 Ignition Coils







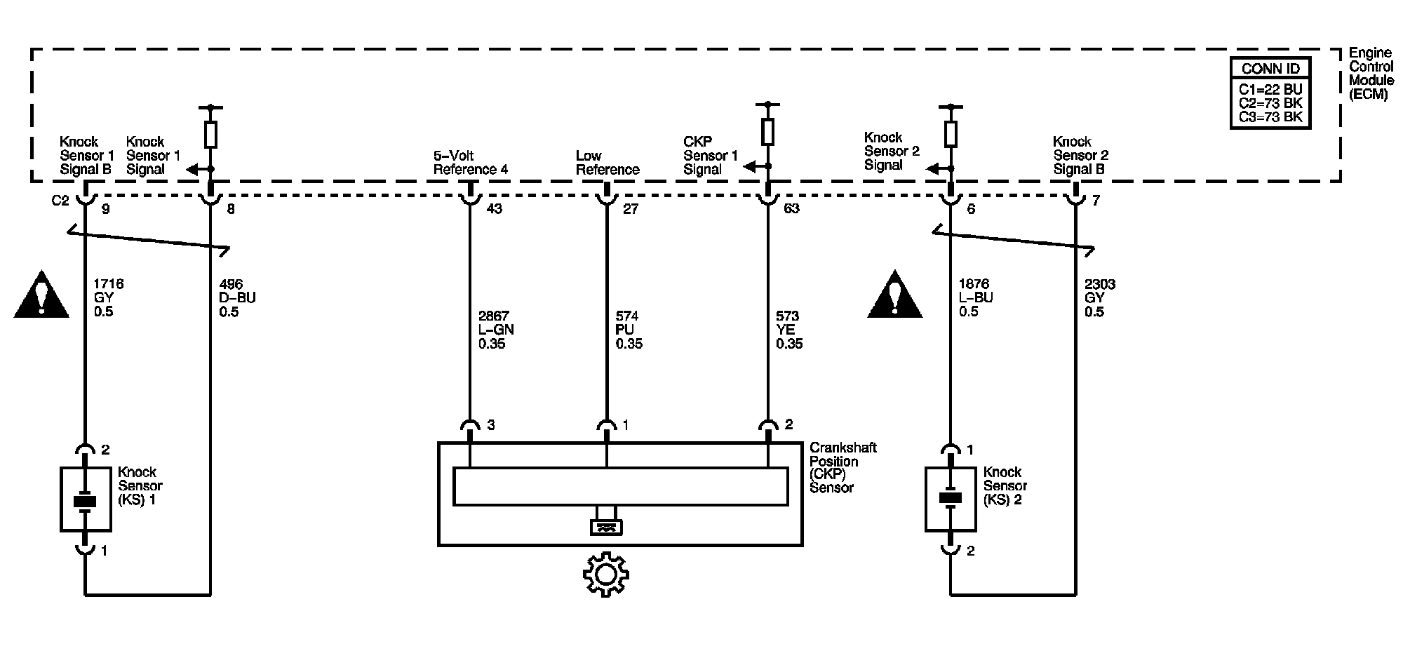
Camshaft Position (CMP) Sensors and Solenoids







Fuel Injectors and Fuel Pump







EVAP Controls and FTP Sensor







Controlled/Monitored Subsystem References







Locations: The locations for the Connectors, Grounds, Splices, and Grommets shown within these diagrams can be found via their numbers at Vehicle Locations. Locations