Curiosii for ever!: Car repair manuals for everyone.

Cruise Control



Cruise Control Schematics

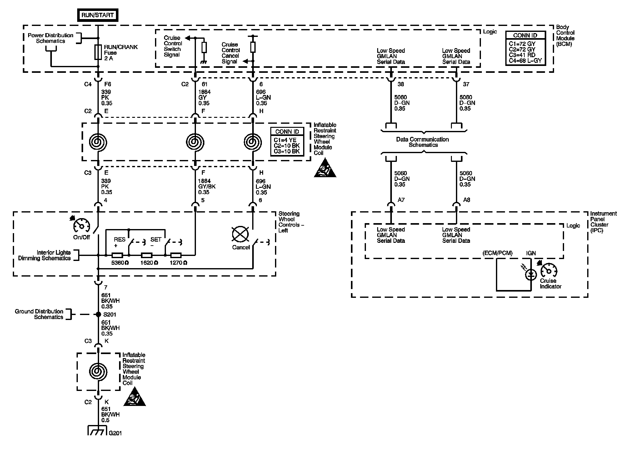
Steering Wheel Controls - 3 Spoke






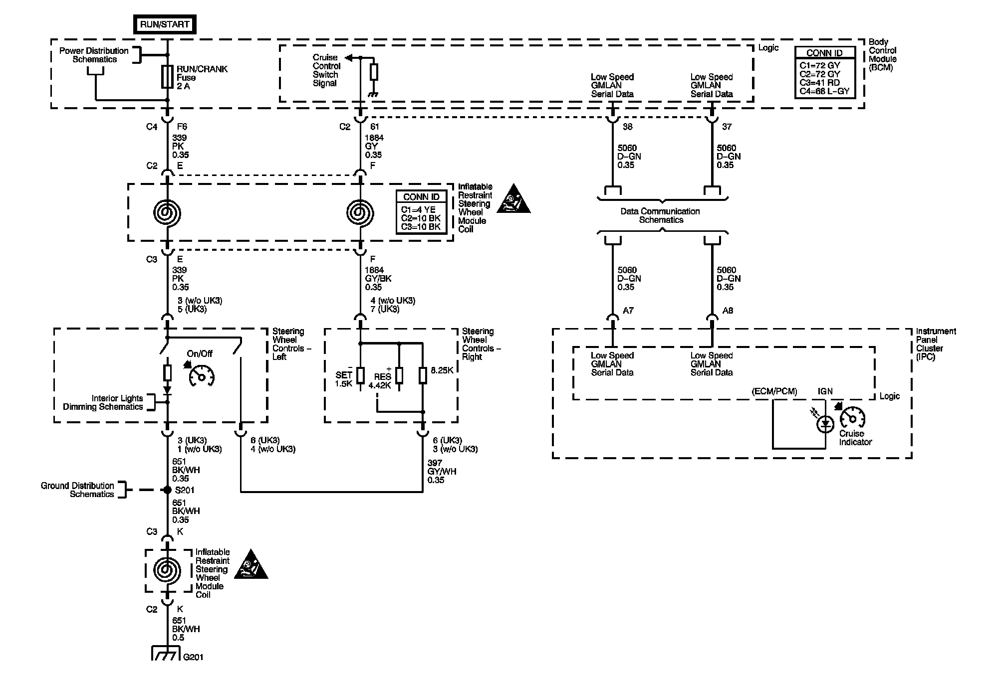
Steering Wheel Controls - 4 Spoke






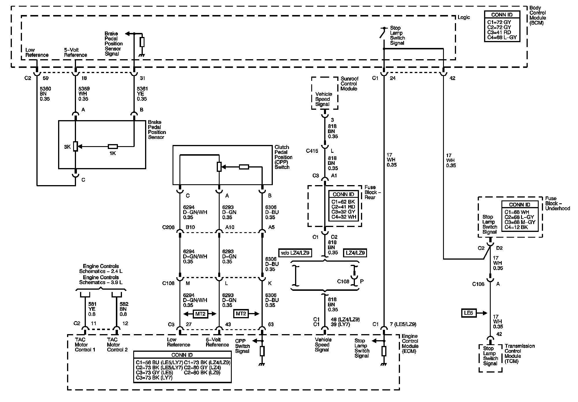
Brake Pedal Position Sensor, Clutch Pedal Position (CPP) Switch and Stop Lamp Switch Signal






Locations: The locations for the Connectors, Grounds, Splices, and Grommets shown within these diagrams can be found via their numbers at Vehicle Locations. Locations