Curiosii for ever!: Car repair manuals for everyone.

Engine Replacement



Engine Replacement

Removal Procedure




1. Disconnect the negative battery cable.
2. Remove the intake manifold cover.
3. Drain the cooling system. Refer to Draining and Filling Cooling System (LY7, LZ4, LZ9 Static Fill) Draining and Filling Cooling System (GE 47716 Fill) Draining and Filling Cooling System (LE5 Static Fill).
4. Drain the engine oil. Refer to Engine Oil and Oil Filter Replacement.
5. Remove the air cleaner assembly.
6. Remove the hood.
7. Remove the engine mount strut.
8. Remove the drive belt.
9. Disconnect the following electrical connectors:

* The knock sensor (KS)
* The camshaft position (CMP) sensor
* The crankshaft position (CKP) sensor
* The heated oxygen sensor (HO2S)
* The manifold absolute pressure (MAP) sensor
* The exhaust gas recirculation (EGR) valve
* The evaporative emission (EVAP) canister purge solenoid
* The electronic throttle control
* The ignition coil
* The body wiring harness-to-engine harness

10. Raise and support the vehicle. Refer to Lifting and Jacking the Vehicle
11. Remove the catalytic converters.
12. Remove the engine wiring harness grounds from the transaxle.
13. Remove the engine mount lower nuts.
14. Remove the torque converter covers.
15. Remove the starter motor.
16. Remove the air conditioning (A/C) compressor. DO NOT discharge the A/C system. Support the compressor.
17. Remove the torque converter bolts.




18. Remove the engine mount bracket bolts and bracket.




19. Remove the engine wiring harness clip from the rear of the transaxle brace.
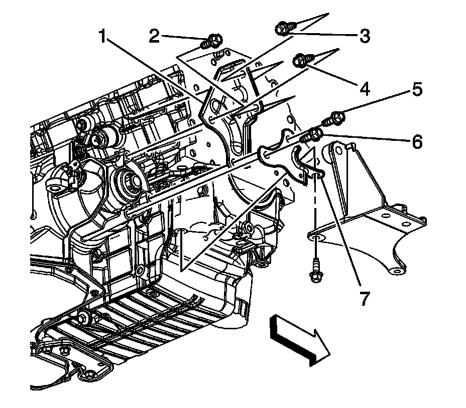
20. Remove the transaxle brace bolts (5 and 6) and remove the brace (7).




21. Remove the transaxle to oil pan brace bolts and brace.




22. Remove the lower transaxle-to-engine bolt (6) and the stud (1).
23. Remove the radiator outlet hose from the engine.
24. Lower the vehicle and support the transaxle.
25. Remove the heater outlet and inlet hoses from the engine.
26. Remove the vacuum hoses from the upper intake manifold.
27. Remove the brake booster vacuum hose from the upper intake manifold.
28. Remove the fuel lines from the fuel rail.
29. Remove the radiator inlet hose from the engine.
30. Install the engine lifting device to the engine.
31. Remove the upper transaxle-to-engine bolts (3, 4, 5) and the stud (2).
32. Remove the engine from the vehicle.
33. Remove the flywheel.
34. Install the engine to the engine stand.

Installation Procedure




1. Remove the engine from the engine stand.
2. Install the flywheel.
3. Install the engine to the vehicle.

Notice: Refer to Fastener Notice.

4. Install the upper transaxle-to-engine bolts (3, 4, 5) and the stud (2).

Tighten the bolts (3, 4, 5) and the stud (2) to 75 Nm (55 lb ft).

5. Remove the engine lifting device.
6. Install the radiator inlet hose to the engine.
7. Install the fuel lines to the fuel rail.
8. Install the brake booster vacuum hose to the upper intake manifold.
9. Install the vacuum hoses to the upper intake manifold.
10. Install the heater inlet and outlet hoses to the engine.
11. Raise the vehicle and remove the transaxle support.
12. Install the radiator outlet hose to the engine.
13. Install the lower transaxle-to-engine bolt (6) and the stud (1).

Tighten the bolt (6) and the stud (1) to 75 Nm (55 lb ft).




14. Position the transaxle to oil pan brace and install the bolts.

Tighten the bolts to 50 Nm (37 lb ft).




15. Position the transaxle brace (7) to the transaxle and install the bolts (5 and 6) until snug.
16. Install the engine wiring harness clip to the rear of the transaxle brace.




17. Position the engine mount bracket to the engine and install the bolts until snug.
18. Tighten the engine mount bracket bolts and transaxle brace bolts.

* Tighten the engine mount bracket upper bolt to 90 Nm (66 lb ft).
* Tighten the engine mount bracket lower bolts to 50 Nm (37 lb ft).
* Tighten the transaxle brace bolts to 72 Nm (53 lb ft).

19. Install the torque converter bolts.
20. Install the A/C compressor.
21. Install the starter motor.
22. Install the torque converter covers.




23. Install the engine mount lower nuts.

Tighten the nuts to 43 Nm (32 lb ft).

24. Install the engine wiring harness grounds to the transaxle.
25. Install the engine wiring harness ground nut to the transaxle stud.

Tighten the nut to 35 Nm (26 lb ft).

26. Install the catalytic converters.
27. Lower the vehicle.
28. Connect the following electrical connectors:

* The body wiring harness-to-engine harness
* The ignition coil
* The electronic throttle control
* The EVAP canister purge solenoid
* The EGR valve
* The MAP sensor
* The HO2S
* The CKP sensor
* The CMP sensor
* The KS

29. Install the drive belt.
30. Install the engine mount strut.
31. Install the hood.
32. Install the air cleaner assembly.
33. Connect the negative battery cable.
34. Fill the crankcase with engine oil. Refer to Engine Oil and Oil Filter Replacement.
35. Fill cooling system. Refer to Draining and Filling Cooling System (LY7, LZ4, LZ9 Static Fill) Draining and Filling Cooling System (GE 47716 Fill) Draining and Filling Cooling System (LE5 Static Fill).
36. Perform a CKP system variation learn procedure. Refer to Crankshaft Position System Variation Learn. Service and Repair
37. Install the intake manifold cover.
38. Inspect for leaks.