Curiosii for ever!: Car repair manuals for everyone.

Electrical Diagrams



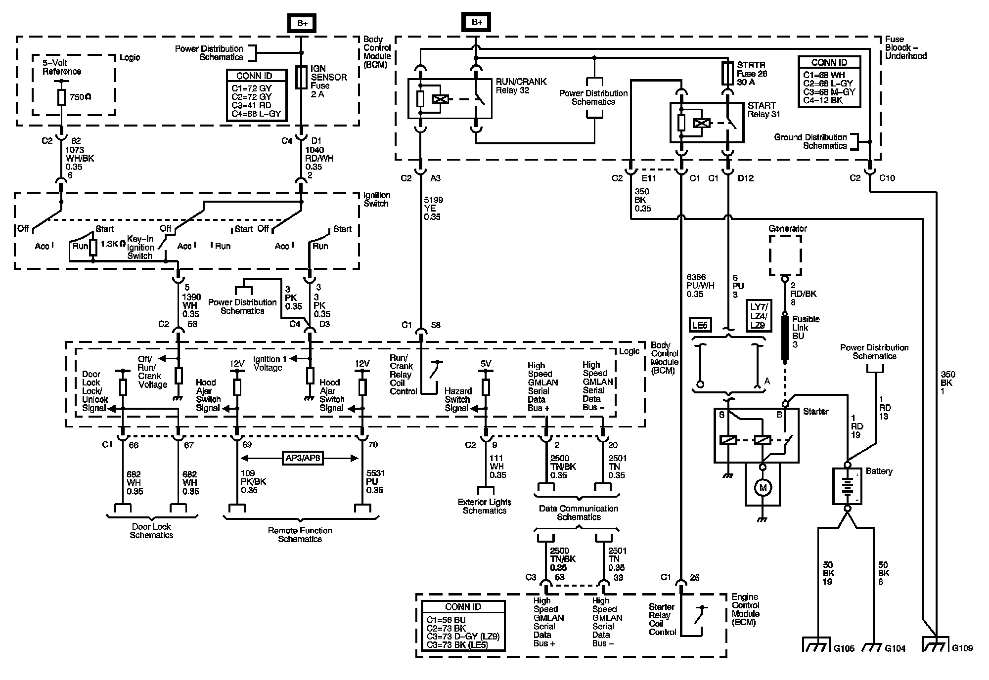
Starting and Charging Schematics

Starting System - LE5/LY7






Charging System






Locations: The locations for the Connectors, Grounds, Splices, and Grommets shown within these diagrams can be found via their numbers at Vehicle Locations. Locations