Curiosii for ever!: Car repair manuals for everyone.

Electrical Diagrams



ENGINE CONTROLS SCHEMATICS

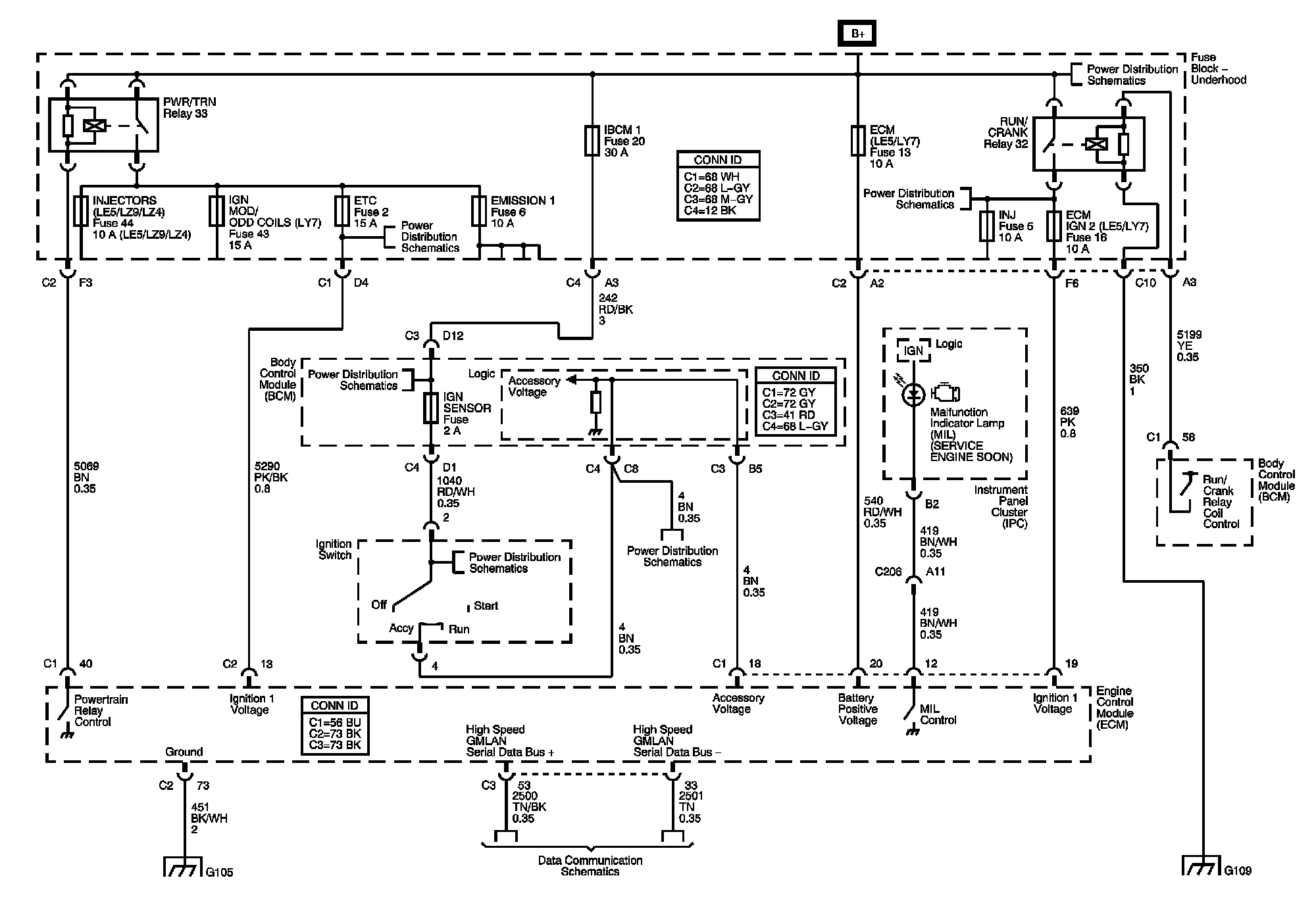
DLC, Ground, MIL and Power







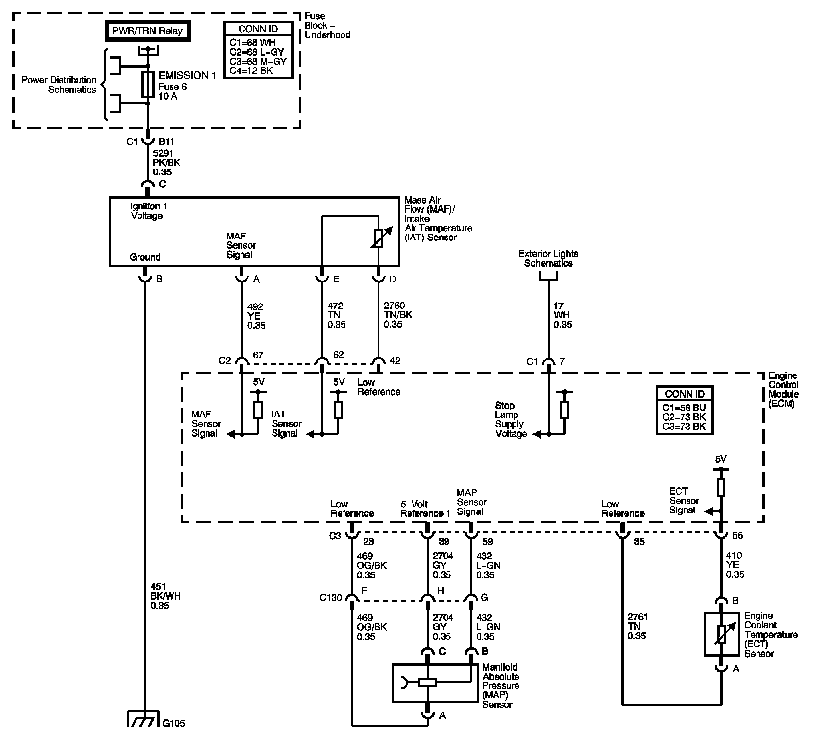
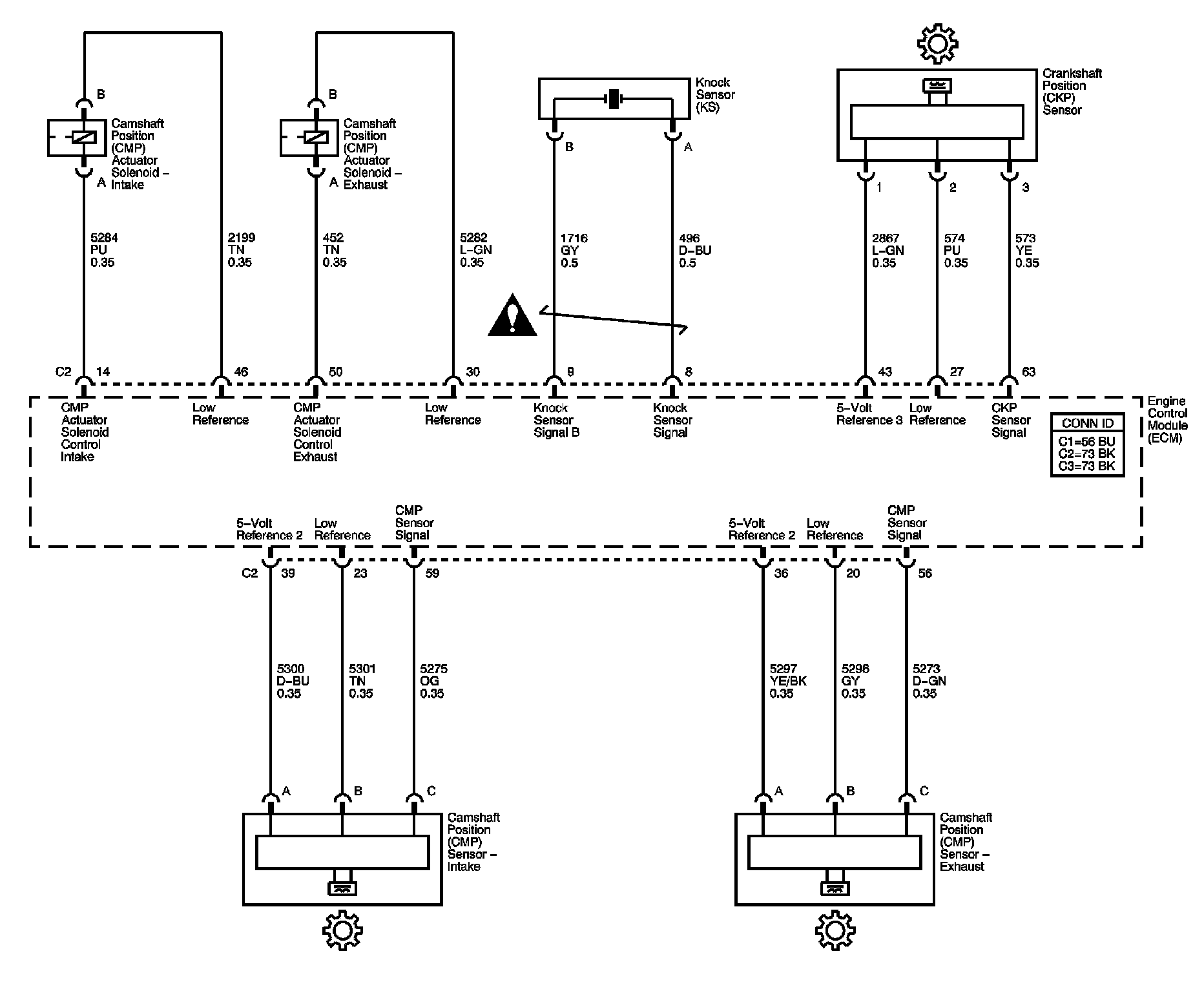
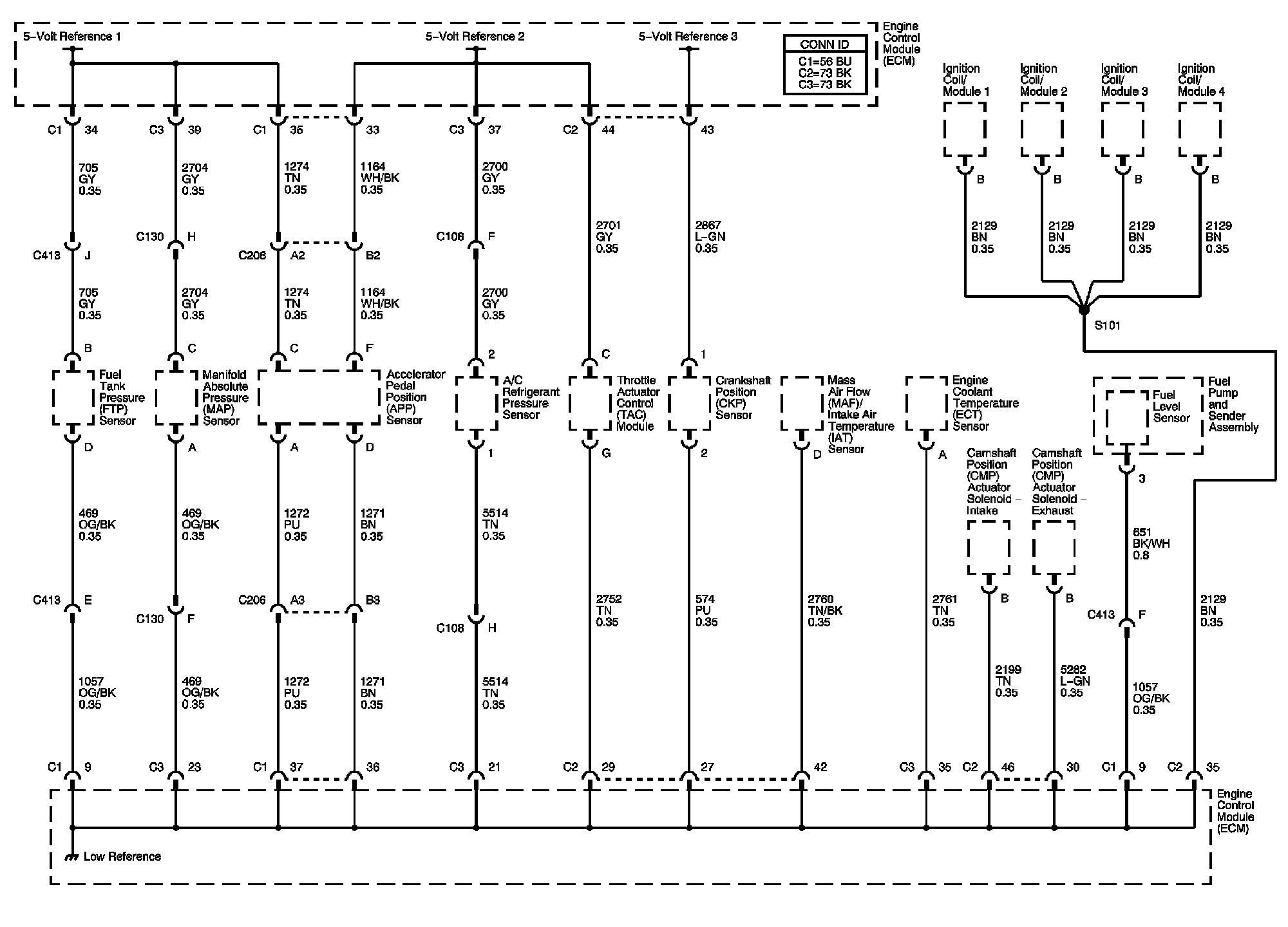
5-Volt and Low References







MAF, VSS and Extended Brake Travel Switch







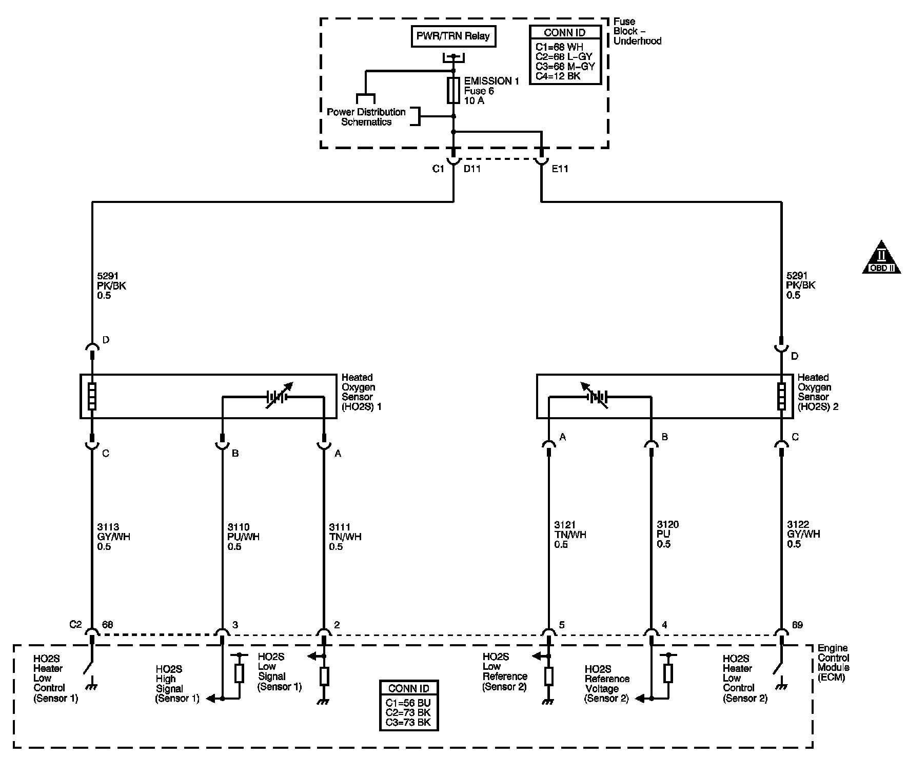
Heated Oxygen Sensors







Electronic Throttle Controls







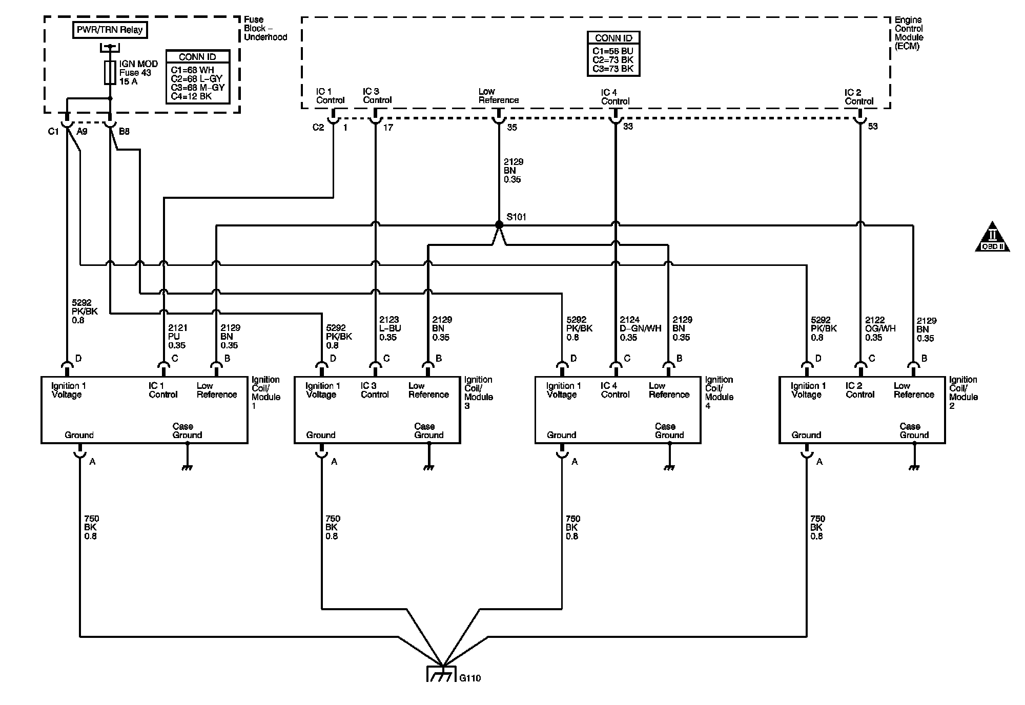
Ignition Coils/Modules







Ignition Sensors







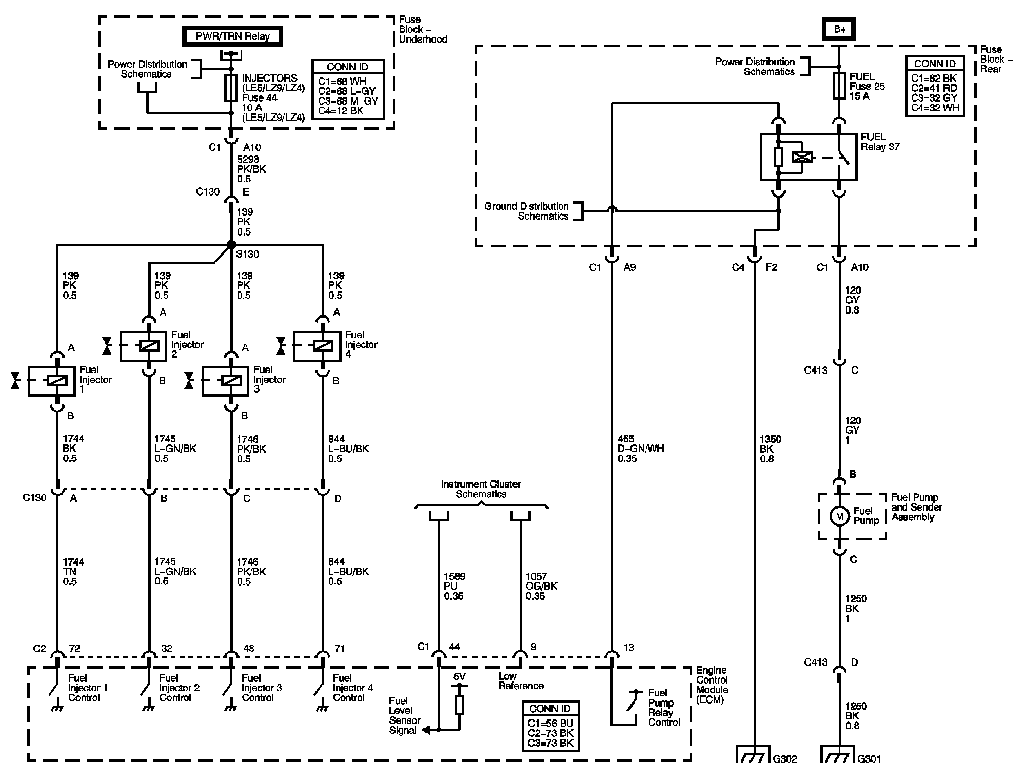
Fuel Injectors and Fuel Pump







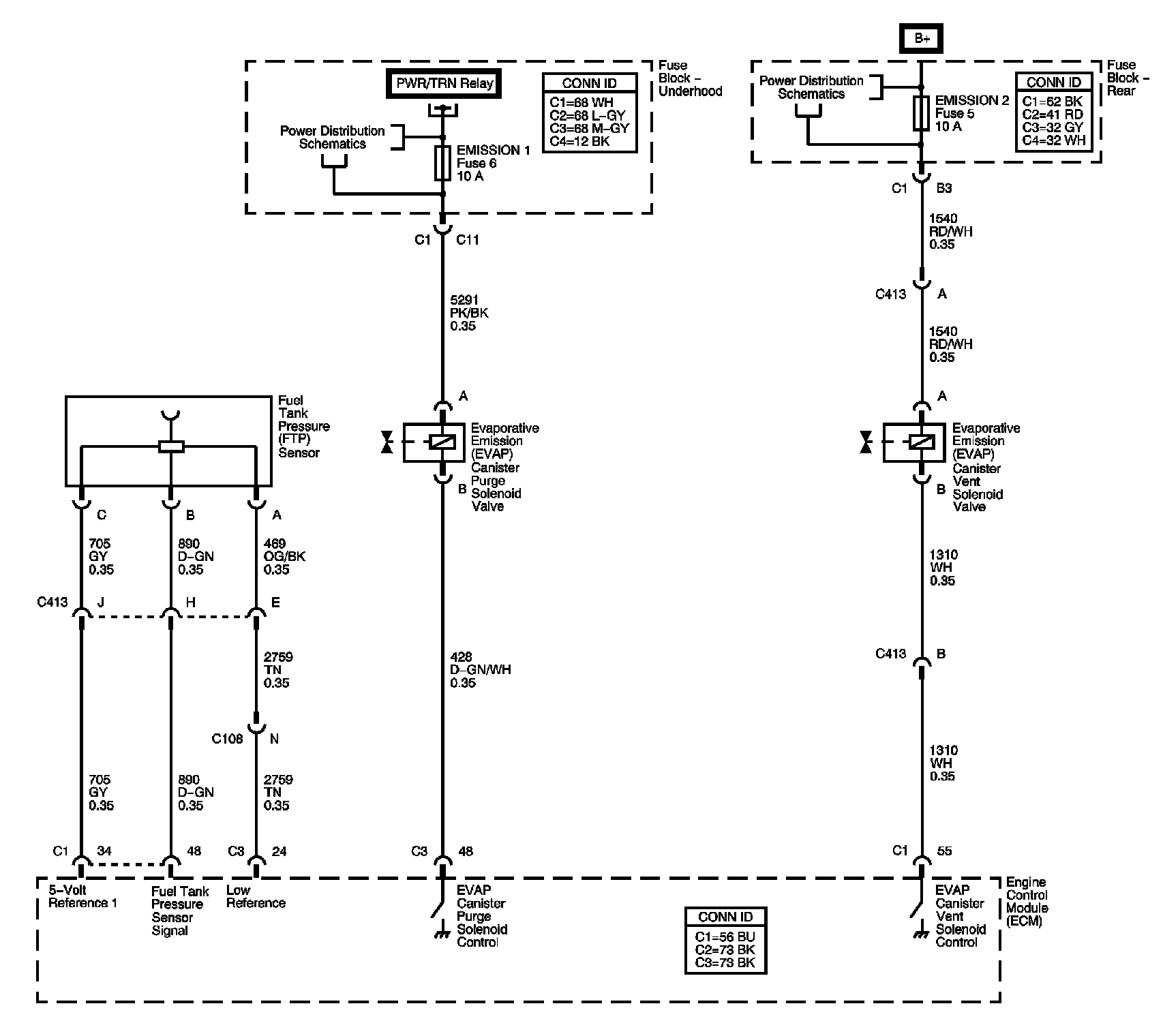
EVAP Controls and FTP Sensor







Controlled/Monitored Subsystem References







Locations: The locations for the Connectors, Grounds, Splices, and Grommets shown within these diagrams can be found via their numbers at Vehicle Locations. Locations