Curiosii for ever!: Car repair manuals for everyone.

Information Bus



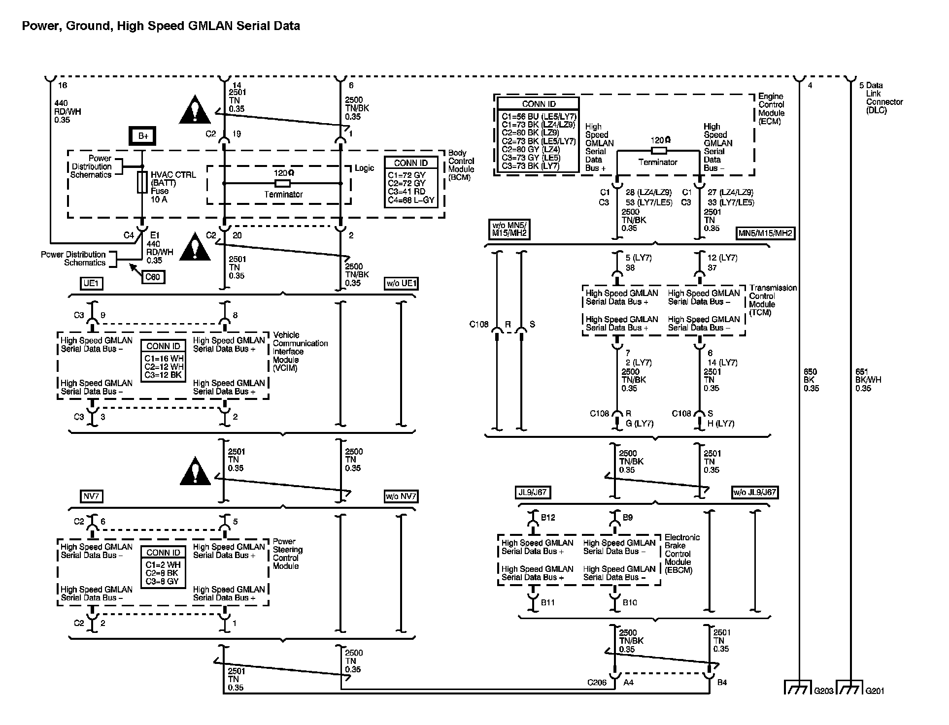
Data Communication Diagram 1:




Data Communication Diagram 2 (1 of 2):




Data Communication Diagram 2(2 of 2):






Locations: The locations for the Connectors, Grounds, Splices, and Grommets shown within these diagrams can be found via their numbers at Vehicle Locations. Locations