Curiosii for ever!: Car repair manuals for everyone.

Rocker Arm Oil Control System



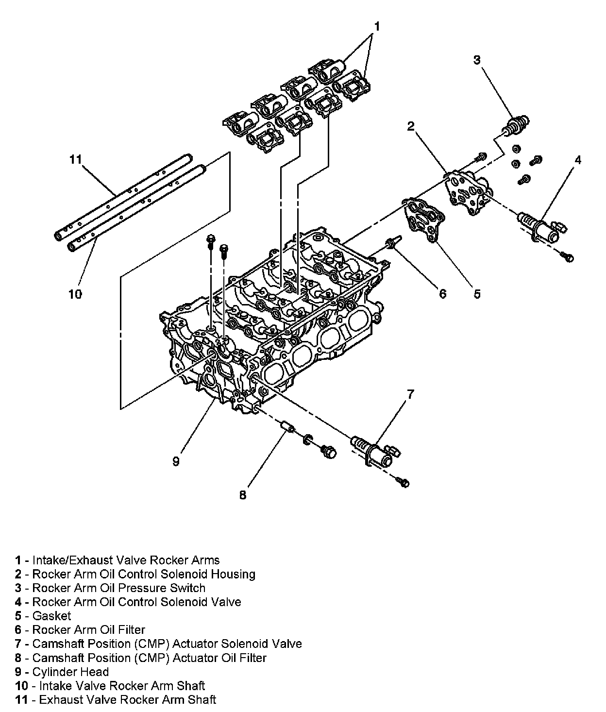
ROCKER ARM OIL CONTROL SYSTEM DESCRIPTION

The high output 1.8L RPO-LNK engine has a high speed cam system that increases engine output between 6,000-8,200 RPM. The increase in power is possible because valve lift is significantly increased at engine speeds above 6,000 RPM. A second camshaft lobe with a high lift profile is cast into each camshaft, alongside the low/medium speed lobes. In order to use the high speed cam only when desired, the engine utilizes a rocker arm oil control system. The system uses unique rocker arms that are hydraulically operated and electronically controlled.




The rocker arms (1) ride on rocker arm shafts (10, 11) that supply engine oil, that is under pressure, to the rocker arms. The flow of engine oil to the rocker arms and shafts is controlled by the rocker arm oil control solenoid valve (4). A rocker arm oil pressure switch (3) signals the PCM when oil pressure is detected. A screen type oil filter (6) is located in the oil supply passage to the rocker arm shafts. The rocker arm oil control solenoid (4) and the oil pressure switch (3) are located in the oil control housing (2).

System Operation

RPO LNK Engine Valvetrain:




During engine operation below 6,000 RPM, the rocker arms (8) follow the low/medium speed cam lobes (4). When engine oil is allowed to flow unobstructed to the rocker arms, the arms follow the high speed cam lobes (3), increasing valve lift. The flow of engine oil to the rocker arms is controlled by the rocker arm oil control solenoid valve. The solenoid is pulse width modulated (PWM) by the powertrain control module (PCM). The rocker arm oil pressure switch detects oil pressure when the rocker arm oil control solenoid is ON. The oil pressure switch input enables the PCM to monitor the operation of the rocker arm oil control solenoid. The rocker arm oil filter removes dirt and debris from the supply of engine oil to the rocker arm shafts.

Rocker Arm Operation

Rocker Arm Operation:




Each rocker arm opens and closes both intake or exhaust valves simultaneously. The rocker arms also follow both the low/medium speed camshaft lobes (2) and high speed camshaft lobes (1) at all times. The low/medium speed cam lobe (2) rides on a hardened steel roller (3). The high speed cam lobe (1) rides on a steel pad follower (8). The steel pad (8) sits on top of a piston (7) that is normally supported by a spring and is free to move up and down against the cam lobe (1). Because the follower piston spring is weaker than the valve springs, the cam follower (8) moves away from the cam lobe (1) instead of the rocker arm (5). Therefore, with no oil pressure applied to the rocker arm, the low/medium speed cam lobe (2) opens and closes the valves.

When the rocker arm oil control solenoid turns ON, oil flows from the rocker arm shaft into an oil passage in the rocker arm. The oil passage leads to a spring loaded lock pin (6) that is normally resting beyond the travel of the piston (7). With the solenoid ON, oil flow creates pressure within the rocker arm oil passage and moves the lock pin (6) underneath the piston (7). The piston and cam follower (8) can no longer move away from the cam lobe (1) and the rocker arm now moves with the high lift cam lobe (1).

Low-Medium Speed Cam Operation

Low-Medium Speed Cam Operation:




The rocker arm oil control solenoid (6) is commanded OFF by the PCM (5) at engine speeds below 6,000 RPM. With the solenoid OFF, oil that flows into the oil supply passage (8) easily flows out thru the solenoid (6) and the return oil passage (7). There is adequate oil for lubrication of the rocker arms and shafts (9), but because the flow is unrestricted there is no increase in oil pressure. Without significant oil pressure in the rocker arms (1) the low/medium speed cam followers (2) operate the valvetrain. The rocker arm oil pressure switch (4) is closed.

High Speed Cam Operation

High Speed Cam Operation:




The rocker arm oil control solenoid (6) is commanded ON by the PCM (5) at engine speeds above 6,000 RPM. With the solenoid ON, oil that flows into the oil supply passage (8) is blocked by the solenoid (6) from the return oil passage (7). This creates significant oil flow to the rocker shafts (9) and the rocker arms (1). Oil pressure increases in the rocker arms (1) and the high speed cam followers (3) operate the valvetrain. The rocker arm oil pressure switch (4) is open.