Curiosii for ever!
: Car repair manuals for everyone.
Home
>>
Pontiac
>>
2006
>>
Pursuit (CANADA) L4-2.4L
>>
Repair and Diagnosis
>>
Cruise Control
>>
Locations
>>
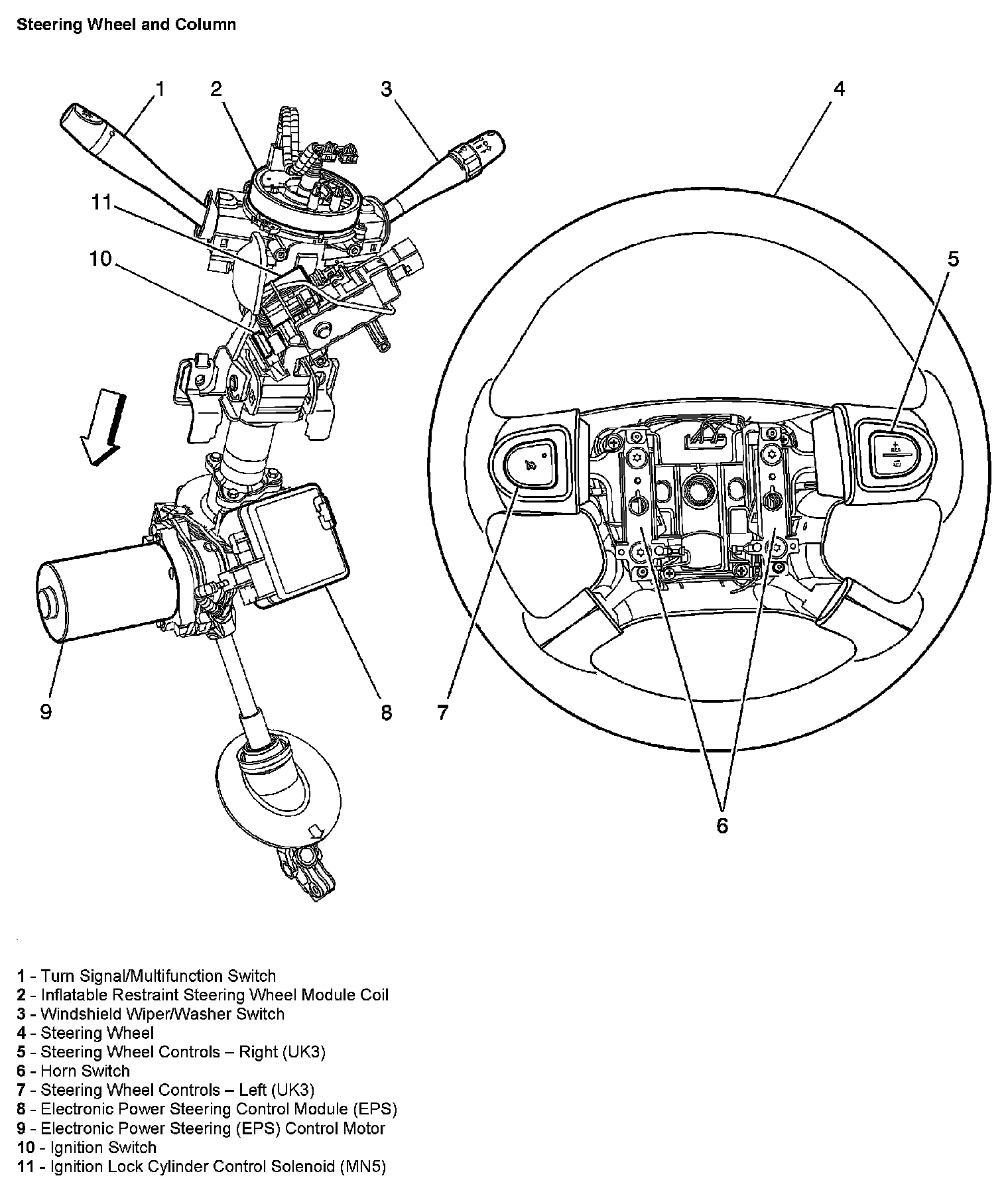
Steering Wheel and Column
Steering Wheel and Column
Steering Wheel And Column: