Curiosii for ever!: Car repair manuals for everyone.

Procedures



Rotating the Engine for Service Access

^ Tools Required
- J 41131 Engine Tilt Strap

1. Remove the air cleaner intake duct.
2. Apply the parking brake.
3. Put the transaxle in the Neutral position.
4. Remove the engine mount struts.





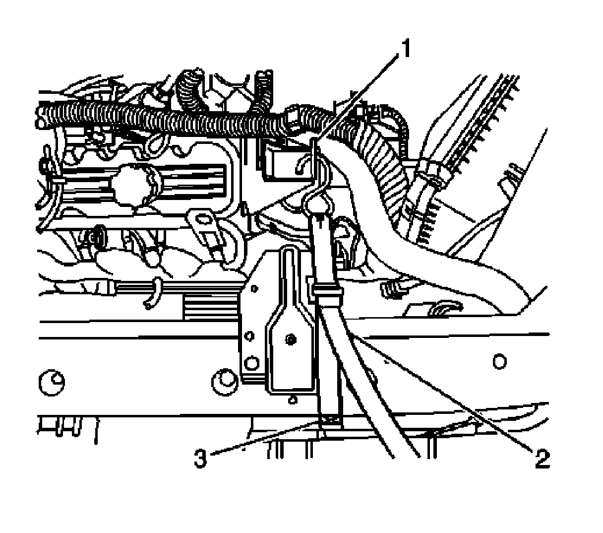
5. Install the J 41131 (2) to the engine mount strut bracket (1) and the upper radiator support (3).
6. Rotate the engine forward for component access.