Curiosii for ever!
: Car repair manuals for everyone.
Home
>>
Pontiac
>>
2006
>>
GTO V8-6.0L VIN U
>>
Repair and Diagnosis
>>
Diagrams
>>
Electrical Diagrams
>>
Steering Mounted Controls Transmitter
Steering Mounted Controls Transmitter
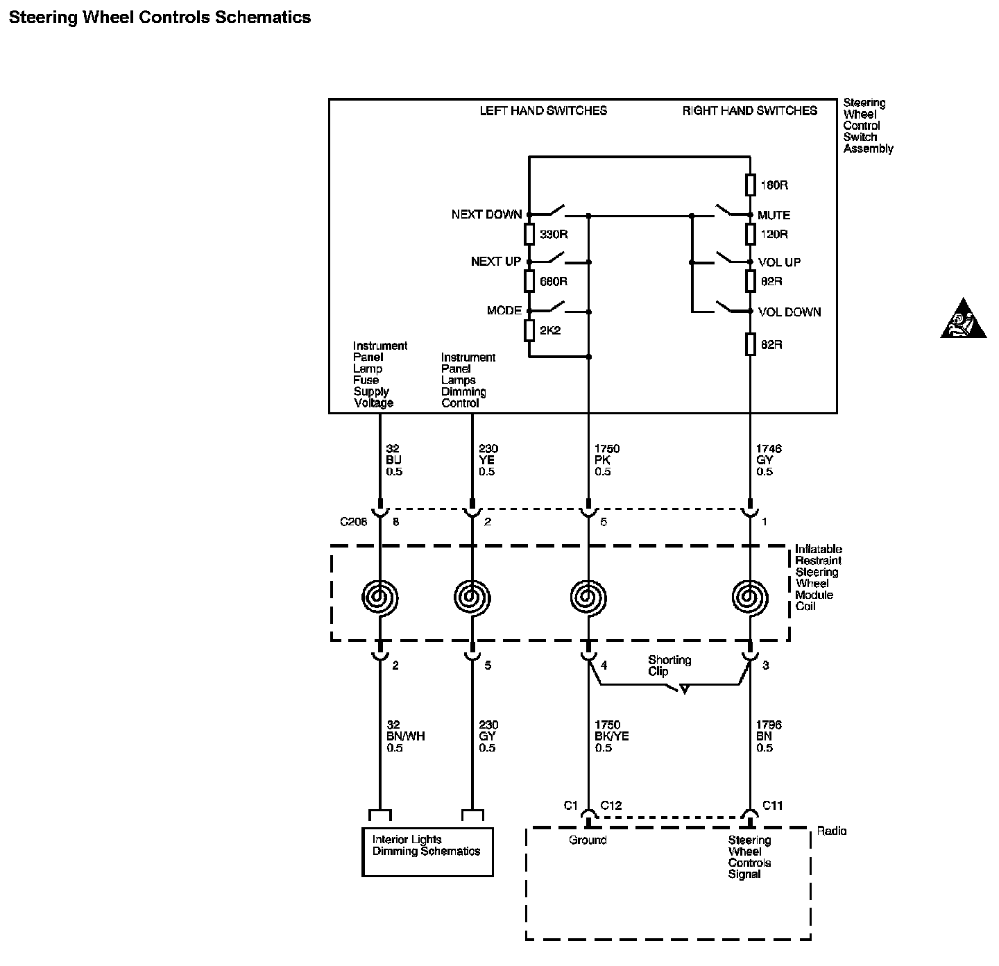
Steering Wheel Controls Diagram:
Location:
The locations for the Connectors, Grounds, Splices, and Grommets shown within these diagrams can be found via their numbers at Vehicle Locations.
Locations