Battery Tray Replacement
BATTERY TRAY REPLACEMENT
REMOVAL PROCEDURE
1. Remove the battery.
2. Remove the battery tray bolts (2, 3) and nut (1).
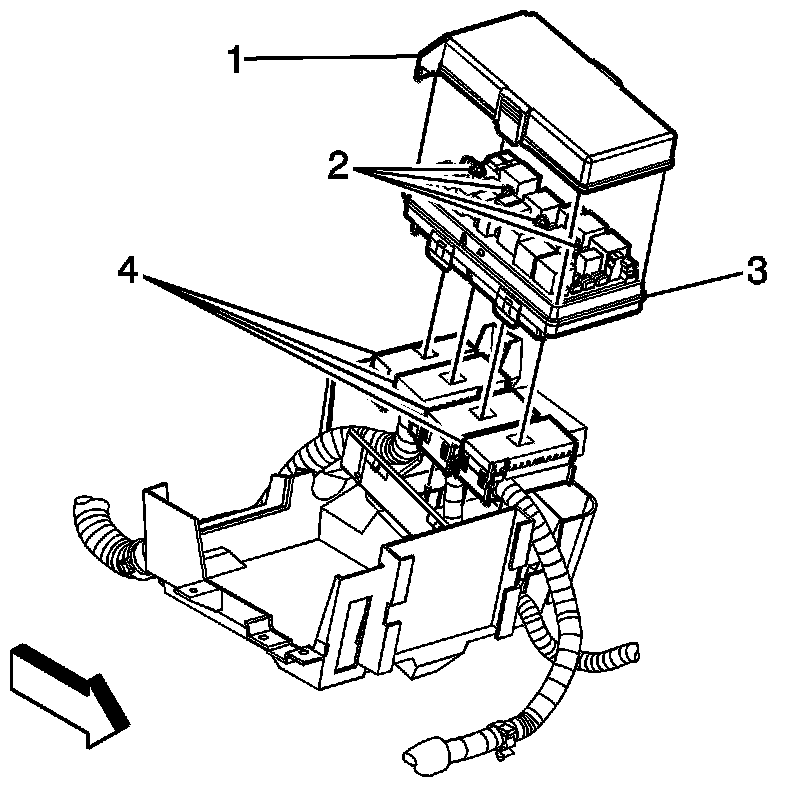
3. Remove the fuse block cover (1).
4. Loosen the fuse block bolts (2).
5. Reposition the junction block (3) and harness connectors (4) from the battery tray.
6. Reposition the forward lamp harness from the battery tray.
7. Remove the battery tray.
8. If necessary, remove the battery tray support bolts (2) and stud (1).
9. Remove the battery tray support (3).
INSTALLATION PROCEDURE
1. If necessary, install the battery tray support (3).
2. Loosely install the battery tray support bolts (2) and stud (1).
3. Install the battery tray.
4. Loosely install the battery tray bolts (2, 3) and nut (1).
NOTE: Refer to Fastener Notice in Service Precautions.
5. Tighten the battery tray support bolts/stud and the battery tray bolts/nut.
- Tighten the battery tray support bolts and stud to 25 N.m (18 lb ft).
- Tighten the battery tray bolts and nut to 16 N.m (12 lb ft).
6. Position the forward lamp harness to the battery tray.
7. Position the harness connectors (4) and junction block (3) to the battery tray.
8. Tighten the fuse block bolts (2).
9. Install the fuse block cover (1).
10. Install the battery.