Curiosii for ever!: Car repair manuals for everyone.

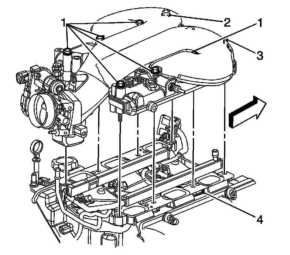
Intake Manifold

Throttle Body Bolt/Nut 10 Nm (89 inch lbs.)
Throttle Body Stud 6 Nm (53 inch lbs.)





Upper Intake Manifold Bolt/Stud 25 Nm (18 ft. lbs.)





Lower Intake Manifold Bolt - Corner
First Pass 13 Nm (115 inch lbs.)
Final Pass 25 Nm (18 ft. lbs.)





Lower Intake Manifold Bolt - Center
First Pass 13 Nm (115 inch lbs.)
Final Pass 20 Nm (151 inch lbs.)