Curiosii for ever!: Car repair manuals for everyone.

Frame Replacement (Coupe)





Frame Replacement

Special Tools

J 39580 Engine Support Stand

Removal Procedure

1. Install the engine support fixture. Refer to Engine Support Fixture Removal and Replacement.
2. Raise the vehicle on a hoist.
3. Remove the tire and wheel assemblies.
4. Remove the radiator air lower baffle. Refer to Radiator Air Lower Baffle and Deflector Replacement Service and Repair.
5. Disconnect the antilock brake system (ABS) sensor from the wheel speed sensor and frame.






6. Remove the lower ball joints from the steering knuckles.
7. Remove the tie rod ends from the steering knuckles. Refer to Rack and Pinion Outer Tie Rod End Replacement Service and Repair.






8. Remove both stabilizer links from the stabilizer bar. Refer to Stabilizer Shaft Link Replacement Service and Repair.
9. Remove the power steering gear mounting bolts and secure the gear out of the way using mechanics wire or equivalent, being sure not to overextend the intermediate shaft. Refer to Steering Gear Replacement Service and Repair.
10. Remove the front transmission mount bolt from the frame. Refer to Transmission Front Mount Replacement Service and Repair.
11. Remove the left transmission mount nuts from the frame. Refer to Transmission Mount Replacement - Left Side Service and Repair.
12. Remove the rear transmission mount bracket nuts from the frame. Refer to Transmission Rear Mount Replacement Service and Repair.
13. Remove the brake lines from the retainers on the frame.






14. Lower the vehicle until the frame contacts the J 39580.






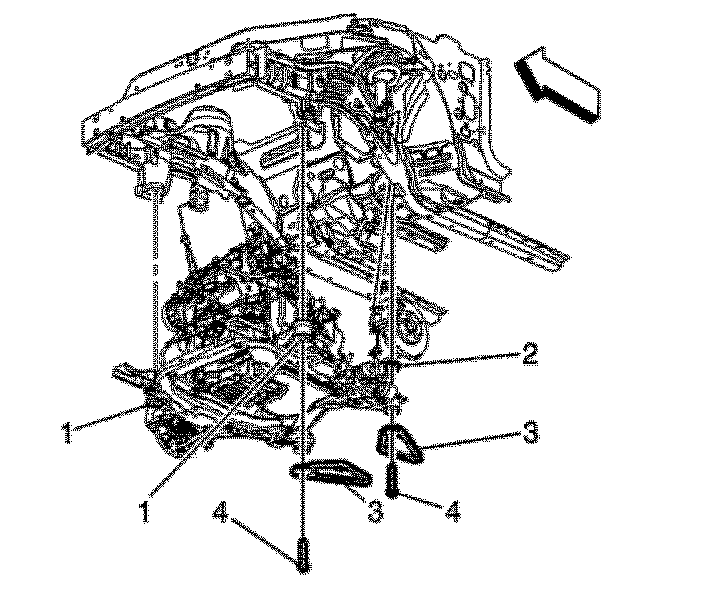
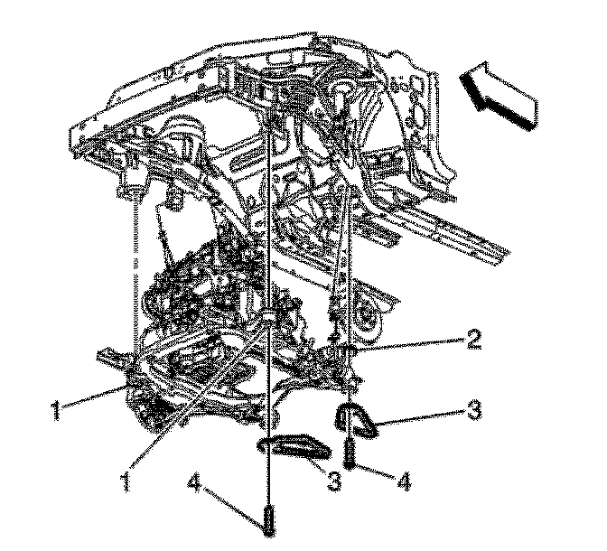
15. Remove the reinforcement bolts (1).






16. Remove the front frame bolts (1).
17. Remove the rear frame bolts (4).
18. Remove the frame reinforcements (3).
19. Raise the vehicle off of the frame.
20. Remove the following components if replacing the frame:
- The lower control arms--Refer to Lower Control Arm Replacement Service and Repair.
- The stabilizer shaft--Refer to Stabilizer Shaft Replacement Service and Repair.

Installation Procedure

1. Install the following components on the suspension crossmember if removed:
- The stabilizer shaft--Refer to Stabilizer Shaft Replacement Service and Repair.
- The lower control arms--Refer to Lower Control Arm Replacement Service and Repair.






2. Lower the vehicle on to the frame.
3. Install the frame reinforcements (3).

Notice: Use the correct fastener in the correct location. Replacement fasteners must be the correct part number for that application. Fasteners requiring replacement or fasteners requiring the use of thread locking compound or sealant are identified in the service procedure. Do not use paints, lubricants, or corrosion inhibitors on fasteners or fastener joint surfaces unless specified. These coatings affect fastener torque and joint clamping force and may damage the fastener. Use the correct tightening sequence and specifications when installing fasteners in order to avoid damage to parts and systems.

4. Install the rear frame bolts (4).

Tighten
Tighten the bolts to 100 Nm (74 lb ft) plus 180 degrees rotation.

5. Install the front frame bolts (1).

Tighten
Tighten the bolts to 100 Nm (74 lb ft) plus 180 degrees rotation.






6. Install the reinforcement bolts (1).

Tighten
Tighten the bolts to 50 Nm (37 lb ft).

7. Raise the vehicle.
8. Install the brake lines to the retainers on the frame.
9. Install the rear transmission mount bracket nuts. Refer to Transmission Rear Mount Replacement Service and Repair.
10. Install the left transmission mount nuts to the frame. Refer to Transmission Mount Replacement - Left Side Service and Repair.






11. Install the front transmission mount bracket bolt. Refer to Transmission Front Mount Replacement Service and Repair.
12. Install the power steering gear mounting bolts. Refer to Steering Gear Replacement Service and Repair.






13. Install both stabilizer links to the stabilizer bar.

Tighten
Tighten the stabilizer link nut to 65 Nm (48 lb ft).

14. Install the tie rod ends to the steering knuckles. Refer to Rack and Pinion Outer Tie Rod End Replacement Service and Repair.






15. Install the lower ball joints to the steering knuckles.

Tighten
Tighten the ball stud to steering knuckle pinch nut to 50 Nm (37 lb ft). Reverse the nut � of a turn. Tighten to 50 Nm (37 lb ft) plus 60 degrees.

16. Connect the ABS sensor to the wheel speed sensor and frame.
17. Install the radiator air lower baffle. Refer to Radiator Air Lower Baffle and Deflector Replacement Service and Repair.
18. Install the tire and wheel assemblies.
19. Remove the engine support fixture. Refer to Engine Support Fixture Removal and Replacement.
20. Bleed the power steering system. Refer to Power Steering System Bleeding Service and Repair.