Curiosii for ever!: Car repair manuals for everyone.

Global Positioning System Module: Service and Repair



COMMUNICATION INTERFACE MODULE REPLACEMENT

REMOVAL PROCEDURE




1. Disconnect the battery ground cable.

IMPORTANT: The vehicle communication interface module (VCIM) has a specific set of unique numbers that tie the module to each vehicle. These numbers, the 10-digit station identification and the 11-digit electronic serial number, are used by the National Cellular Network and OnStar(R) to identify the specific vehicle. Because these numbers are tied to the vehicle identification number of the vehicle, you must never exchange these parts with those of another vehicle.

CAUTION: Refer to Battery Disconnect Caution in Service Precautions.

2. Position the seat to the most rearward position.
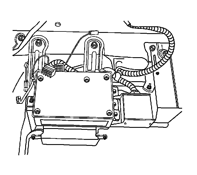
3. Disconnect two vehicle communication interface module electrical connectors (1).




4. Disconnect the cellular antenna and the navigation radio antenna connectors (1).




5. Position the seat to the most forward position.
6. Remove 3 vehicle communication interface module retaining nuts.
7. Remove the vehicle communication interface module from the vehicle.

INSTALLATION PROCEDURE




1. Position the VCIM in the vehicle.
2. Install the nuts (1).

Tighten the nuts (1) to 4 N.m (36 lb in).

NOTE: Refer to Fastener Notice in Service Precautions.




3. Position the seat to the most rearward position.
4. Connect the cellular antenna and the navigation radio antenna connectors (1).




5. Connect two vehicle communication interface module electrical connectors (1).
6. Connect the battery ground cable.

CAUTION: Refer to Battery Disconnect Caution in Service Precautions.

7. Reconfigure the OnStar(R) system. Refer to Communication Interface Module (OnStar) Programming and Setup in Programming and Setup. Programming and Relearning

IMPORTANT: If replacing the vehicle communication interface module, you must reconfigure the OnStar(R) system.