Curiosii for ever!
: Car repair manuals for everyone.
Home
>>
Pontiac
>>
2005
>>
Grand Prix V8-5.3L VIN C
>>
Repair and Diagnosis
>>
Diagrams
>>
Electrical Diagrams
>>
Accessory Delay Module
Accessory Delay Module
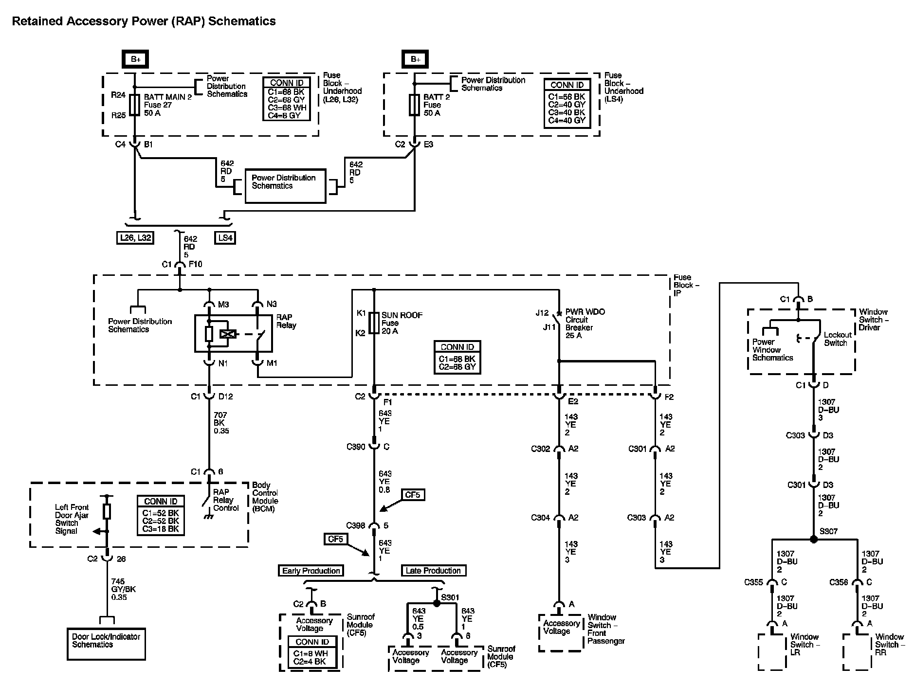
Retained Accessory Power (RAP) Diagram:
Locations:
The locations for the Connectors, Grounds, Splices, and Grommets shown within these diagrams can be found via their numbers at Vehicle Locations.
Locations