Curiosii for ever!
: Car repair manuals for everyone.
Home
>>
Pontiac
>>
2005
>>
Grand Prix V6-3.8L SC VIN 4
>>
Repair and Diagnosis
>>
Power and Ground Distribution
>>
Fuse Block
>>
Locations
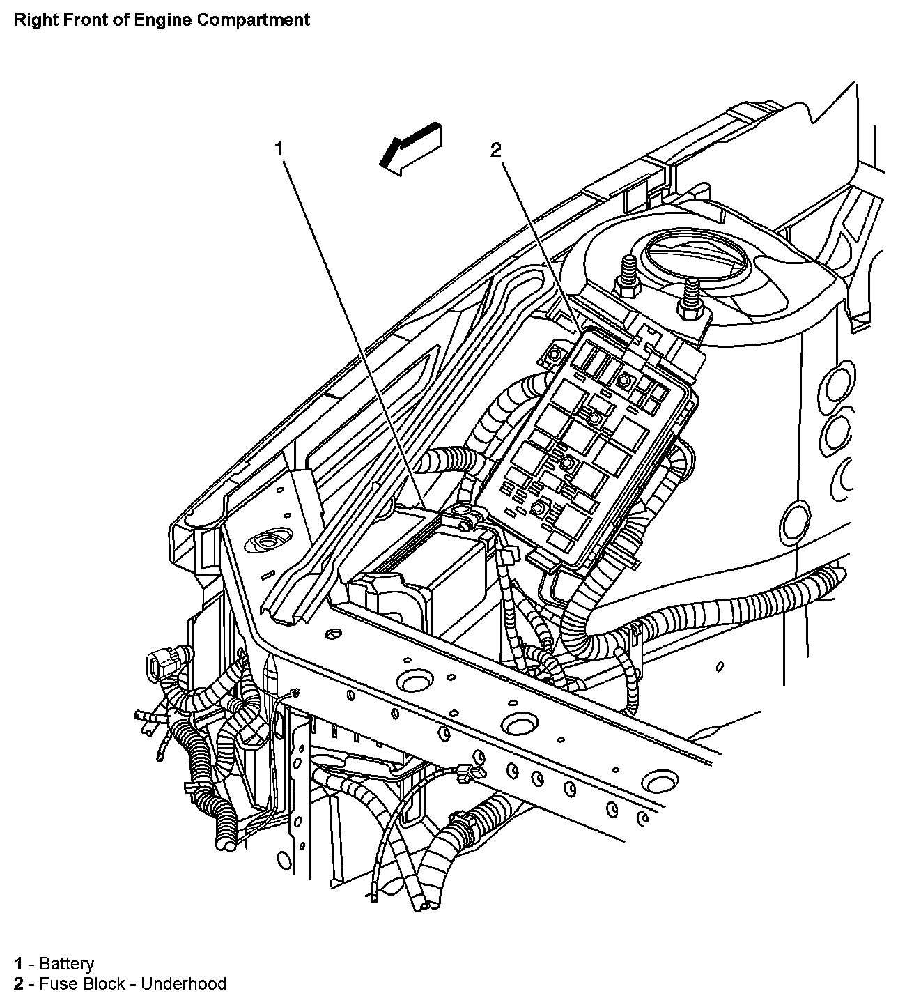
Fuse Block: Locations
Right Front Of Engine Compartment: