Curiosii for ever!
: Car repair manuals for everyone.
Home
>>
Pontiac
>>
2005
>>
G6 V6-3.5L VIN 8
>>
Repair and Diagnosis
>>
Diagrams
>>
Electrical Diagrams
>>
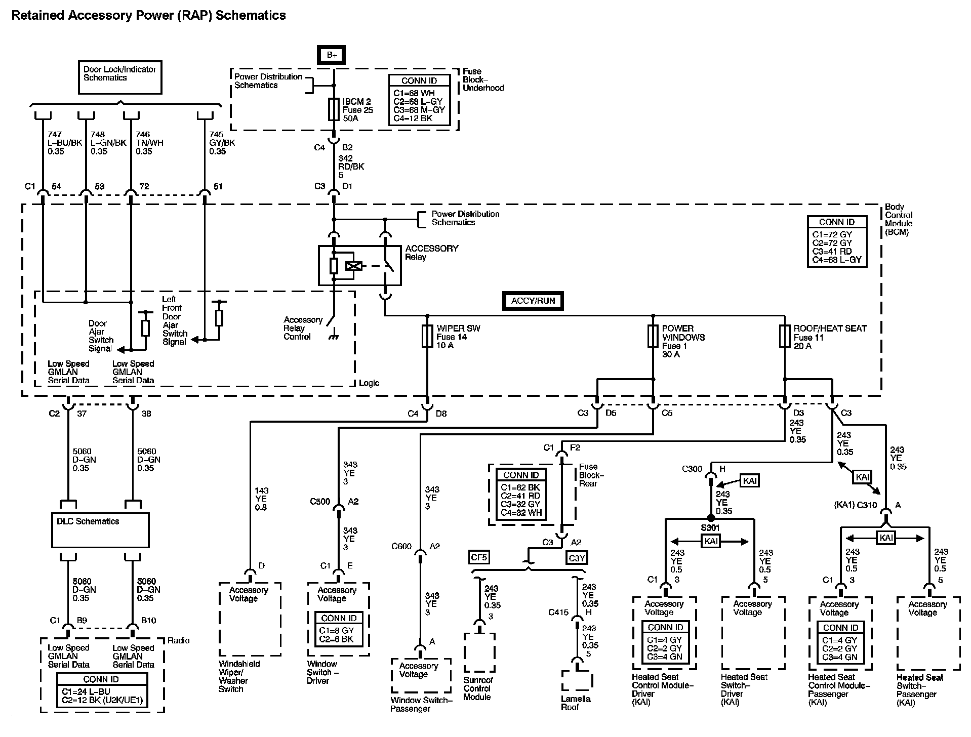
Accessory Delay Module
Accessory Delay Module
Retained Accessory Power (RAP) Diagram: