Curiosii for ever!: Car repair manuals for everyone.

Rocker Arm Oil Control Solenoid Valve Replacement

ROCKER ARM OIL CONTROL SOLENOID VALVE REPLACEMENT

REMOVAL PROCEDURE




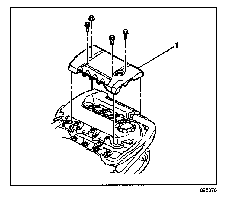
1. Remove the four fasteners from the engine cover (1).
2. Remove the engine cover (1) from the engine.




3. Disconnect the PCV hose (1) from the PCV valve.
4. Disconnect the PCV breather hose (2).
5. Disconnect the EVAP hose (3).
6. Swing the two PCV hoses and the EVAP hose away from the cylinder head.




7. Disconnect the electrical connector from the rocker arm oil control solenoid valve.
8. Remove the fastener retaining the rocker arm oil control solenoid valve to the cylinder head.
9. Remove the rocker arm oil control solenoid valve (1) and the O-ring (2) from the cylinder head.

INSTALLATION PROCEDURE




1. Install a new O-ring (2) and the rocker arm oil control solenoid valve (1) into the cylinder head.

NOTE: Refer to Fastener Notice in Service Precautions.

2. Secure the rocker arm oil control solenoid valve with the one fastener.

Tighten
Tighten the fastener to 9 N.m (80 lb in).

3. Connect the electrical connector to the solenoid valve.




4. Connect the PCV hose (1) and the PCV breather hose (2) to the engine.
5. Connect the EVAP hoses.




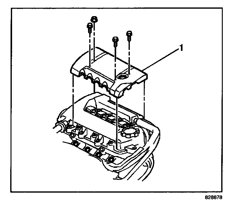
6. Install the engine cover (1) to the engine.
7. Secure the engine cover (1) with the four fasteners.

Tighten
Tighten the fasteners to 7 N.m (62 lb in).