Curiosii for ever!
: Car repair manuals for everyone.
Home
>>
Pontiac
>>
2004
>>
Vibe FWD L4-1.8L VIN 8
>>
Repair and Diagnosis
>>
Powertrain Management
>>
Transmission Control Systems
>>
Diagrams
>>
Electrical Diagrams
>>
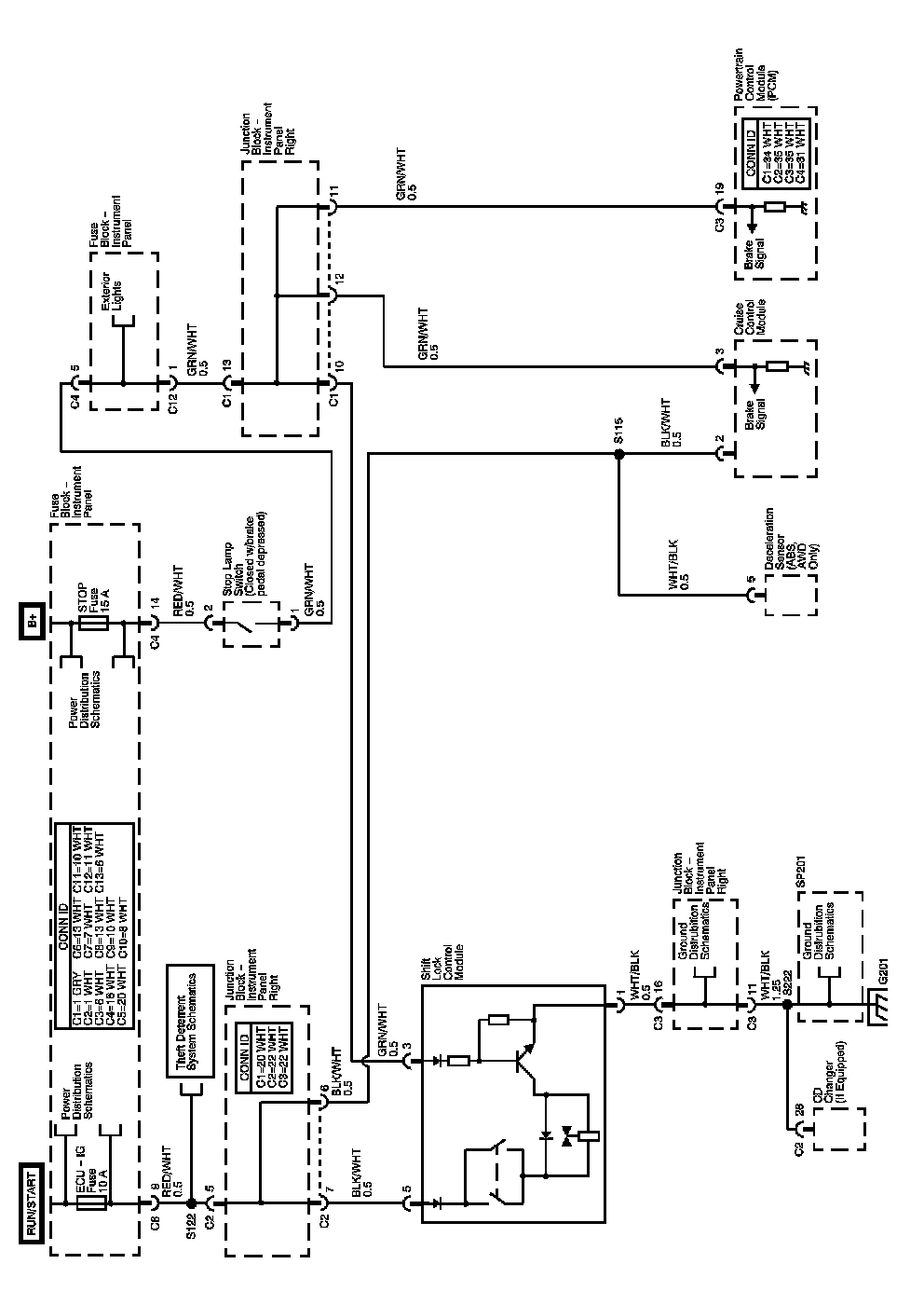
Shift Lock Control
Shift Lock Control
Automatic Transmission Shift Lock Control Schematics