Curiosii for ever!
: Car repair manuals for everyone.
Home
>>
Pontiac
>>
2004
>>
Vibe FWD L4-1.8L VIN 8
>>
Repair and Diagnosis
>>
Diagrams
>>
Exploded Views
>>
Engine
>>
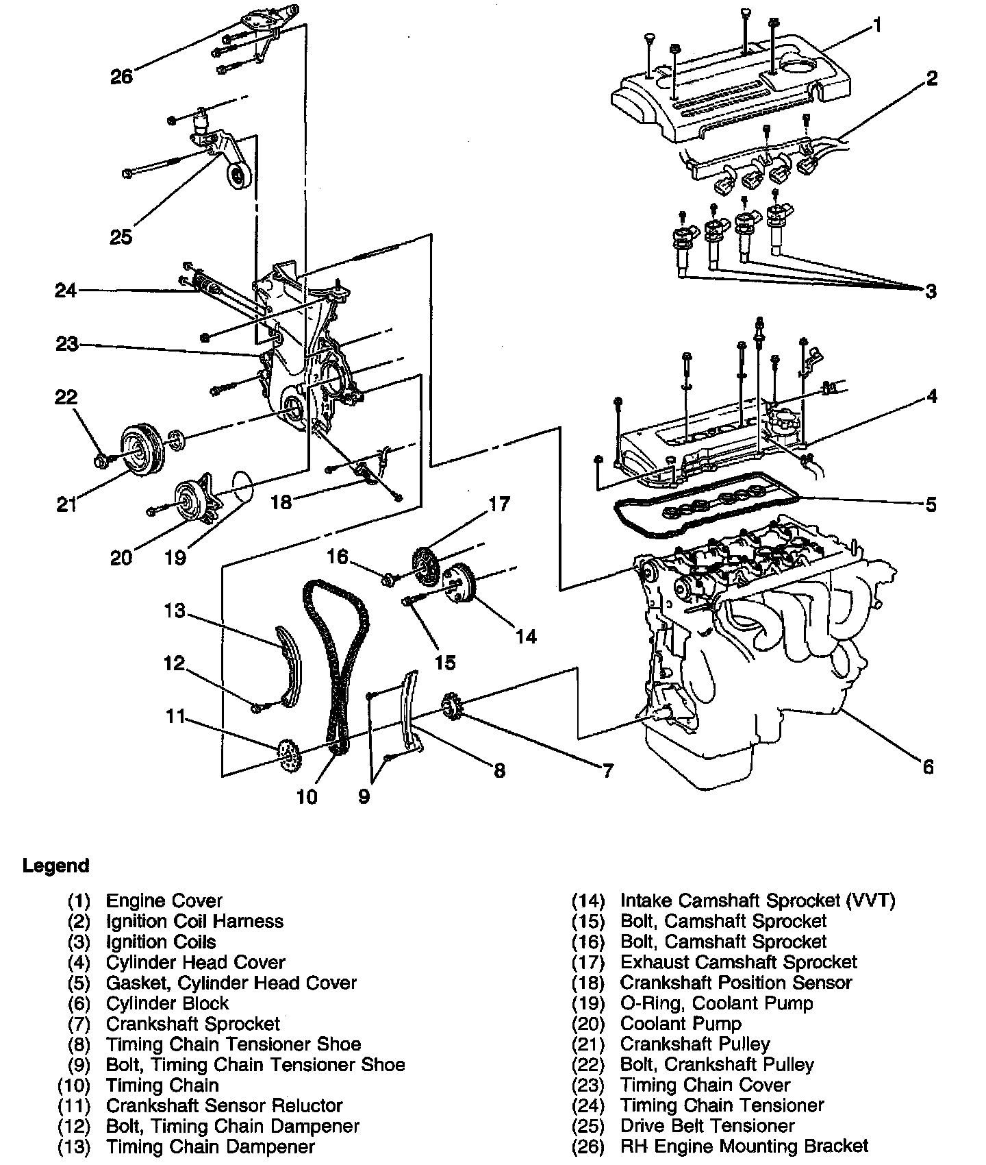
Timing Chain and Housing Components
Timing Chain and Housing Components