Curiosii for ever!
: Car repair manuals for everyone.
Home
>>
Pontiac
>>
2004
>>
Vibe AWD L4-1.8L VIN 8
>>
Repair and Diagnosis
>>
Diagrams
>>
Exploded Views
>>
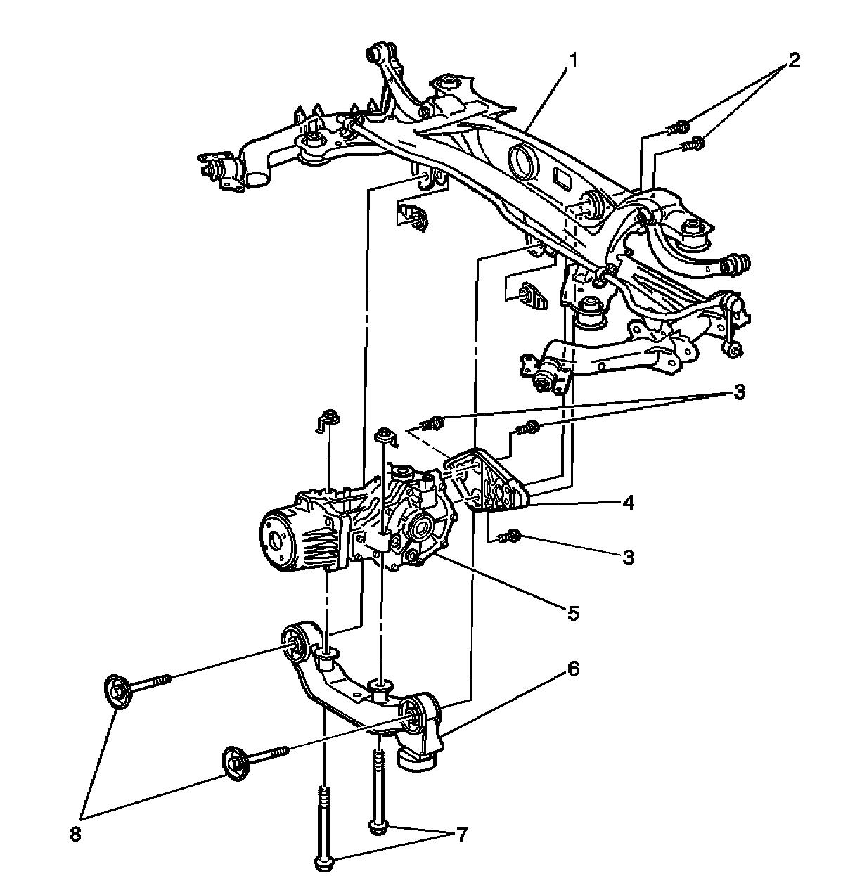
Differential Assembly
Differential Assembly
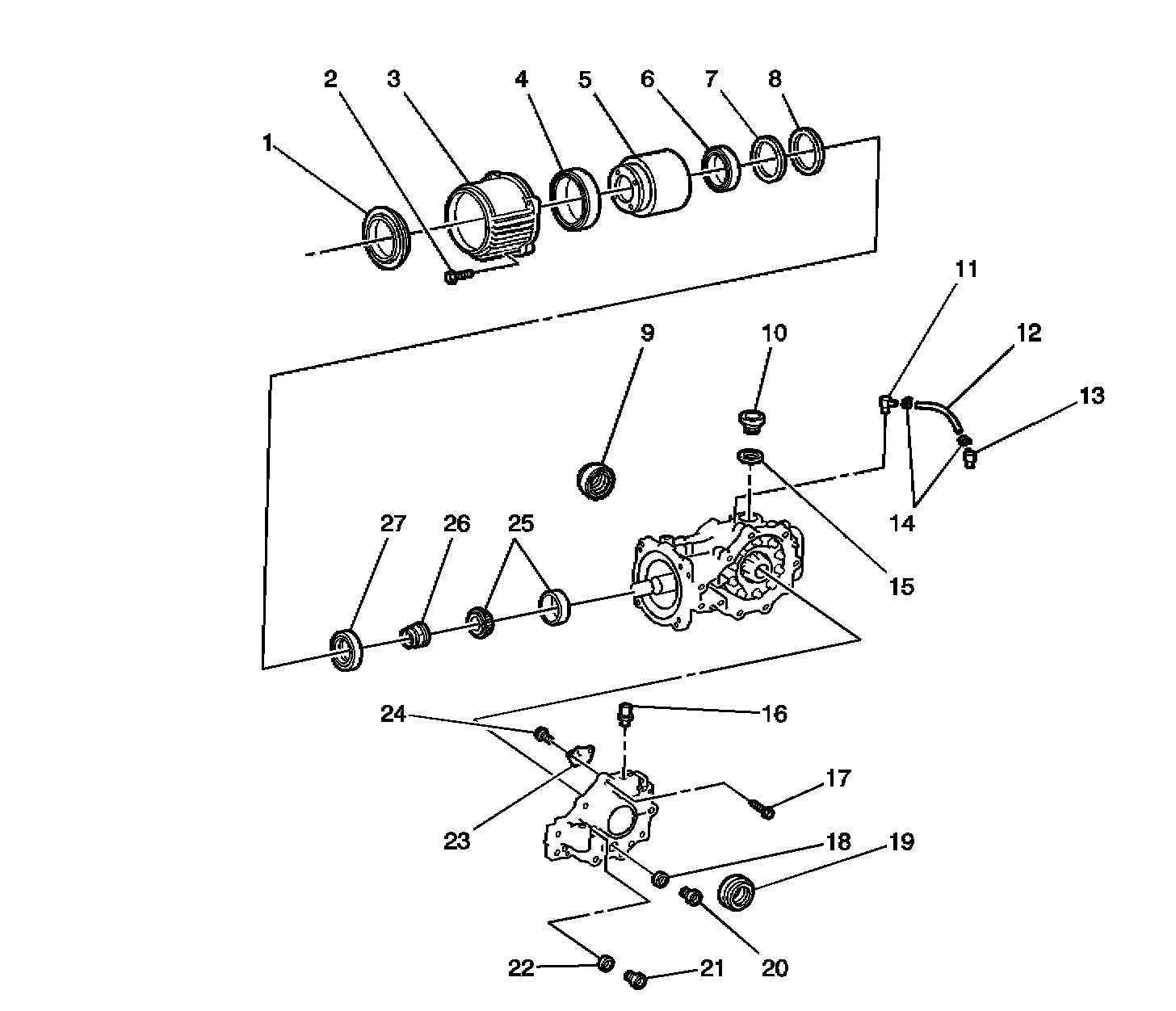
Differential Carrier Assembly Disassembled Views
Rear Axle Disassembled View
Rear Axle Internal Components
Rear Axle Mounting Components
Rear Axle Carrier Coupling Cover