Curiosii for ever!: Car repair manuals for everyone.

Crankshaft Position Sensor: Service and Repair

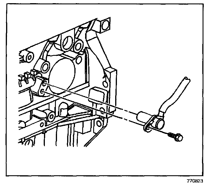
REMOVAL PROCEDURE
1. Disconnect the battery.
2. Raise the vehicle. Refer to Vehicle Lifting
3. Remove the front air deflector, if applicable.
4. Remove the starter.




5. Disconnect the Crankshaft Position (CKP) sensor electrical connector.
6. Remove the CKP sensor bolt.
7. Remove the CKP sensor.

INSTALLATION PROCEDURE
1. Inspect the CKP sensor O-ring and lubricate with a mineral based grease.




2. Gently insert the CKP sensor into the block.
3. Install the CKP sensor bolt.

NOTE: Refer to Fastener Notice in Service Precautions.

Tighten
Tighten the CKP sensor bolt to 8 N.m (71 lb in).

4. Reconnect the CKP sensor electrical connector.
5. Reinstall the starter.
6. Reinstall the front air deflector, if removed in previous step.
7. Lower the vehicle.
8. Reconnect the battery.
9. Perform the CKP system Variation Learn Procedure. Programming and Relearning