Curiosii for ever!
: Car repair manuals for everyone.
Home
>>
Pontiac
>>
2004
>>
Sunfire L4-2.2L VIN F
>>
Repair and Diagnosis
>>
Powertrain Management
>>
Computers and Control Systems
>>
Information Bus
>>
Diagrams
>>
Electrical Diagrams
Electrical Diagrams
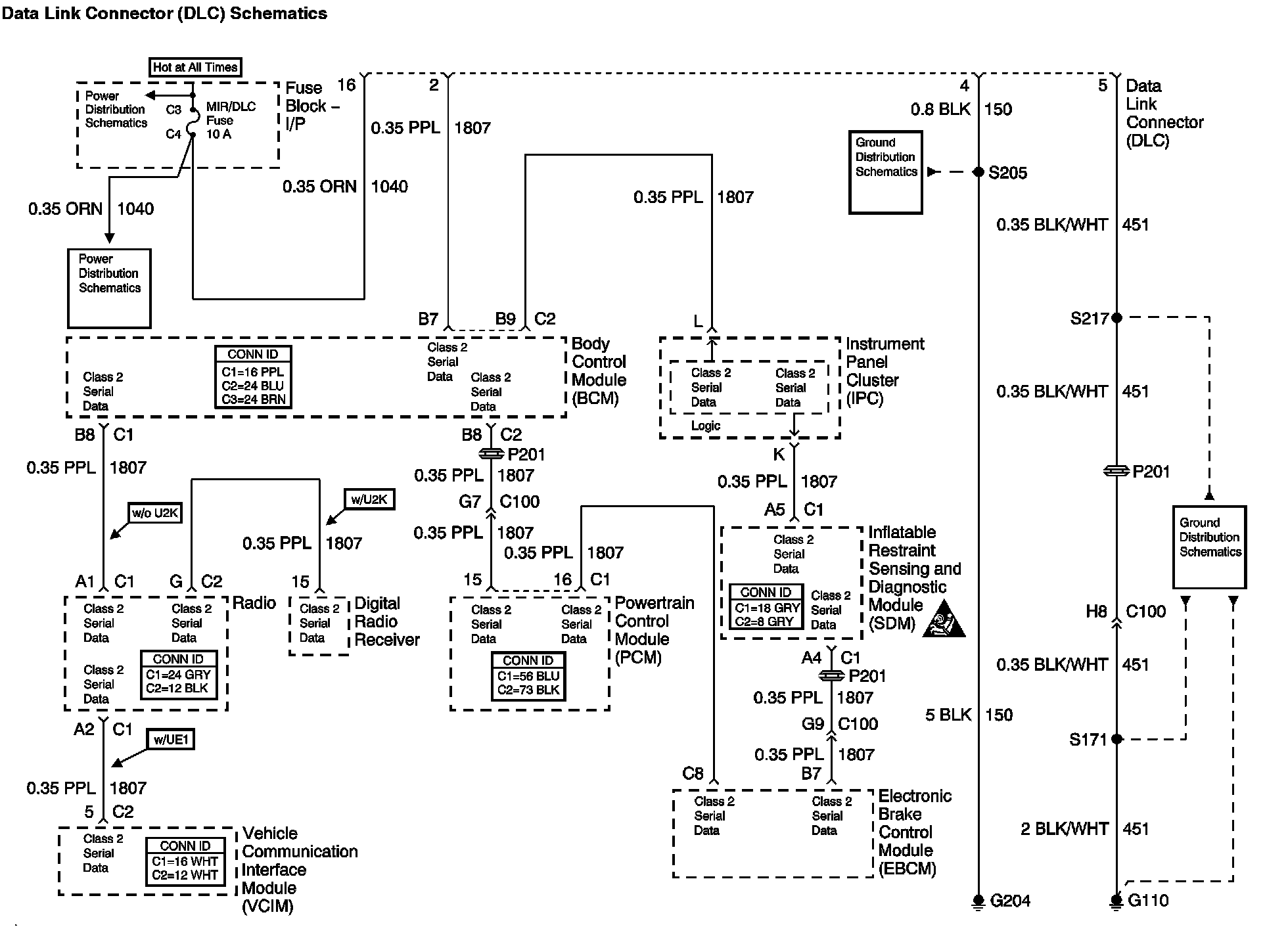
Data Link Connector (DLC) Diagram: