Curiosii for ever!
: Car repair manuals for everyone.
Home
>>
Pontiac
>>
2004
>>
Sunfire L4-2.2L VIN F
>>
Repair and Diagnosis
>>
Maintenance
>>
Filters
>>
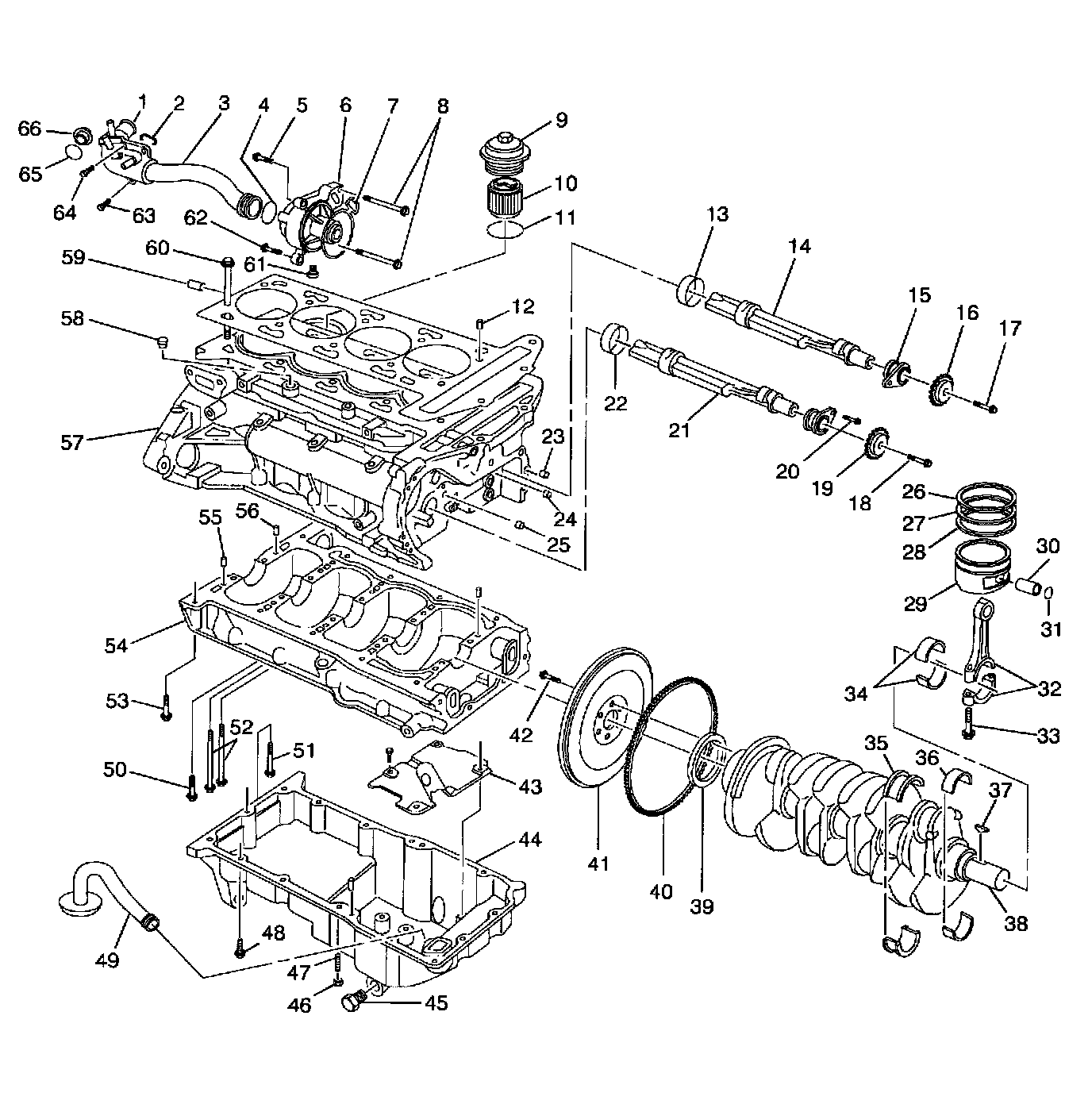
Oil Filter
>>
Locations
Oil Filter: Locations