Curiosii for ever!
: Car repair manuals for everyone.
Home
>>
Pontiac
>>
2004
>>
Grand AM V6-3.4L VIN E
>>
Repair and Diagnosis
>>
Powertrain Management
>>
Locations
>>
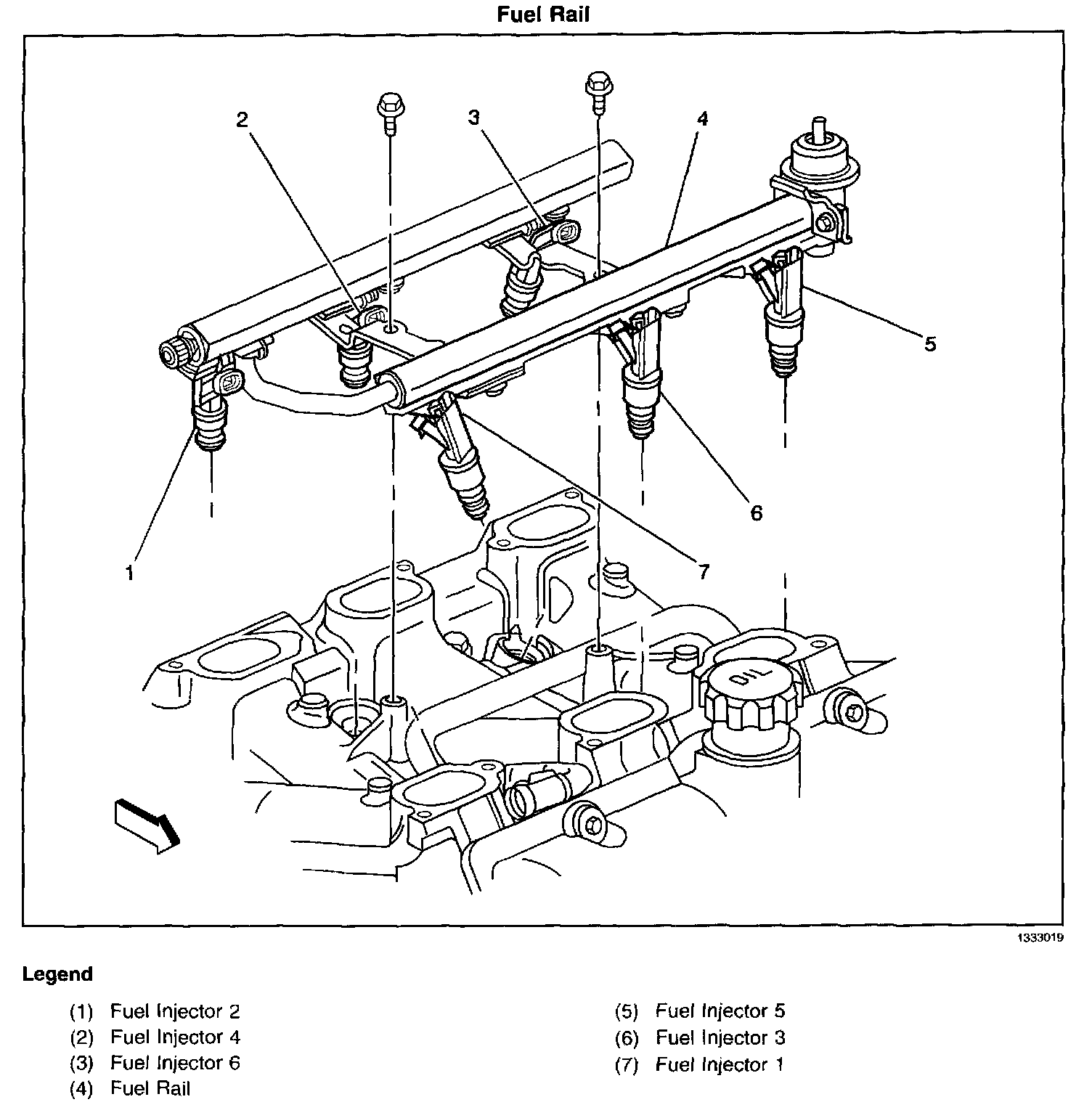
Fuel Rail
Fuel Rail
Fuel Rail: