Curiosii for ever!: Car repair manuals for everyone.

Housing Assembly HVAC: Service and Repair



The content of this article reflects the changes identified in TSB Bulletin No. #06-01-37-002 dated January 18, 2006.

HVAC MODULE ASSEMBLY REPLACEMENT

Tools Required
J 39400-A Halogen Leak Detector

Removal Procedure
1. Disconnect the negative battery cable. Service and Repair

2. Recover the A/C system. Refrigerant Recovery and Recharging

3. Drain the engine coolant. Draining and Filling Cooling Systems

4. Raise and support the vehicle. Service and Repair





5. Remove the evaporator hose assembly nut from the evaporator.

6. Remove the evaporator hose assembly from the evaporator.

7. Remove and discard the seal washers.





8. Remove the inlet heater hose from the heater core.

9. Remove the outlet heater hose from the heater core.





10. Remove the drain tube elbow from the evaporator block heater case plate.





11. Remove the nuts holding the heater case plate for the heater pipes.

12. Remove the heater case plate and the seals for the heater pipes.

13. Remove the nuts holding the heater case plate for the evaporator block.

14. Remove the heater case plate and seal for the evaporator block.

15. Remove the nut for the HVAC module assembly bracket.





16. Lower the vehicle.

17. Remove the air distribution duct. Air Distribution Duct Replacement

18. Remove the floor air duct from the HVAC module assembly. Air Outlet Replacement - Floor

Important: Note the routing of the wiring harness to ensure proper installation.

19. Disconnect the wiring harness from the cross vehicle beam.

20. Remove the steering column. Steering Column

21. Remove the bolts retaining the cross vehicle beam to the steering column support bracket.





22. Remove the HVAC module center support bracket.





23. Remove the bolts from the bracket joining the cross vehicle beam to the HVAC module (3).





24. Remove the bolts retaining the cross vehicle beam to the LH hinge pillar.





25. Remove the bolt and nut retaining the cross vehicle beam to the RH hinge pillar.





26. Remove the bolts retaining the cross vehicle beam to the cowl.





27. Remove the cross vehicle beam from the vehicle (1).





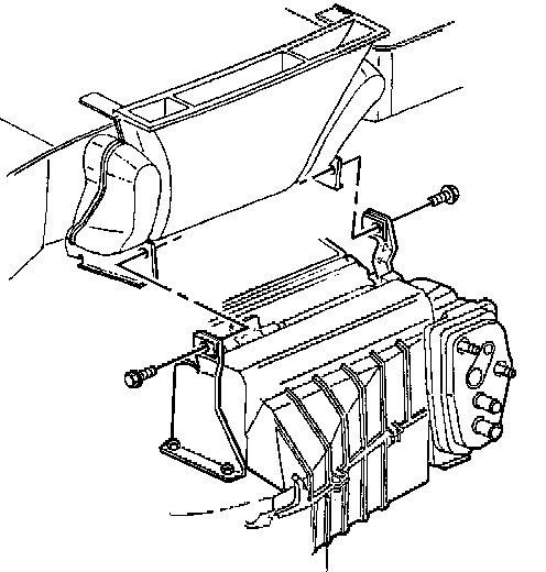
28. Remove the daytime running lights (DRL) sensor wiring harness clip (1) from the HVAC module assembly.

29. Disconnect the I/P lamp dimmer switch electrical connector (2).

30. Remove the wiring harness clips (3) from the HVAC module assembly bracket.

31. Disconnect the vacuum hose (4) from the vacuum tank.





32. Disconnect the blower motor resistor electrical connector.

33. Disconnect the blower motor electrical connector.





34. Disconnect the temperature actuator electrical connector.





35. Remove the HVAC module assembly.

Installation Procedure





1. Position the HVAC module assembly to the vehicle.





2. Connect the temperature actuator electrical connector.





3. Connect the blower motor resistor electrical connector.

4. Connect the blower motor electrical connector.





5. Install the wiring harness clips (3) to the HVAC module assembly bracket.

6. Install the daytime running lights (DRL) sensor wiring harness clip (1) from the HVAC module assembly.

7. Connect the I/P lamp dimmer switch electrical connector (2).

8. Install the vacuum hose (4) to the vacuum tank.





9. Position the cross vehicle beam (1) to the hinge pillar.





Important: Do not tighten bolts until step 14.

10. Install the cross vehicle beam to the RH hinge pillar retaining bolt and nut; do not tighten.





11. Install the cross vehicle beam to cowl retaining bolts.





12. Install the cross vehicle beam to steering column bracket retaining bolt.





13. Install the cross vehicle beam to the LH hinge pillar retaining bolts.

Notice: Use the correct fastener in the correct location. Replacement fasteners must be the correct part number for that application. Fasteners requiring replacement or fasteners requiring the use of thread locking compound or sealant are identified in the service procedure. Do not use paints, lubricants, or corrosion inhibitors on fasteners or fastener joint surfaces unless specified. These coatings affect fastener torque and joint clamping force and may damage the fastener. Use the correct tightening sequence and specifications when installing fasteners in order to avoid damage to parts and systems.

14. Tighten the bolts and nut retaining the cross vehicle beam to the vehicle.

Tighten
^ Hinge pillar bolts and nut 20 Nm (15 lb. ft).
^ Cross vehicle beam to cowl 10 Nm (89 lb. in).
^ Cross vehicle beam to steering column bracket 20 Nm (15 lb. ft).





15. Install the HVAC module to the cross vehicle beam retaining bolts.

Tighten
Tighten the bolts to 10 Nm (89 lb in).





16. Install the HVAC module center support bracket.

17. Install the HVAC module center support bracket retaining bolts.

Tighten
Tighten the bolts to 10 Nm (89 lb. in).

18. Install the steering column. Steering Column

19. Install the instrument panel wiring harness into position and secure the retaining clips.

20. Install the floor air duct to the HVAC module assembly. Air Outlet Replacement - Floor

21. Install the air distribution duct. Air Distribution Duct Replacement

22. Raise the vehicle. Service and Repair

23. Install the nut for the HVAC module assembly bracket.

Tighten
Tighten the bracket nut to 10 Nm (88 lb. in).





24. Install the heater core case plate and the seals for the heater pipes.

25. Install the nuts holding the heater core case plate for the heater pipes.

26. Install the heater core case plate and seal for the evaporator block.

27. Install the nuts holding the heater core case plate for the evaporator block.

Tighten
Tighten the nuts to 10 Nm (88 lb. in).





28. Install the drain tube elbow to the heater core case plate for the evaporator block.





29. Install new sealing washers.

30. Install the evaporator hose to the evaporator.

31. Install the evaporator hose nut to the evaporator.

Tighten
Tighten the nut to 25 Nm (18 lb. ft).





32. Install the outlet heater hose to the heater core.

33. Install the inlet heater hose to the heater core.

34. Lower the vehicle. Service and Repair

35. Connect the negative battery cable. Service and Repair

36. Fill the engine cooling system. Draining and Filling Cooling Systems

37. Evacuate and recharge the refrigerant system. Refrigerant Recovery and Recharging

38. Leak test the fittings of the component using the J 39400-A.