Curiosii for ever!
: Car repair manuals for everyone.
Home
>>
Pontiac
>>
2004
>>
Grand AM L4-2.2L VIN F
>>
Repair and Diagnosis
>>
Diagrams
>>
Electrical Diagrams
>>
Windows
>>
System Diagram
>>
Power Windows Schematics
Power Windows Schematics
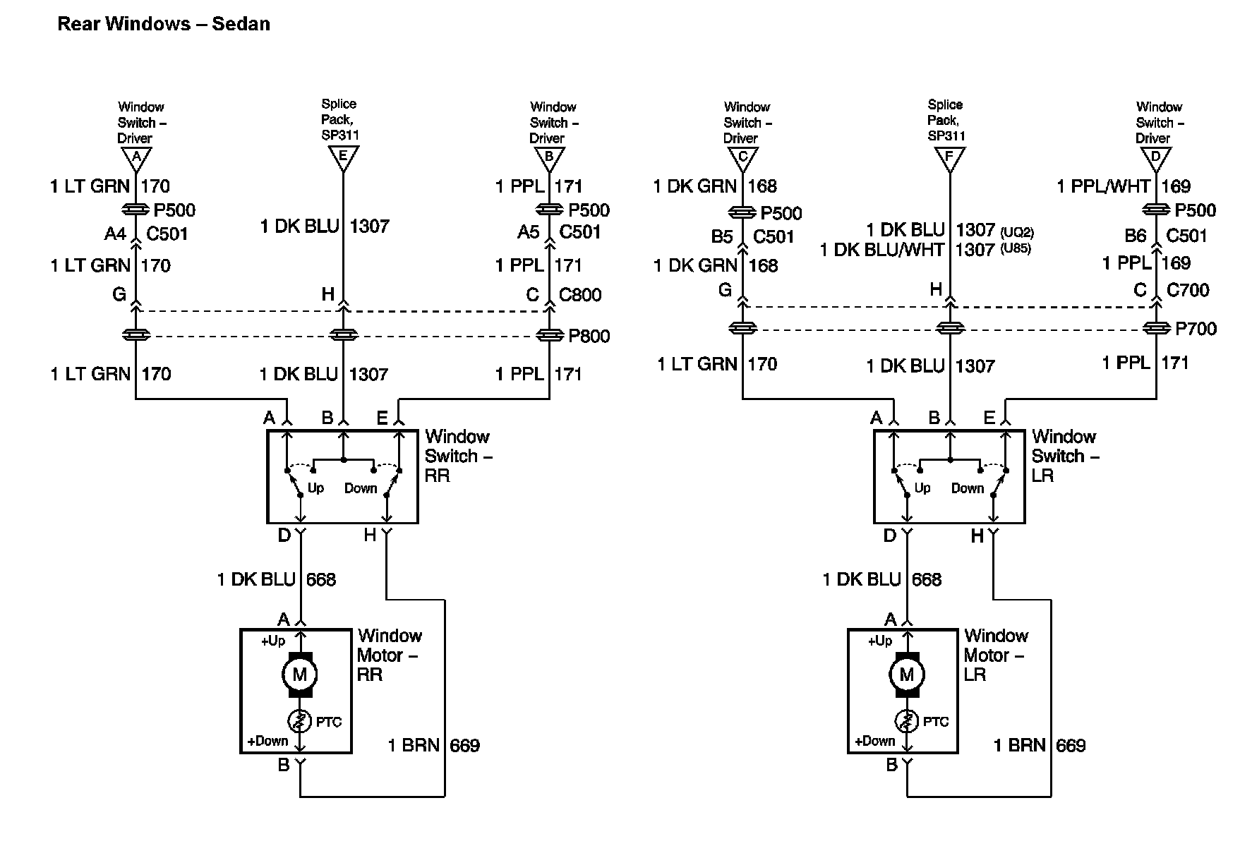
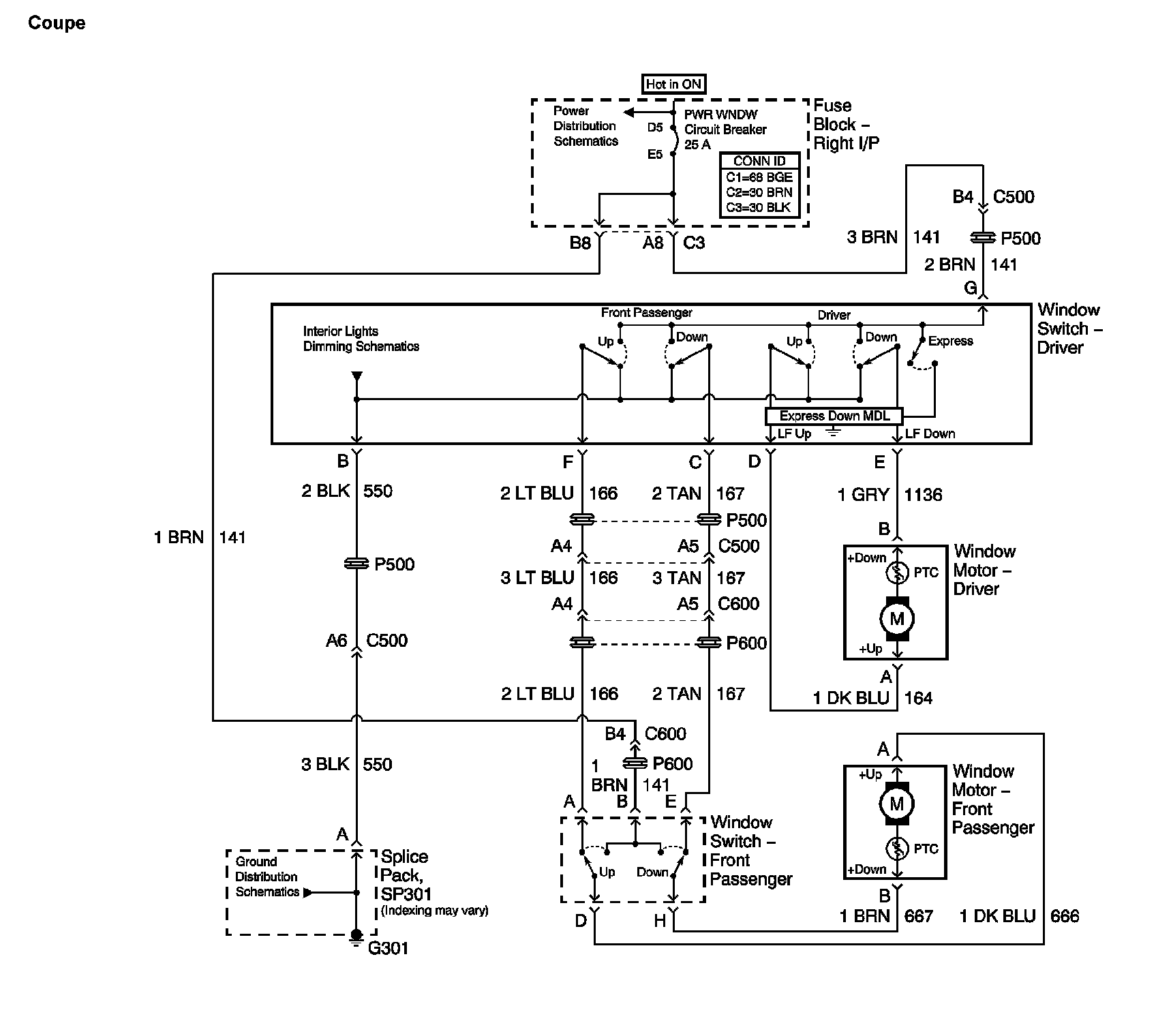
Power Window Diagram 1:
Power Window Diagram 2:
Power Window Diagram 3: