Curiosii for ever!: Car repair manuals for everyone.

Crankshaft Position Sensor: Service and Repair









Crankshaft Position (CKP) Sensor Replacement

Removal Procedure


1. Raise the vehicle.

2. Remove the starter.

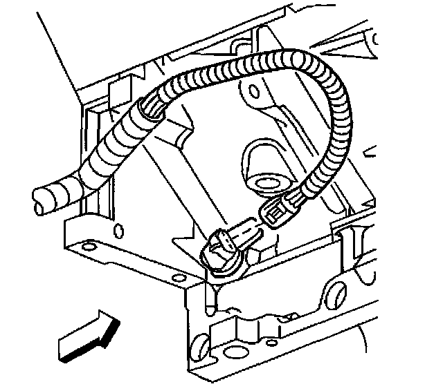
3. Disconnect the crankshaft position (CKP) sensor electrical connector.













4. Remove the CKP sensor retaining bolt.

5. Remove the CKP sensor.



Installation Procedure

1. Install the CKP sensor.

Notice: Refer to Fastener Notice in Cautions and Notices.

2. Install the CKP sensor retaining bolt. Tighten the CKP sensor to 25 N.m (18 lb ft).

3. Connect the CKP sensor electrical connector.







4. Install the starter.

5. Lower the vehicle.

6. Perform the CKP System Variation Learn Procedure. Programming and Relearning