Curiosii for ever!: Car repair manuals for everyone.

Evaporator Core: Service and Repair

EVAPORATOR CORE REPLACEMENT

Tools Required
J 39400-A Halogen Leak Detector

Removal Procedure
1. Remove the HVAC module. Service and Repair





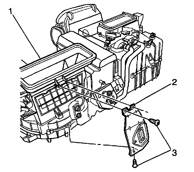
2. Remove the TXV joint bracket screws (3) and remove the bracket (2) from the HVAC unit (1).
3. Remove the heater core.





4. Disconnect the vacuum line (12) from the recirculation/intake actuator (11).





5. Remove the vacuum lines (5) and retainers (2) from the front HVAC module case (4).
6. Remove the defroster actuator vacuum line.
7. Remove the defroster actuator rod from the lever.
8. Remove the defroster actuator retaining screws.
9. Remove the defroster actuator (1).





10. Remove the screws attaching the front HVAC module case to the upper HVAC module case and lower HVAC module case assembly.
11. Separate the front HVAC module case from the upper HVAC module case and lower HVAC module case assembly.





12. Remove the screws (3,5) attaching the upper HVAC module (1) to the lower HVAC module (6).
13. Remove the clips (4) attaching the upper HVAC module case to the lower HVAC module case.
14. Separate the upper HVAC module case from the lower HVAC module case.
15. Remove the evaporator core (2) from the upper HVAC module case.





16. Remove the retaining screw (2) from the evaporator core pipes (4).
17. Remove the evaporator core pipes from the evaporator core (3).
18. Remove and discard the O-rings (1).

Installation Procedure
1. If installing a new evaporator core add the specified amount of PAG.





2. Install a new 0-rings (1) to the evaporator core (3).
3. Install the evaporator core pipes (4) to the evaporator core.

NOTICE: Refer to Fastener Notice in Service Precautions.

4. Secure the evaporator core pipes with the retaining screw (2).

Tighten
Tighten the screw to 5 N.m (44 Ib in).






5. Install the evaporator core (2) to the upper HVAC module case (1).
6. Align and install the upper H\1AC module case to the lower HVAC module case (6)
7. Install the clips (4) attaching the upper HVAC module case to the lower HVAC module case.
8. Install the upper HVAC module case to the lower HVAC module case retaining screws (3).

Tighten
Tighten the screws to 1.6 N.m (14 Ib in).






9. Align and install the front HVAC module case to the upper HVAC module case and lower HVAC module case assembly.
10. Install the front HVAC module case to the upper HVAC module case and lower HVAC module case assembly retaining screws.

Tighten
Tighten the screws to 1.6 N.m (14 Ib in).






11. Install the defroster actuator (1) to the HVAC module assembly.
12. Secure the defroster actuator with the retaining screws.

Tighten
Tighten the screws to 1.6 N.m (14 Ib in).


13. Install the defroster actuator rod to the lever.
14. Install the defroster actuator vacuum line.
15. Secure the retainers (2) and vacuum lines (5) to the front HVAC module case (4).





16. Connect the vacuum line (12) to the intake actuator (11).
17. Install the heater core.





18. Install the TXV joint bracket (2) to the HVAC unit (1).
19. Secure the bracket with the retaining screws (3).

Tighten
Tighten the screws to 1.6 N.m (14 Ib in).


20. Install the HVAC module.