Curiosii for ever!: Car repair manuals for everyone.

Engine Control Module: Service and Repair

POWERTRAIN CONTROL MODULE (PCM) REPLACEMENT

Service of the PCM should normally consist of either replacement of the PCM or EEPROM programming. If the diagnostic procedures call for PCM replacement, check the PCM first to see if the PCM is the correct part. If the PCM is faulty, remove the module and install the new service PCM.

The new service PCM will not be programmed. You must program the new PCM. DTC P0602 indicates the EEPROM is not programmed or has malfunctioned.

NOTE:
- Do not touch the connector pins or soldered components on the circuit board in order to prevent possible electrostatic discharge (ESD) damage to the PCM.
- Turn the ignition OFF when installing or removing the PCM connectors and disconnecting or reconnecting the power to the PCM (battery cable, PCM pigtail, PCM fuse, jumper cables, etc.) in order to prevent internal PCM damage.

Removal Procedure
1. Turn OFF the ignition.
2. Disconnect the negative battery cable.
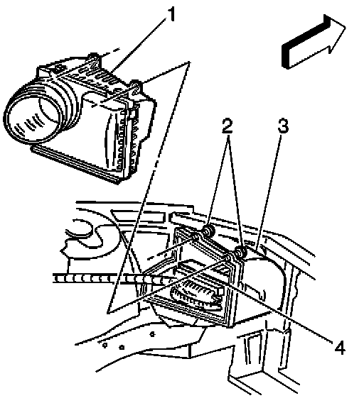
3. Remove the intake duct.




4. Remove the 2 screws (2) from the upper and lower air cleaner assembly sections.
5. Remove the upper air cleaner housing assembly (1).




6. Without disconnecting the PCM connectors (1), remove the PCM (3) and harness from the PCM housing (2).
7. Disconnect the PCM connectors (1).

Installation Procedure

NOTE: Refer to Fastener Notice in Service Precautions.

1. Reconnect the PCM connectors (1).

Tighten
Tighten the connectors to 8 N.m (71 lb in).




2. Carefully reinstall the PCM (3) and harness into the PCM housing (2).




3. Install the upper air cleaner housing assembly (1).
4. Install the 2 screws (2) into the upper and lower air cleaner assembly sections.

Tighten
Tighten the screws to 4 N.m (35 lb in).

5. Install the intake duct.
6. Reconnect the negative battery cable.
7. The Replacement PCM will NOT allow secondary AIR pump operation until a total of 10 miles have been accumulated.
8. The new PCM must be programmed. Refer to Service Programming System (SPS) in Programming. Programming and Relearning