Curiosii for ever!: Car repair manuals for everyone.

Camshaft Position Sensor: Service and Repair

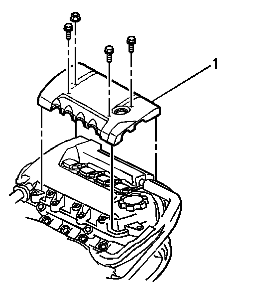
REMOVAL PROCEDURE




1. Remove the four fasteners from the engine cover (1).
2. Remove the engine cover (1) from the engine.




3. Disconnect the CMP electrical connector (1).
4. Remove the two CMP sensor hold-down bolts.
5. Remove the CMP sensor (2) from the cylinder head.

INSTALLATION PROCEDURE




1. Install the CMP sensor (2) into the cylinder head.
2. Install the two CMP sensor hold-down bolts.

NOTE: Refer to Fastener Notice in Service Precautions.

Tighten
Tighten the hold-down bolts to 9 N.m (80 lb in).

3. Connect the electrical connector (1) to the CMP sensor.




4. Install the engine cover (1) to the engine.
5. Secure the engine cover (1) with the four fasteners.

Tighten
Tighten the fasteners to 7 N.m (62 lb in).