Curiosii for ever!: Car repair manuals for everyone.

Spark Plug: Service and Repair

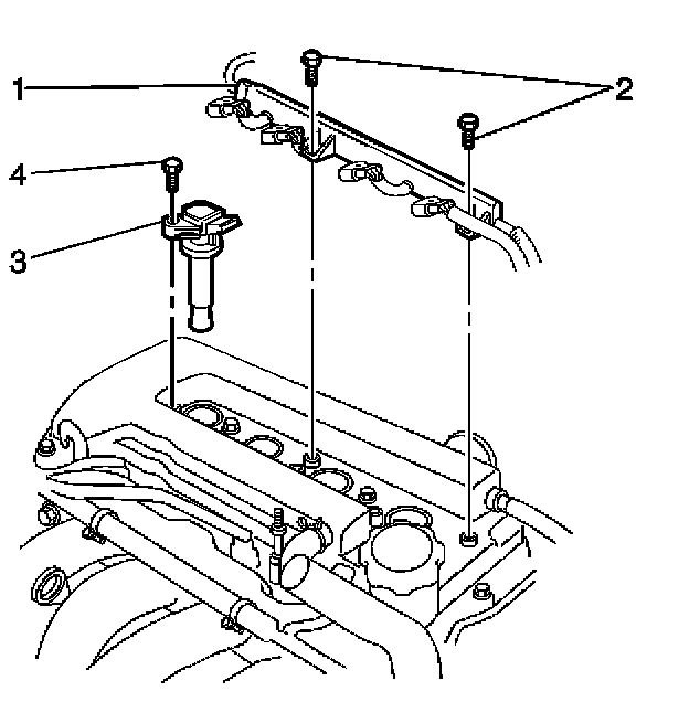
REMOVAL PROCEDURE




1. Remove the 2 clips and the 2 nuts that secure the engine cover to the cylinder head cover.
2. Remove the engine cover (1) from the cylinder head cover.




3. Disconnect the electrical connector from each ignition coil.
4. Remove the bolt (4) securing each ignition coil from the cylinder head cover.
5. Remove each ignition coil (3) from the cylinder head cover.




6. Remove the spark plugs from the cylinder head.

NOTE: This engine is equipped with an aluminum cylinder head. Allow the engine to cool before removing spark plugs. Removing the spark plugs from an engine at operating temperature may damage the spark plug threads in the cylinder head. Also be sure to clean any dirt or debris from around spark plug holes prior to removing spark plugs.

7. Inspect the spark plugs for electrode wear, carbon deposits and insulator damage. Refer to Spark Plug Inspection.

INSTALLATION PROCEDURE




1. Replace the spark plugs every 144 000 km (90,000 mi).

IMPORTANT: Use one of the following types of iridium tipped spark plugs.
- Denso Type SK16R11
- NGK Type IFR5A11

1. Set the spark plug gap. Bend only the side electrode.

IMPORTANT:
- Do not touch the tip of the spark plug.
- Do not damage the iridium surface of the electrode when gapping the plug.
- Do not adjust the gap on used spark plugs. Replace the spark plug if the gap is greater than specification.

NEW SPARK PLUG GAP
1.0-1.1 mm (0.040-0.043 in)

MAXIMUM USED SPARK PLUG GAP
1.2 mm (0.047 in)

1. Install the spark plugs to the cylinder head.

NOTE: Refer to Fastener Notice in Service Precautions.

Tighten
Tighten the spark plugs to 18 N.m (13 lb ft).




2. Install each ignition coil (3) to the cylinder head cover.
3. Secure the ignition coils using the bolts (4).

Tighten
Tighten the bolts to 9 N.m (80 lb in).

4. Connect each ignition coil electrical connector.




5. Install the engine cover (1) to the cylinder head cover. Secure the engine cover with the 2 clips and the 2 nuts.

Tighten
Tighten the nuts to 9 N.m (80 lb in).