Curiosii for ever!: Car repair manuals for everyone.

Variable Valve Timing Solenoid: Service and Repair

REMOVAL PROCEDURE




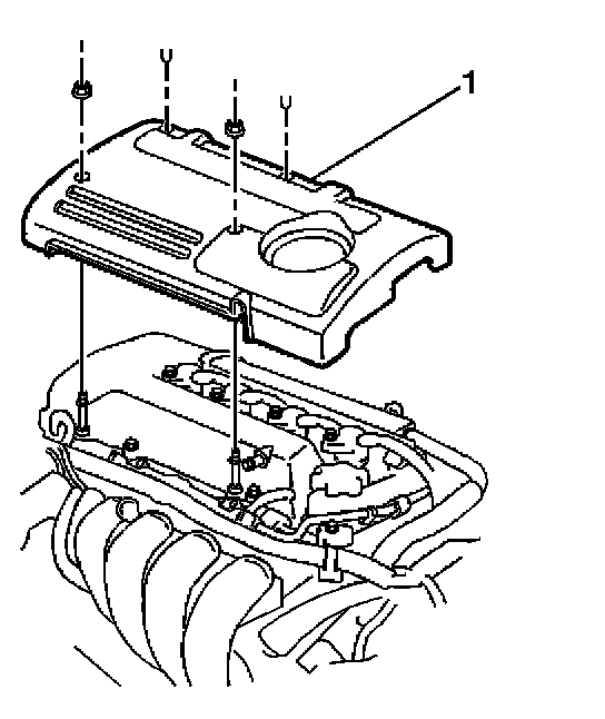
1. Remove the 2 fasteners.
2. Remove the 2 plastic retainers.
3. Remove the engine cover (1) from the engine.




4. Disconnect the electrical connector (1) from the camshaft position (CMP) actuator solenoid valve (2).




5. Remove the fastener retaining the CMP actuator solenoid valve (1) to the cylinder head.
6. Remove the CMP actuator solenoid valve (1) and the O-ring (2) from the cylinder head.

INSTALLATION PROCEDURE




1. Install a new O-ring (2) and the CMP actuator solenoid valve (1) into the cylinder head.
2. Secure the CMP actuator solenoid valve with the fastener.

NOTE: Refer to Fastener Notice in Service Precautions.

Tighten
Tighten the fastener to 9 N.m (80 lb in).




3. Connect the electrical connector (1) to the solenoid valve (2).




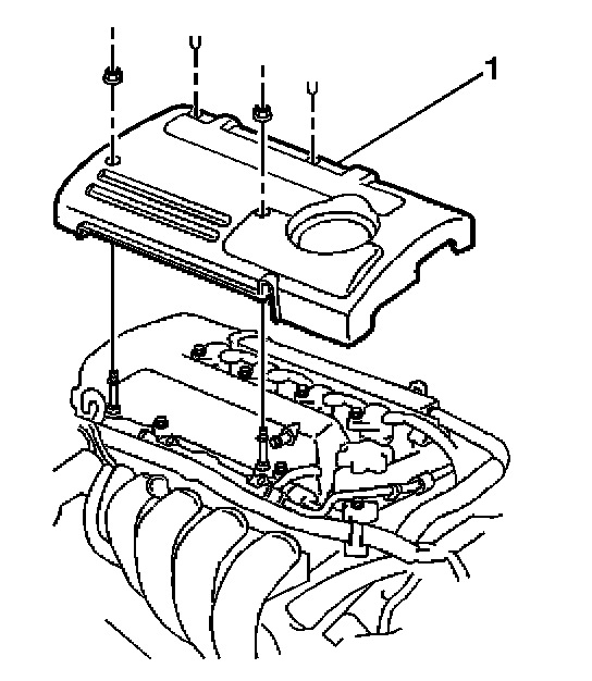
4. Install the engine cover (1).
5. Secure the engine cover (1) with the 2 fasteners.

Tighten
Tighten the fasteners to 8.8 N.m (77 lb in).

6. Install the 2 plastic retainers.