Curiosii for ever!
: Car repair manuals for everyone.
Home
>>
Pontiac
>>
2003
>>
Grand Prix V6-3.8L SC VIN 1
>>
Repair and Diagnosis
>>
Powertrain Management
>>
Computers and Control Systems
>>
Manifold Pressure/Vacuum Sensor
>>
Locations
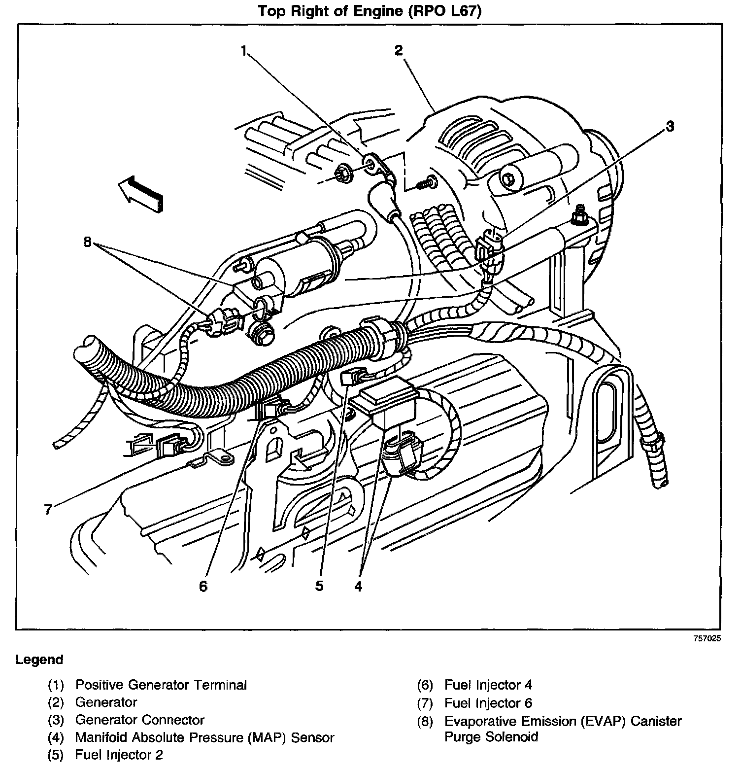
Manifold Pressure/Vacuum Sensor: Locations
Locations View: