Curiosii for ever!
: Car repair manuals for everyone.
Home
>>
Pontiac
>>
2003
>>
Grand Prix V6-3.1L VIN J
>>
Repair and Diagnosis
>>
Powertrain Management
>>
Computers and Control Systems
>>
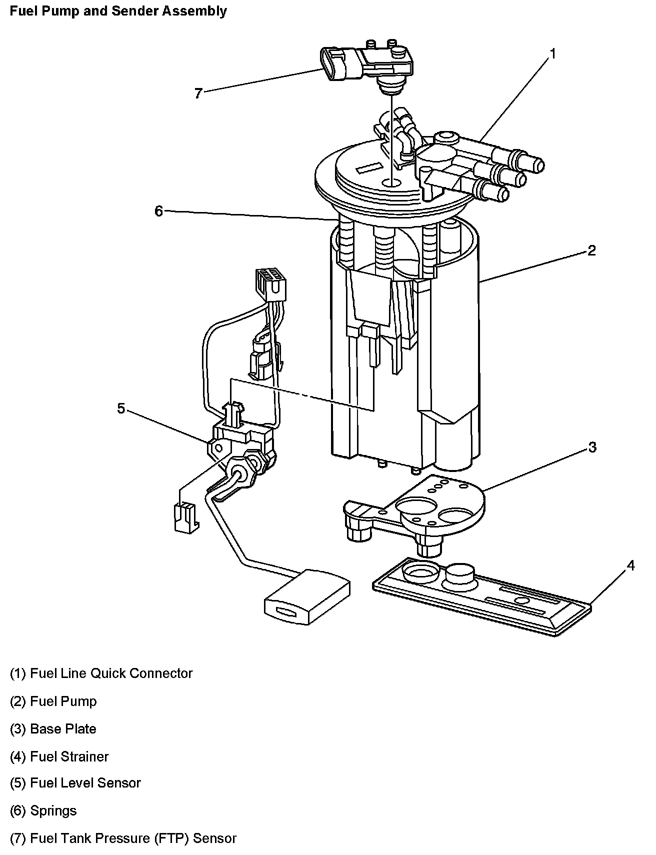
Fuel Level Sensor
>>
Locations
Fuel Level Sensor: Locations
Fuel Pump And Sender Assembly: