Curiosii for ever!: Car repair manuals for everyone.

Manifold Pressure/Vacuum Sensor: Service and Repair

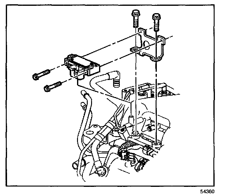
MANIFOLD ABSOLUTE PRESSURE (MAP) SENSOR REPLACEMENT

REMOVAL PROCEDURE




1. Turn OFF the ignition.
2. Remove the screws that affect the manifold absolute pressure (MAP) sensor to the bracket.
3. Disconnect the MAP sensor electrical connector.
4. Disconnect the MAP inlet vacuum hose.
5. Remove the MAP sensor from the bracket.

INSTALLATION PROCEDURE




1. Position the MAP sensor to the bracket.
2. Connect the MAP inlet vacuum hose.
3. Connect the MAP sensor electrical connector.
4. Install the screws.

NOTE: Refer to Fastener Notice in Service Precautions.

Tighten
Tighten the screws to 3 N.m (27 lb in).